电脑桌面
添加小米粒文库到电脑桌面
安装后可以在桌面快捷访问

明挖地铁车站防水施工方案

明挖地铁车站防水施工方案_第1页
1/35
明挖地铁车站防水施工方案_第2页
2/35
明挖地铁车站防水施工方案_第3页
3/35
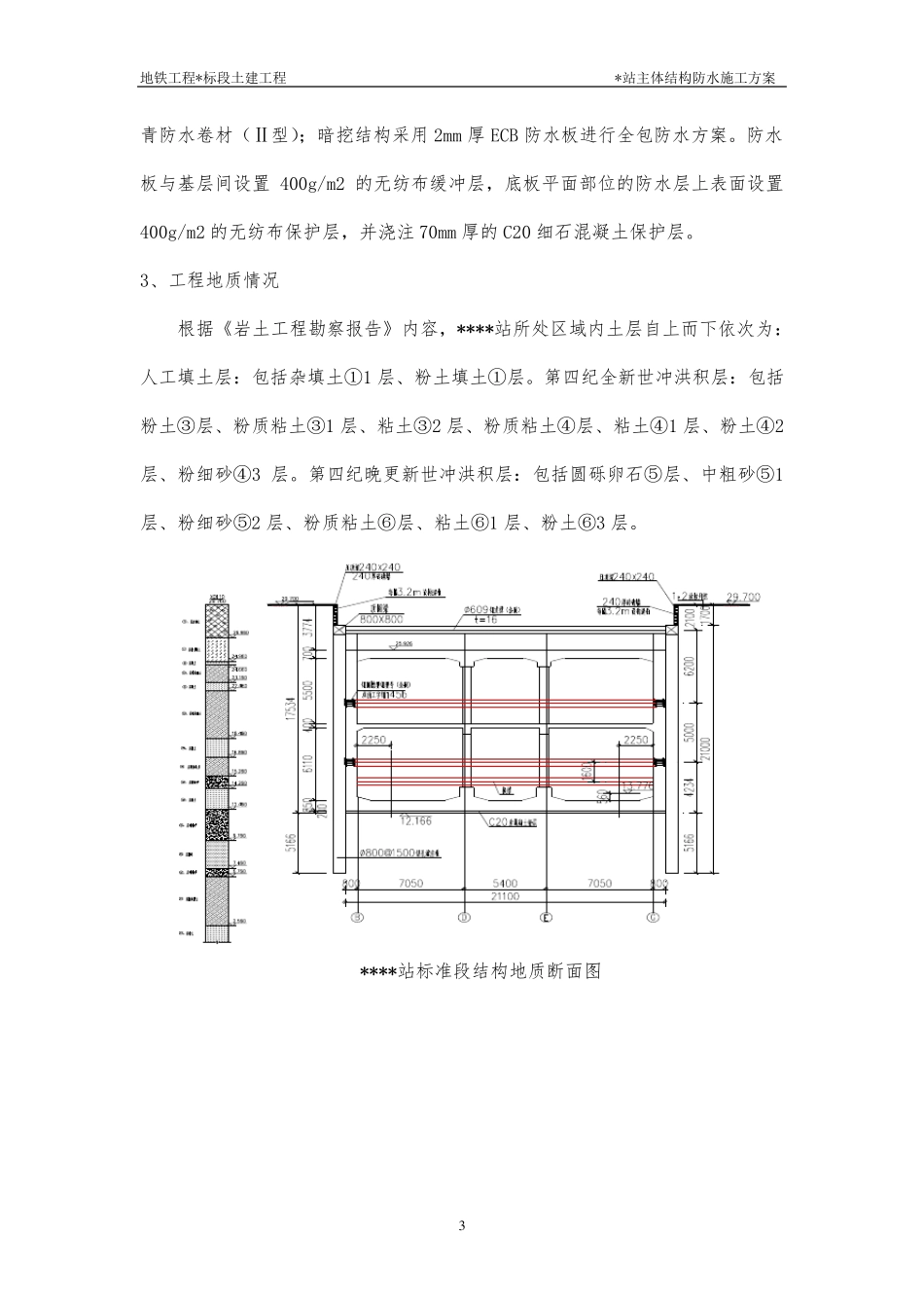
地铁工程*标段土建工程 *站主体结构防水施工方案 1 明发广场站防水施工方案 一、编制说明 1、编制依据 1.1、《南京地铁三号线明发广场站防水施工图》 1.2、《南京地铁三号岩土工程勘察报告(详细勘察阶段)》 1.3、《地下防水工程质量验收规范》GB50208-2002 1.4、《防水工程施工质量验收标准》(修订版)QGD-012-2005 1.5、《轨道交通地下工程防水技术规程》DB11/581-2008 1.6、国家、省、市其他现行有关法规、标准、技术规范、以及环境保护、水土保持、职业健康方面的政策和法规 1.7、我单位在城市轨道交通地铁方面的施工经验,及现有的施工技术、管理、机械设备配套能力和资金投入能力等。 2、编制原则 2.1、确保安全原则 安全生产时企业永恒的主题,最好的效益,发展的基础,施工生产永远将安全生产放在第一位。 2.2、确保质量原则 严格按照施工设计图及相关规范、规程和技术标准进行施工。 2.3、确保工期原则 根据本标段的工期要求,编制科学、合理、周密的施工方案,合理安排进度,实行网络控制,搞好工序衔接,实施进度监控,确保实现工期目 标,满 足 工期要求。 地铁工程*标段土建工程 *站主体结构防水施工方案 2 2.4、文明施工原则 严格按照建设部《建设工程施工现场管理规定》和北京市文明施工管理规定组织施工。 2.5、职业健康及环境保护的原则 重视环境的保护,控制大气、水和噪声等污染以及职业健康、安全和卫生。 2.6、严格遵守规范、标准的原则 严格执行施工过程中涉及的相关规范、规程和技术标准。贯彻执行国家和地方政府的方针政策、法律法规。 二、工程概况 1、工程简介 *站位于*****,沿东西向设置,位置详见图 2-1。本站为地下二层双柱三跨岛式站台车站,站台宽度 12m,站后设单渡线。车站覆土约为 3.8m。车站中心里程处开挖深度约为 17.6m,标准段净宽为 19.5m,总长为 358.3m,有效站台计算长度为 158m。 本站共有乘客出入口4 个,分别位于*交叉路口的四个象限;此外,布置消防疏散通道3 个,分别位于车站两 端 ,消防通道全部设置于*路中间 绿 化 带 内 ;风 亭两 组共6 个,西风 亭 有新 、排 风 亭 各 1 个,东风 亭 有新 、排 风 亭 各 1 个,另 有活塞 风 亭 2 个。所 有风 亭 均 为低 风 亭 、设置于 *绿 化 带 内 。 车站主 体 采 用 明挖顺 筑 法施工,围 护结 构 形 式采 用 钻 孔 灌 注 桩 +内 支 ...

1、当您付费下载文档后,您只拥有了使用权限,并不意味着购买了版权,文档只能用于自身使用,不得用于其他商业用途(如 [转卖]进行直接盈利或[编辑后售卖]进行间接盈利)。
2、本站所有内容均由合作方或网友上传,本站不对文档的完整性、权威性及其观点立场正确性做任何保证或承诺!文档内容仅供研究参考,付费前请自行鉴别。
3、如文档内容存在违规,或者侵犯商业秘密、侵犯著作权等,请点击“违规举报”。

碎片内容

明挖地铁车站防水施工方案

您可能关注的文档

确认删除?
VIP
微信客服
  • 扫码咨询
会员Q群
  • 会员专属群点击这里加入QQ群
客服邮箱
回到顶部