电脑桌面
添加小米粒文库到电脑桌面
安装后可以在桌面快捷访问

见证取样记录表1分析

见证取样记录表1分析_第1页
1/20
见证取样记录表1分析_第2页
2/20
见证取样记录表1分析_第3页
3/20
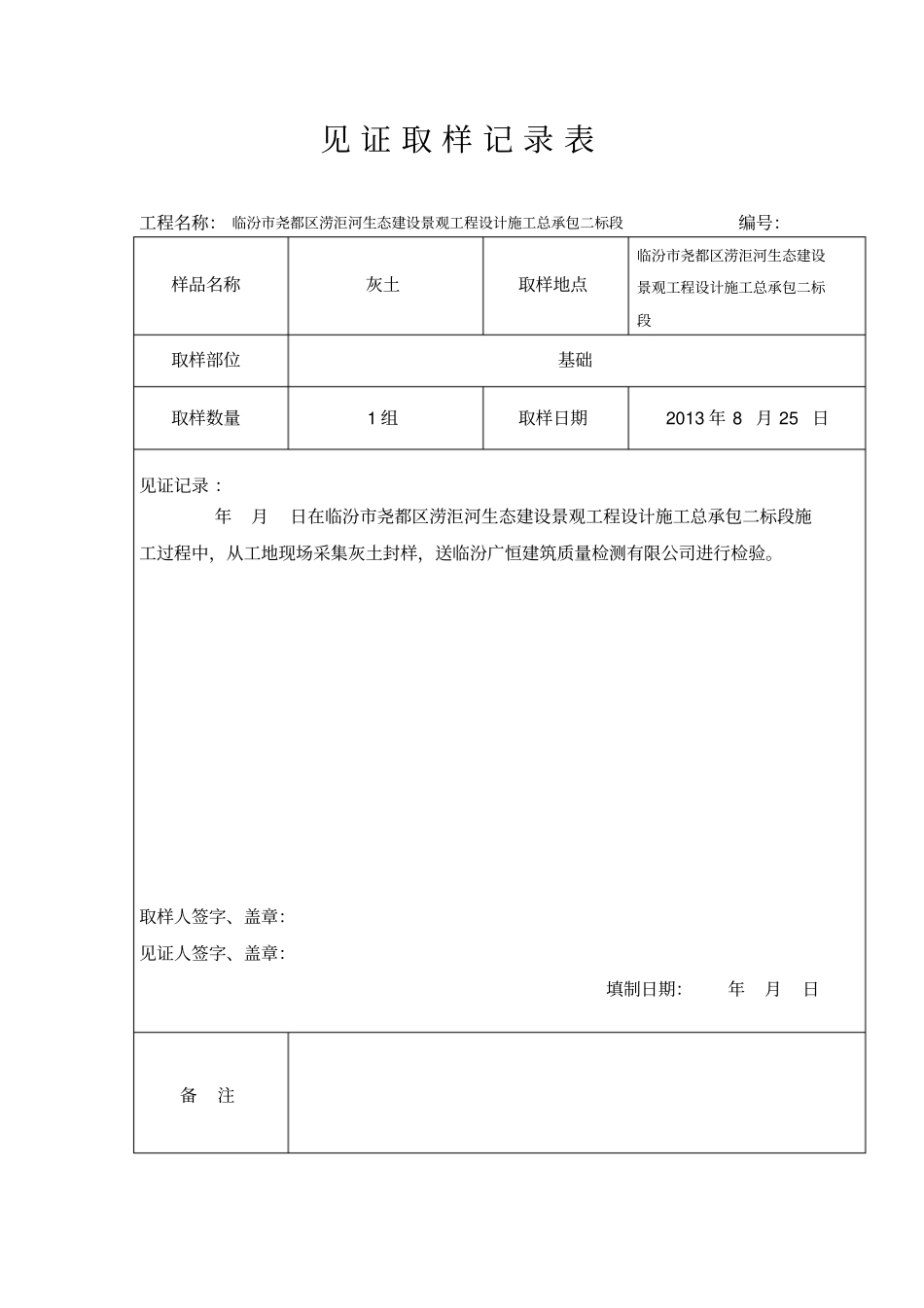
见 证 取 样 记 录 表工程名称: 临汾市尧都区涝洰河生态建设景观工程设计施工总承包二标段编号:样品名称水泥砖取样地点临汾市尧都区涝洰河生态建设景观工程设计施工总承包二标段取样部位砌体取样数量1 组取样日期2013 年 9 月 15 日见证记录 :年月日在临汾市尧都区涝洰河生态建设景观工程设计施工总承包二标段施工过程中,从工地堆料场砖堆放地四周及上、下、中不同部位抽取砖块封样,送临汾广恒建筑质量检测有限公司进行检验。取样人签字、盖章:见证人签字、盖章:填制日期:年月日备注见 证 取 样 记 录 表工程名称: 临汾市尧都区涝洰河生态建设景观工程设计施工总承包二标段编号:样品名称砂浆配合比取样地点临汾市尧都区涝洰河生态建设景观工程设计施工总承包二标段取样部位工地料场取样数量1 组取样日期2013 年 8 月 30 日见证记录 :年月日在临汾市尧都区涝洰河生态建设景观工程设计施工总承包二标段施工过程中,从工地堆料场砖堆放地抽取现场所用砂浆封样,送临汾广恒建筑质量检测有限公司进行检验。取样人签字、盖章:见证人签字、盖章:填制日期:年月日备注见 证 取 样 记 录 表工程名称: 临汾市尧都区涝洰河生态建设景观工程设计施工总承包二标段编号:样品名称灰土取样地点临汾市尧都区涝洰河生态建设景观工程设计施工总承包二标段取样部位基础取样数量1 组取样日期2013 年 8 月 25 日见证记录 :年月日在临汾市尧都区涝洰河生态建设景观工程设计施工总承包二标段施工过程中,从工地现场采集灰土封样,送临汾广恒建筑质量检测有限公司进行检验。取样人签字、盖章:见证人签字、盖章:填制日期:年月日备注见 证 取 样 记 录 表工程名称: 临汾市尧都区涝洰河生态建设景观工程设计施工总承包二标段编号:样品名称砂取样地点临汾市尧都区涝洰河生态建设景观工程设计施工总承包二标段取样部位砂子堆放上、中、下不同部位取样数量1 组取样日期2013 年 8 月 28 日见证记录 :年月日在临汾市尧都区涝洰河生态建设景观工程设计施工总承包二标段工地料砂子堆放地分上、 中、下不同部位抽取等量样品8 份,每份样品 5kg,共采集样品 40kg拌合均匀,装样封 口送临汾广恒建筑质量检测有限公司进行检验。取样人签字、盖章:见证人签字、盖章:填制日期:年月日备注见 证 取 样 记 录 表工程名称: 临汾市尧都区涝洰河生态建设景观工程设计施工总承包二标段编号:样品名...

1、当您付费下载文档后,您只拥有了使用权限,并不意味着购买了版权,文档只能用于自身使用,不得用于其他商业用途(如 [转卖]进行直接盈利或[编辑后售卖]进行间接盈利)。
2、本站所有内容均由合作方或网友上传,本站不对文档的完整性、权威性及其观点立场正确性做任何保证或承诺!文档内容仅供研究参考,付费前请自行鉴别。
3、如文档内容存在违规,或者侵犯商业秘密、侵犯著作权等,请点击“违规举报”。

碎片内容

见证取样记录表1分析

确认删除?
VIP
微信客服
  • 扫码咨询
会员Q群
  • 会员专属群点击这里加入QQ群
客服邮箱
回到顶部