电脑桌面
添加小米粒文库到电脑桌面
安装后可以在桌面快捷访问

视频监控工程施工方案

视频监控工程施工方案_第1页
1/5
视频监控工程施工方案_第2页
2/5
视频监控工程施工方案_第3页
3/5
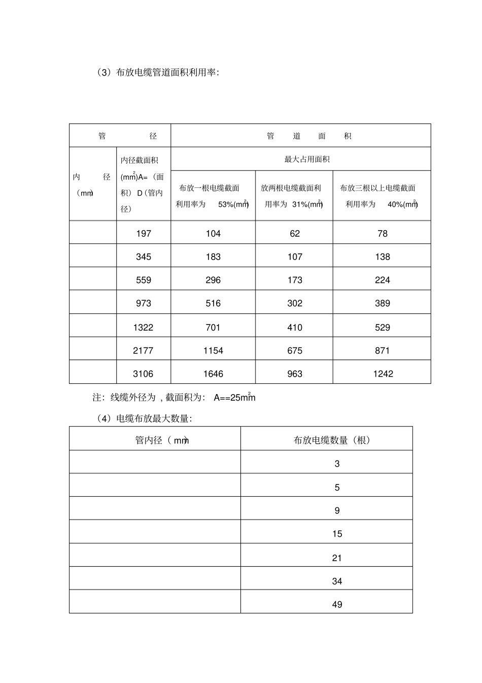
视频监控工程施工方案1、线缆的敷设和保护(1)线缆的敷设:线缆的型号、规格应与设计规定相符。线缆的布防应自然平直, 不得产生扭绞、 打圈接头等现象, 不应受到外力的挤压和损伤。线缆两端应贴有标签,应标明编号,标签书写应清晰、端正和正确。线缆的弯曲半径应符合下列规定:电缆的弯曲半径至少为电缆外径的6--10 倍。 主干对绞电缆的弯曲半径至少为电缆外径的 10 倍。光缆的弯曲半径至少为光缆外径的15 倍。电源线、各种线缆应分隔布放。(2)线缆间的最小净距符合设计要求。线缆与电力线最小净距条件范围单位最小净距 (mm)380V <380V >电缆与电力电缆平行敷设130300600有一方在接地的金属槽道或钢管中70150300双方均在接地的金属槽道或钢管中注80150注:双方都在接地的金属槽道或钢管中,且平行长度小于10 米时,最小间距可为 10mm。(3)布放电缆管道面积利用率:管径管道面积内径(mm)内径截面积(mm2)A=(面积) D(管内径)最大占用面积布放一根电缆截面利用率为53%(mm2)放两根电缆截面利用率为 31%(mm2)布放三根以上电缆截面利用率为40%(mm2)1971046278345183107138559296173224973516302389132270141052921771154675871310616469631242注:线缆外径为 , 截面积为: A==25mm2(4)电缆布放最大数量:管内径( mm)布放电缆数量(根)359152134492、水平布线水平布线系统主要包括从现场设备到中心主机的走线路由,水平配线系统的总体施工要求如下:(1)布线过程中缆线的施工应尽量避免扭绞、打圈接头等现象,不应受到外力的挤压和损伤;(2)线路的走线要作好外观防护、防雨、防火、防鼠。户内使用线槽保护,户外线管保护。缆线两端应贴有标签,应标明编号,标签书写应清晰、端正和正确;( 3)缆线终接后,应有余量,水平配线系统在设备端预留的线长为30cm-80cm,管理配线端预留的线长为3-5m;各种端接设备应接触良好;3、设备中心(1)设备中心布线主要包括监控中心的走线路由,施工要求如下:(2)设备间应提供不少于一个220V、10A带保护接地的单相电源插座。(3)设备工作台及控制箱安装完毕后,垂直偏差度应不大于3mm,安装位置应符合设计要求。(4)各种设备安装符合有关规定的技术要求。4、前端设备的安装(1)一般要求①按安装图纸进行安装。②安装前应对所装设备通电检查。③安装质量应符合《电气装置安装工程及验收规范》的要求。(2)摄像机的安装①安装前应对摄像机进行检测和调整,使摄像处于正常工...

1、当您付费下载文档后,您只拥有了使用权限,并不意味着购买了版权,文档只能用于自身使用,不得用于其他商业用途(如 [转卖]进行直接盈利或[编辑后售卖]进行间接盈利)。
2、本站所有内容均由合作方或网友上传,本站不对文档的完整性、权威性及其观点立场正确性做任何保证或承诺!文档内容仅供研究参考,付费前请自行鉴别。
3、如文档内容存在违规,或者侵犯商业秘密、侵犯著作权等,请点击“违规举报”。

碎片内容

视频监控工程施工方案

确认删除?
VIP
微信客服
  • 扫码咨询
会员Q群
  • 会员专属群点击这里加入QQ群
客服邮箱
回到顶部