电脑桌面
添加小米粒文库到电脑桌面
安装后可以在桌面快捷访问

计量仪器设备检定报告

计量仪器设备检定报告_第1页
1/25
计量仪器设备检定报告_第2页
2/25
计量仪器设备检定报告_第3页
3/25
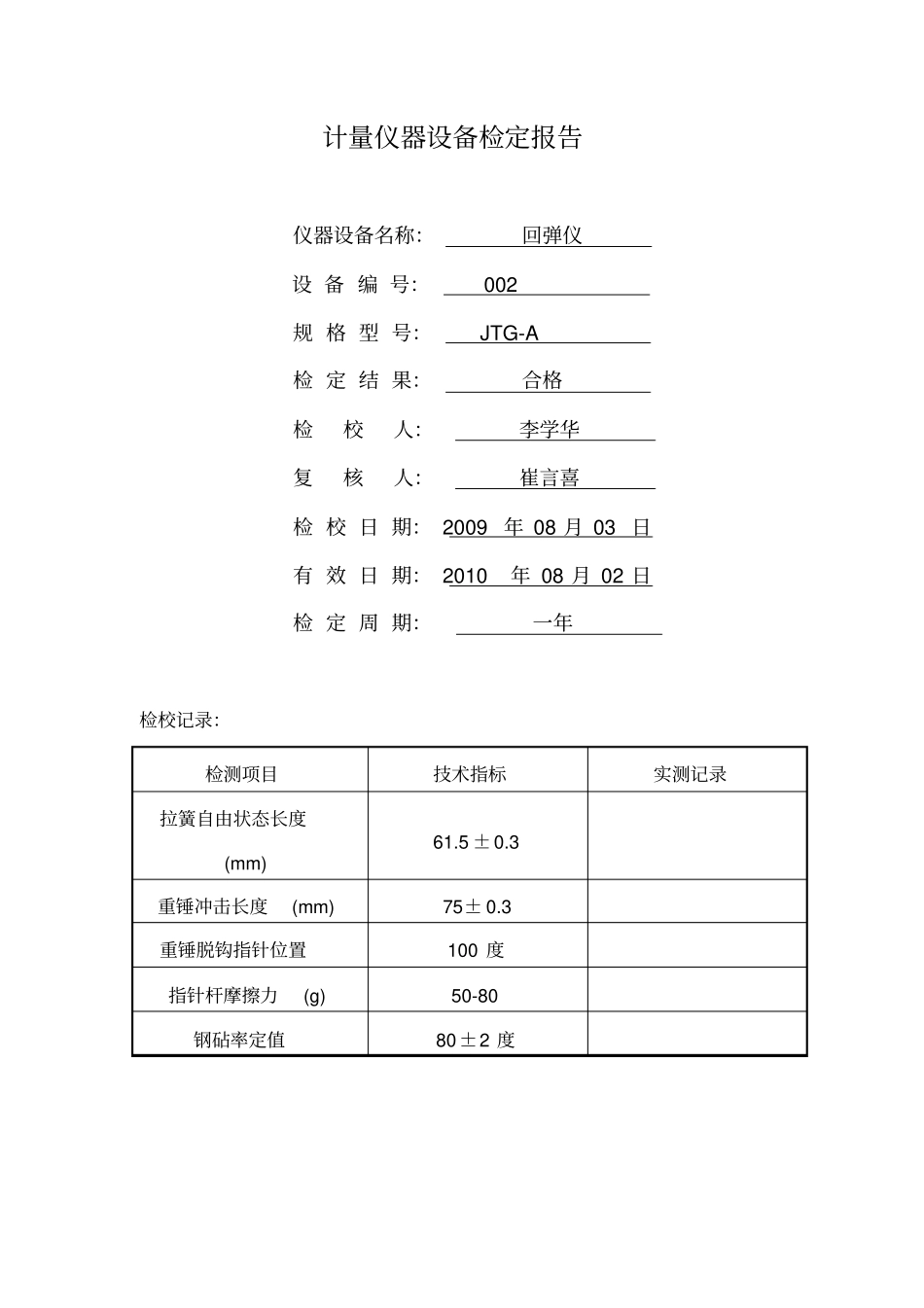
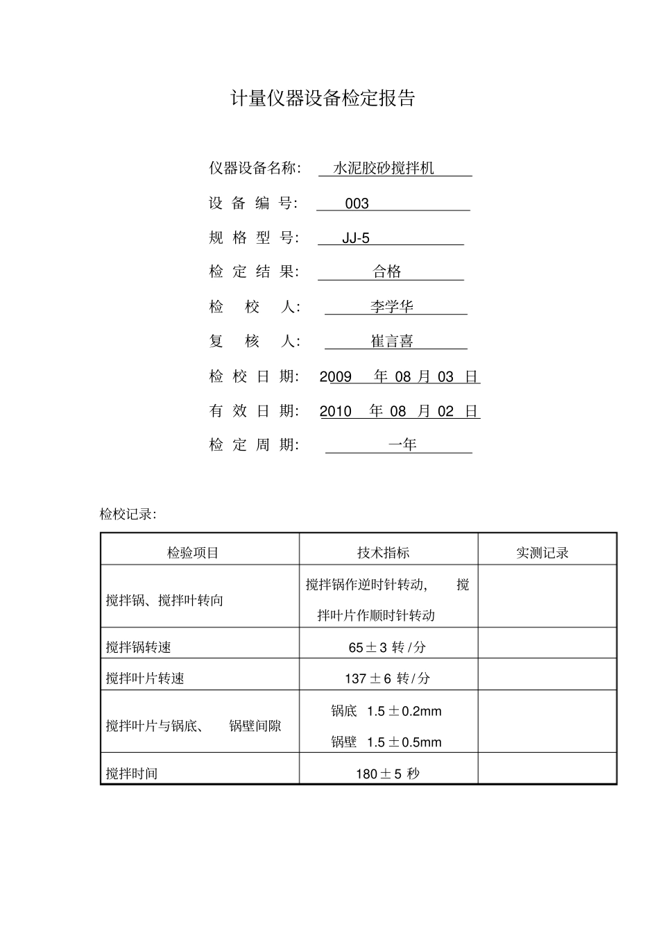
计量仪器设备检定报告仪器设备名称:路面弯沉测定仪设 备 编 号: 27 规 格 型 号:检 定 结 果:合格检校人:李学华复核人:崔言喜检 校 日 期: 2009 年 08 月 03 日有 效 日 期: 2009 年 11 月 02 日检 定 周 期:三个月检校记录:检测项目技术指标实测记录杠杆比1∶ 2 仪器长度(mm) 前杠杆的端部与中心轴孔之间的距离为2400 ± 0.5;后杠杆测孔中心与轴中心的距离为 1200 ± 0.5 。测头长度(mm) 50 ± 0.5, 100± 1.0, 150± 1.5 测头宽度与厚度10± 0.5 , 15± 0.5 二种:底部为半圆柱体悬臂端测点处加载2N,挠度≤0.005 梁的横向刚度当横向风速3m/s 时,横向摆动值≤ 0.01mm 仪器质量≤ 120kg 计量仪器设备检定报告仪器设备名称:回弹仪设 备 编 号: 002 规 格 型 号: JTG-A 检 定 结 果:合格检校人:李学华复核人:崔言喜检 校 日 期: 2009 年 08 月 03 日有 效 日 期: 2010 年 08 月 02 日检 定 周 期:一年检校记录:检测项目技术指标实测记录拉簧自由状态长度(mm) 61.5 ± 0.3 重锤冲击长度(mm) 75± 0.3 重锤脱钩指针位置100 度指针杆摩擦力(g) 50-80 钢砧率定值80 ±2 度计量仪器设备检定报告仪器设备名称:水泥胶砂搅拌机设 备 编 号: 003 规 格 型 号: JJ-5 检 定 结 果:合格检校人:李学华复核人:崔言喜检 校 日 期: 2009 年 08 月 03 日有 效 日 期: 2010年 08 月 02 日检 定 周 期:一年检校记录:检验项目技术指标实测记录搅拌锅、搅拌叶转向搅拌锅作逆时针转动,搅拌叶片作顺时针转动搅拌锅转速65± 3 转 /分搅拌叶片转速137 ± 6 转 /分搅拌叶片与锅底、锅壁间隙锅底 1.5 ±0.2mm 锅壁 1.5 ±0.5mm 搅拌时间180± 5 秒计量仪器设备检定报告仪器设备名称:水泥净浆搅拌机设 备 编 号: 004 规 格 型 号: NJ-160 检 定 结 果:合格检校人:李学华复核人:崔言喜检 校 日 期: 2009 年 08 月 03 日有 效 日 期: 2010 年 08 月 02 日检 定 周 期:一年检校记录:检验项目技术指标实测记录搅拌翅转向顺时针转动搅拌时间300± 5 秒搅拌翅与搅拌锅间隙0.2-0.5mm搅拌翅转速90± 6 转 /分计量仪器设备检定报告仪器设备名称:水泥标准筛设 备 编 号: 005 规 格 型 号:检 定 结 果:检校人:复核人...

1、当您付费下载文档后,您只拥有了使用权限,并不意味着购买了版权,文档只能用于自身使用,不得用于其他商业用途(如 [转卖]进行直接盈利或[编辑后售卖]进行间接盈利)。
2、本站所有内容均由合作方或网友上传,本站不对文档的完整性、权威性及其观点立场正确性做任何保证或承诺!文档内容仅供研究参考,付费前请自行鉴别。
3、如文档内容存在违规,或者侵犯商业秘密、侵犯著作权等,请点击“违规举报”。

碎片内容

计量仪器设备检定报告

爱的疯狂+ 关注
实名认证
内容提供者

该用户很懒,什么也没介绍

确认删除?
VIP
微信客服
  • 扫码咨询
会员Q群
  • 会员专属群点击这里加入QQ群
客服邮箱
回到顶部