电脑桌面
添加小米粒文库到电脑桌面
安装后可以在桌面快捷访问

设备常见故障及排除方法

设备常见故障及排除方法_第1页
1/13
设备常见故障及排除方法_第2页
2/13
设备常见故障及排除方法_第3页
3/13
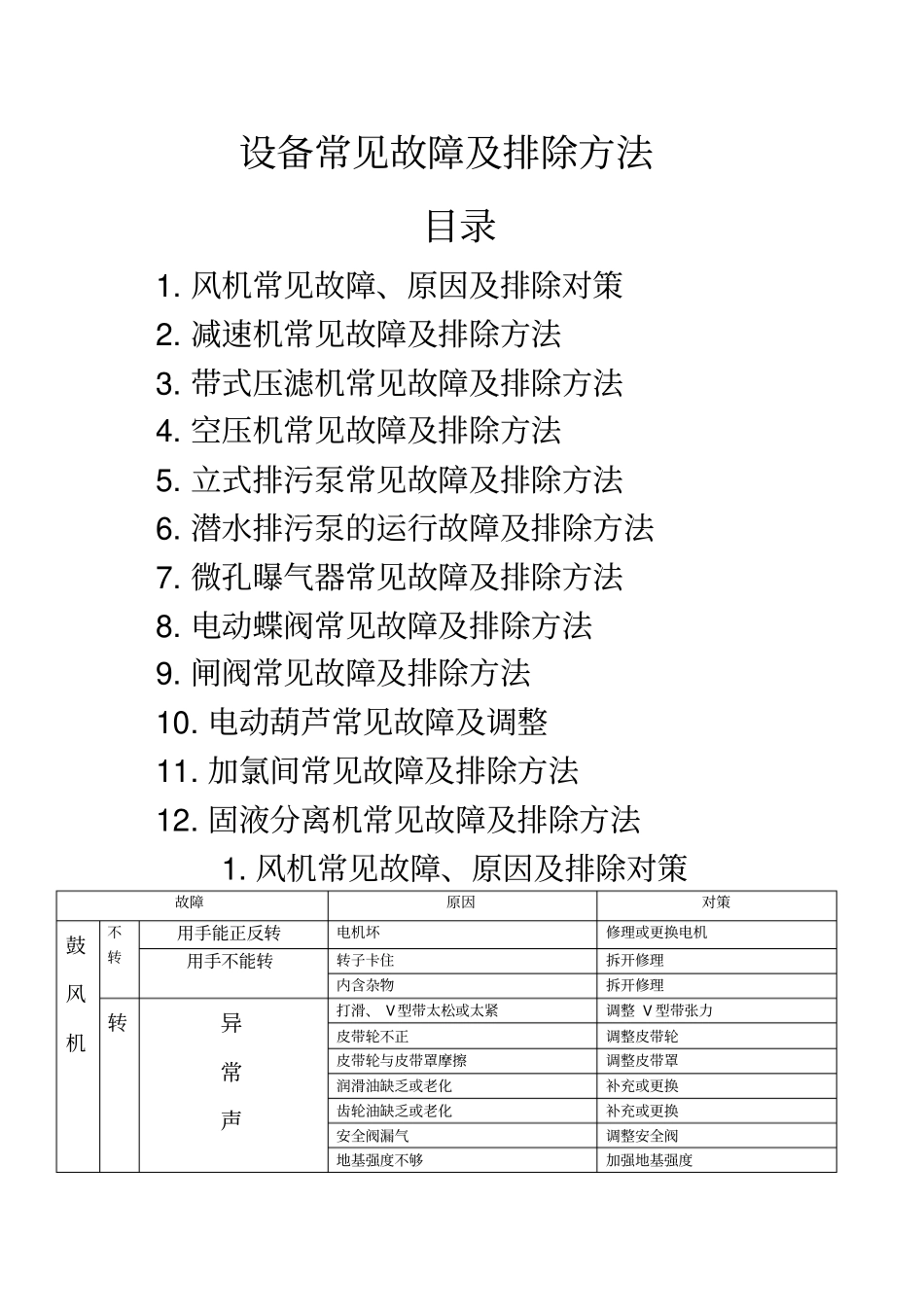
设备常见故障及排除方法目录1. 风机常见故障、原因及排除对策2. 减速机常见故障及排除方法3. 带式压滤机常见故障及排除方法4. 空压机常见故障及排除方法5. 立式排污泵常见故障及排除方法6. 潜水排污泵的运行故障及排除方法7. 微孔曝气器常见故障及排除方法8. 电动蝶阀常见故障及排除方法9. 闸阀常见故障及排除方法10. 电动葫芦常见故障及调整11. 加氯间常见故障及排除方法12. 固液分离机常见故障及排除方法1. 风机常见故障、原因及排除对策故障原因对策鼓风机不转用手能正反转电机坏修理或更换电机用手不能转转子卡住拆开修理内含杂物拆开修理转异常声打滑、 V型带太松或太紧调整 V 型带张力皮带轮不正调整皮带轮皮带轮与皮带罩摩擦调整皮带罩润滑油缺乏或老化补充或更换齿轮油缺乏或老化补充或更换安全阀漏气调整安全阀地基强度不够加强地基强度或震动管道共鸣通过消音器、支架消除排气压力突然上升见* 注释地脚螺栓太松拧紧转子干扰拆开修理机壳内有杂物拆开修理逆止阀坏更换过热排气压力突然上升见* 注释机房内温度超过40° C 增加通风量吸入消音器堵塞清洗或更换滤芯空气量不足管道漏气拧紧连接螺栓安全阀漏气调整安全阀吸入消音器堵塞清洗或更换滤芯V 型带打滑调整 V 型带张力排气压力突然上升见* 注释* 排气压力突然上升阀门关闭充分打开阀门水位上升调整水位进气管堵塞清除杂物管道堵塞清除杂物阀门坏或拧反方向更换或反方向拧气流过强降低转速或排气漏油齿轮油过多加油至油标中央电机不转用手能正反转开关或接线不良正确连接或检修保险丝没连或单根线断开检查修理或更换电源异常改善供电设施电机坏修理或更换电机用手不能转轴承坏更换轴承电机坏修理或更换电机反转连接错误检查接头转过热过载调整排气压力电源异常改善供电设施机房内温度超过40° C 增加通风量转速过低电源异常改善供电设施过载调整排气压力2. 减速机常见故障及排除方法3. 带式压滤机常见故障及排除方法1. 滤带纠偏频繁a)滤带张紧力:如果张紧力不够,可调节张紧压力张紧滤带。b) 接近开关:若感应位置不对,调整感应位置。c)布料:如果重力脱水区布料不均匀,会使滤带两边受力不均匀,频繁向一边跑偏,应将进料处的理料板高度降低,使物料均匀分布在滤带上。d)滤带变形程度:如果变形严重,滤带两边松紧程度不同,只能更换滤带。2. 滤带超偏报警a) 总气源压力:检查总气压力表,压力值应不小于。b) 纠偏压力:若纠偏压力过小,可适...

1、当您付费下载文档后,您只拥有了使用权限,并不意味着购买了版权,文档只能用于自身使用,不得用于其他商业用途(如 [转卖]进行直接盈利或[编辑后售卖]进行间接盈利)。
2、本站所有内容均由合作方或网友上传,本站不对文档的完整性、权威性及其观点立场正确性做任何保证或承诺!文档内容仅供研究参考,付费前请自行鉴别。
3、如文档内容存在违规,或者侵犯商业秘密、侵犯著作权等,请点击“违规举报”。

碎片内容

设备常见故障及排除方法

文库响当当+ 关注
实名认证
内容提供者

该用户很懒,什么也没介绍

相关文档

确认删除?
VIP
微信客服
  • 扫码咨询
会员Q群
  • 会员专属群点击这里加入QQ群
客服邮箱
回到顶部