电脑桌面
添加小米粒文库到电脑桌面
安装后可以在桌面快捷访问

设备故障分析方法—故障树分析法

设备故障分析方法—故障树分析法_第1页
1/5
设备故障分析方法—故障树分析法_第2页
2/5
设备故障分析方法—故障树分析法_第3页
3/5
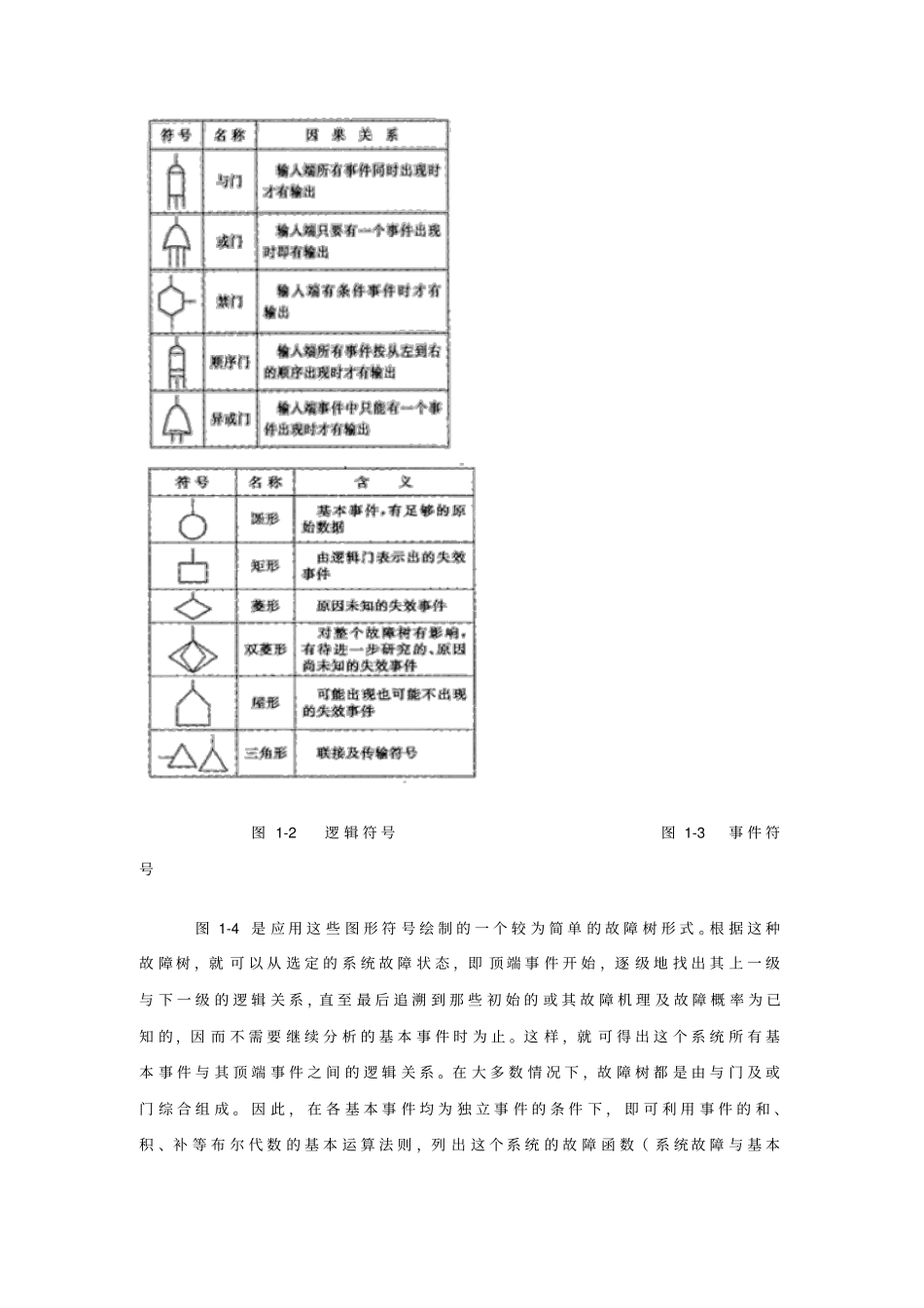
设备故障分析方法—故障树分析法1. 故 障 树 分 析 法 的 产 生 与 特 点从 系 统 的 角 度 来 说 ,故 障 既 有 因 设 备 中 具 体 部 件( 硬 件 )的 缺 陷 和 性 能 恶化 所 引 起 的 ,也 有 因 软 件 ,如 自 控 装 置 中 的 程 序 错 误 等 引 起 的 。此 外 ,还 有 因 为操 作 人 员 操 作 不 当 或 不 经 心 而 引 起 的 损 坏 故 障 。20 世 纪 60 年 代 初 , 随 着 载 人 宇 航 飞 行 , 洲 际 导 弹 的 发 射 , 以 及 原 子 能 、核 电 站 的 应 用 等 尖 端 和 军 事 科 学 技 术 的 发 展 ,都 需 要 对 一 些 极 为 复 杂 的 系 统 ,做出 有 效 的 可 靠 性 与 安 全 性 评 价 ; 故 障 树 分 析 法 就 是 在 这 种 情 况 下 产 生 的 。故 障 树 分 析 法 简 称 FTA (Failute Tree Analysis), 是 1961 年 为 可 靠 性 及安 全 情 况 ,由 美 国 贝 尔 电 话 研 究 室 的 华 特 先 生 首 先 提 出 的 。其 后 ,在 航 空 和 航 天的 设 计 、维 修 ,原 子 反 应 堆 、大 型 设 备 以 及 大 型 电 子 计 算 机 系 统 中 得 到 了 广 泛 的应 用 。目 前 ,故 障 树 分 析 法 虽 还 处 在 不 断 完 善 的 发 展 阶 段 ,但 其 应 用 范 围 正 在 不断 扩 大 , 是 一 种 很 有 前 途 的 故 障 分 析 法 。总 的 说 来 , 故 障 树 分 析 法 具 有 以 下 一 些 特 点 。它 是 一 种 从 系 统 到 部 件 ,再 到 零 件 ,按“下 降 形 ”分 析 的 方 法 。它 从 系 统开 始 ,通 过 由 逻 辑 符 号 绘 制 出 的 一 个 逐 渐 展 开 成 树 状 的 分 枝 图 ,来 分 析 故 障 事 件( 又 称 顶 端 事 件 )发 生 的 概 率 。同 时 也 可 以 用 来 分 析 零 件 、部 件 或 子 系 统 故 障 对系 统 故 障 的 影 响 , 其 中 包 括 人 为 因 素 和 环 境 条 件 等 在 内 。它 对 系 统 故 障 不 但 可 以 做 定 性 的 而 且 还 可 以 做 定...

1、当您付费下载文档后,您只拥有了使用权限,并不意味着购买了版权,文档只能用于自身使用,不得用于其他商业用途(如 [转卖]进行直接盈利或[编辑后售卖]进行间接盈利)。
2、本站所有内容均由合作方或网友上传,本站不对文档的完整性、权威性及其观点立场正确性做任何保证或承诺!文档内容仅供研究参考,付费前请自行鉴别。
3、如文档内容存在违规,或者侵犯商业秘密、侵犯著作权等,请点击“违规举报”。

碎片内容

设备故障分析方法—故障树分析法

文库响当当+ 关注
实名认证
内容提供者

该用户很懒,什么也没介绍

相关文档

确认删除?
VIP
微信客服
  • 扫码咨询
会员Q群
  • 会员专属群点击这里加入QQ群
客服邮箱
回到顶部