电脑桌面
添加小米粒文库到电脑桌面
安装后可以在桌面快捷访问

设备标识管理制度

设备标识管理制度_第1页
1/4
设备标识管理制度_第2页
2/4
设备标识管理制度_第3页
3/4
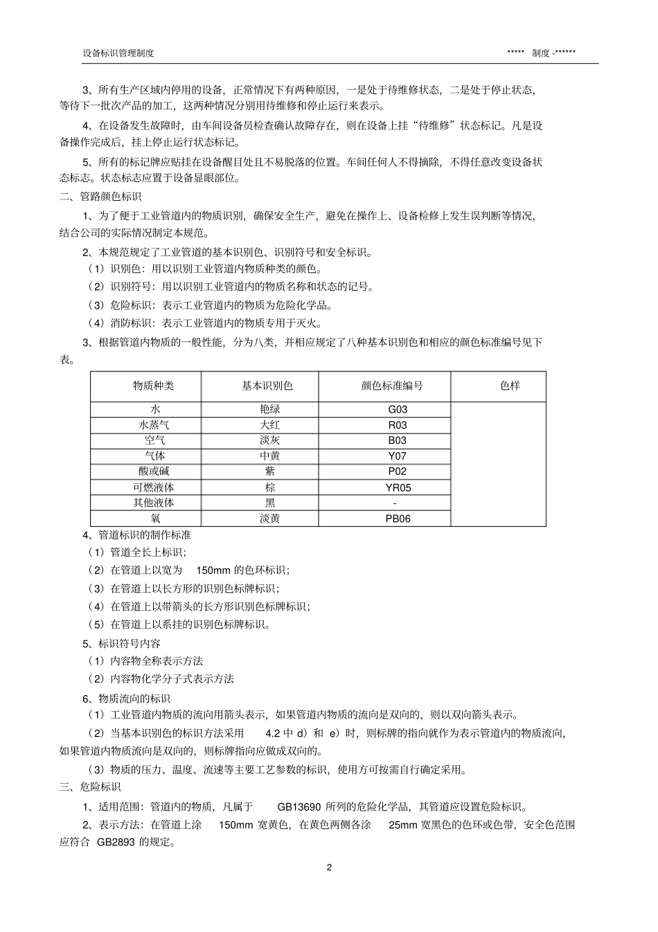
黑龙江 ******有限公司制度制度编号: *********** 密级:★设备标识管理制度版本: v1.0 发布日期:实施日期:拟订人:审核人:批准人:黑龙江 ********有限公司设备标识管理制度*****制度 -****** 1 设备标识管理制度第一章总则一、目的加强对设备使用状态的管理,避免使用错误的发生。二、范围生产现场设备及用于生产和检验的仪器、仪表、量具、衡器等。三、职责设备及用于生产和检验的仪器、仪表、量具、衡器的使用人员对本制度实施负责,设备中心对本制度的有效执行承担监督检查责任。第二章管理规定一、设备的状态标识1、每台设备应按规定悬挂状态标识卡。设备的状态标识卡由两部分组成,一部分是该设备的相关信息,另一部分是该设备的运行状态。两部分内容做成卡片用塑料卡套悬挂在设备上。当设备运行状态发生改变时应按实际状态更换相应的运行状态卡片。2、设备状态标识卡运行状态卡片共有如下的几种(状态牌尺寸:100×30mm)。(1)正常运行:绿底黑字。表示设备处于完好状态,正在操作或运转中。(2)闲置设备:绿底黑字。表示设备处于完好状态,长时间停机待用。(3) 待用:绿底黑字。表示设备正常,等待下次使用。(4)4 停用:红底黑字。表示设备停止使用的。(5) 待维修:红底黑字。表示设备出现故障后停用,尚未进行维修的状态。(6)维修中:黄底黑字。表示设备出现故障正在进行维修的状态。正常运行闲置设备待用停用待维修维修中设备标识管理制度*****制度 -****** 2 3、所有生产区域内停用的设备,正常情况下有两种原因,一是处于待维修状态,二是处于停止状态,等待下一批次产品的加工,这两种情况分别用待维修和停止运行来表示。4、在设备发生故障时,由车间设备员检查确认故障存在,则在设备上挂“待维修”状态标记。凡是设备操作完成后,挂上停止运行状态标记。5、所有的标记牌应贴挂在设备醒目处且不易脱落的位置。车间任何人不得摘除,不得任意改变设备状态标志。状态标志应置于设备显眼部位。二、管路颜色标识1、为了便于工业管道内的物质识别,确保安全生产,避免在操作上、设备检修上发生误判断等情况,结合公司的实际情况制定本规范。2、本规范规定了工业管道的基本识别色、识别符号和安全标识。(1)识别色:用以识别工业管道内物质种类的颜色。(2)识别符号:用以识别工业管道内的物质名称和状态的记号。(3)危险标识:表示工业管道内的物质为危险化学品。(4)消防标识:表示工业管道内的物质...

1、当您付费下载文档后,您只拥有了使用权限,并不意味着购买了版权,文档只能用于自身使用,不得用于其他商业用途(如 [转卖]进行直接盈利或[编辑后售卖]进行间接盈利)。
2、本站所有内容均由合作方或网友上传,本站不对文档的完整性、权威性及其观点立场正确性做任何保证或承诺!文档内容仅供研究参考,付费前请自行鉴别。
3、如文档内容存在违规,或者侵犯商业秘密、侵犯著作权等,请点击“违规举报”。

碎片内容

设备标识管理制度

确认删除?
VIP
微信客服
  • 扫码咨询
会员Q群
  • 会员专属群点击这里加入QQ群
客服邮箱
回到顶部