电脑桌面
添加小米粒文库到电脑桌面
安装后可以在桌面快捷访问

设备管理与维护控制程序

设备管理与维护控制程序_第1页
1/6
设备管理与维护控制程序_第2页
2/6
设备管理与维护控制程序_第3页
3/6
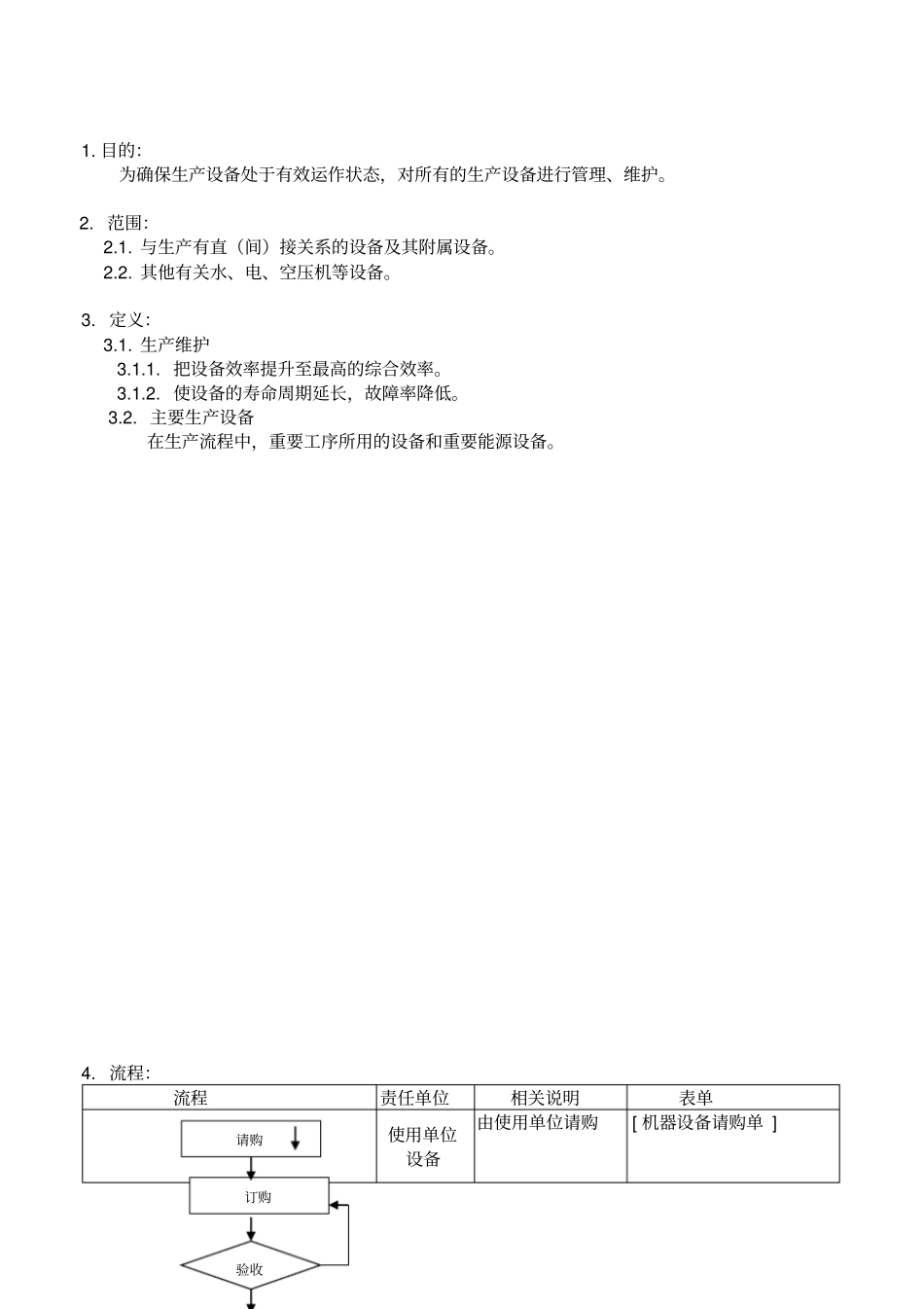
文件修订序号版本修订日期条款修订内容修订者11.02002.7.15全文编写核准:审核:编写:1. 目的:为确保生产设备处于有效运作状态,对所有的生产设备进行管理、维护。2. 范围:2.1. 与生产有直(间)接关系的设备及其附属设备。2.2. 其他有关水、电、空压机等设备。3. 定义:3.1. 生产维护3.1.1. 把设备效率提升至最高的综合效率。3.1.2. 使设备的寿命周期延长,故障率降低。 3.2. 主要生产设备在生产流程中,重要工序所用的设备和重要能源设备。4. 流程:流程责任单位相关说明表单使用单位设备由使用单位请购[ 机器设备请购单 ]请购订购验收 N Y N使用单位设备使用单位依 订购合约的项目进行验收[ 机器设备验收单 ]设备[ 设备管理履历表 ]设备参 照厂商提供的《机器设备说明书》使用单位[ 机器操作指导书 ][ 机器设备日常点检表 ]设备[ 机器设备定期点检表 ]厂商使用单位设备设备使用单位[ 财产报废申请单 ]财务部5. 内容:5.1. 请购、订购5.1.1. 新开发品所使用生产设备请购,由产品工程部提出请购要求。量产品所使用生产设备由生产制造部提出请购。5.1.2. 生产设备维修零件请购,由设备工程师提出。5.1.3. 请购单位须填写出 [ 机器设备请购单 ] 经总经理核准后, 交由采购部向厂商订购并确认交货期。5.2. 验收5.2.1. 订购的生产设备进厂时, 由设备工程师会同使用单位进行试车验收合格后于[ 机器设备验收单 ] 上签收并交由使用单位使用。必要时要求供应商附使用说明及技术报告。5.2.2. 若验收不合格,由采购部通知厂商处理。5.3. 登录列管5.3.1. 生产设备经验收合格后,由设备工程师予以编号列管,登录于[ 机器设备总览表] ,并建立 [ 设备管理履历表 ] 。5.3.2. 生产设备编号列管(1)生产设备编码原则 Lear – 01 - M – F-流水码,以数字 0001~ 9999 表示。固定资产 ---F ;租赁设备 ---Z 。机器设备上海李尔(2)生产制造部生产所使用的检/ 试验设备的编号列管依《检验、测量与试验设备控制程序》(TSP7.12)执行。5.4. 保养规则的制定5.4.1. 设备工程师依厂商提供《设备说明书》, 制定《机器设备操作指导书》 。5.4.2. 设备工程师依《机器设备操作指导书》制定保养规则。5.5. 一级维护保养5.5.1. 一级维护保养指设备日常保养、清扫、加油。5.5.2. 由使用者负责设备一级维护保养。5.5.3. 由操作者依实施日常保养、周保养,并记录于[ 机器设备日常点检表 ...

1、当您付费下载文档后,您只拥有了使用权限,并不意味着购买了版权,文档只能用于自身使用,不得用于其他商业用途(如 [转卖]进行直接盈利或[编辑后售卖]进行间接盈利)。
2、本站所有内容均由合作方或网友上传,本站不对文档的完整性、权威性及其观点立场正确性做任何保证或承诺!文档内容仅供研究参考,付费前请自行鉴别。
3、如文档内容存在违规,或者侵犯商业秘密、侵犯著作权等,请点击“违规举报”。

碎片内容

设备管理与维护控制程序

文库当当响+ 关注
实名认证
内容提供者

该用户很懒,什么也没介绍

确认删除?
VIP
微信客服
  • 扫码咨询
会员Q群
  • 会员专属群点击这里加入QQ群
客服邮箱
回到顶部