电脑桌面
添加小米粒文库到电脑桌面
安装后可以在桌面快捷访问

设计用按钮控制一台电动机既能点动又能长动的控制线路

设计用按钮控制一台电动机既能点动又能长动的控制线路_第1页
1/5
设计用按钮控制一台电动机既能点动又能长动的控制线路_第2页
2/5
设计用按钮控制一台电动机既能点动又能长动的控制线路_第3页
3/5
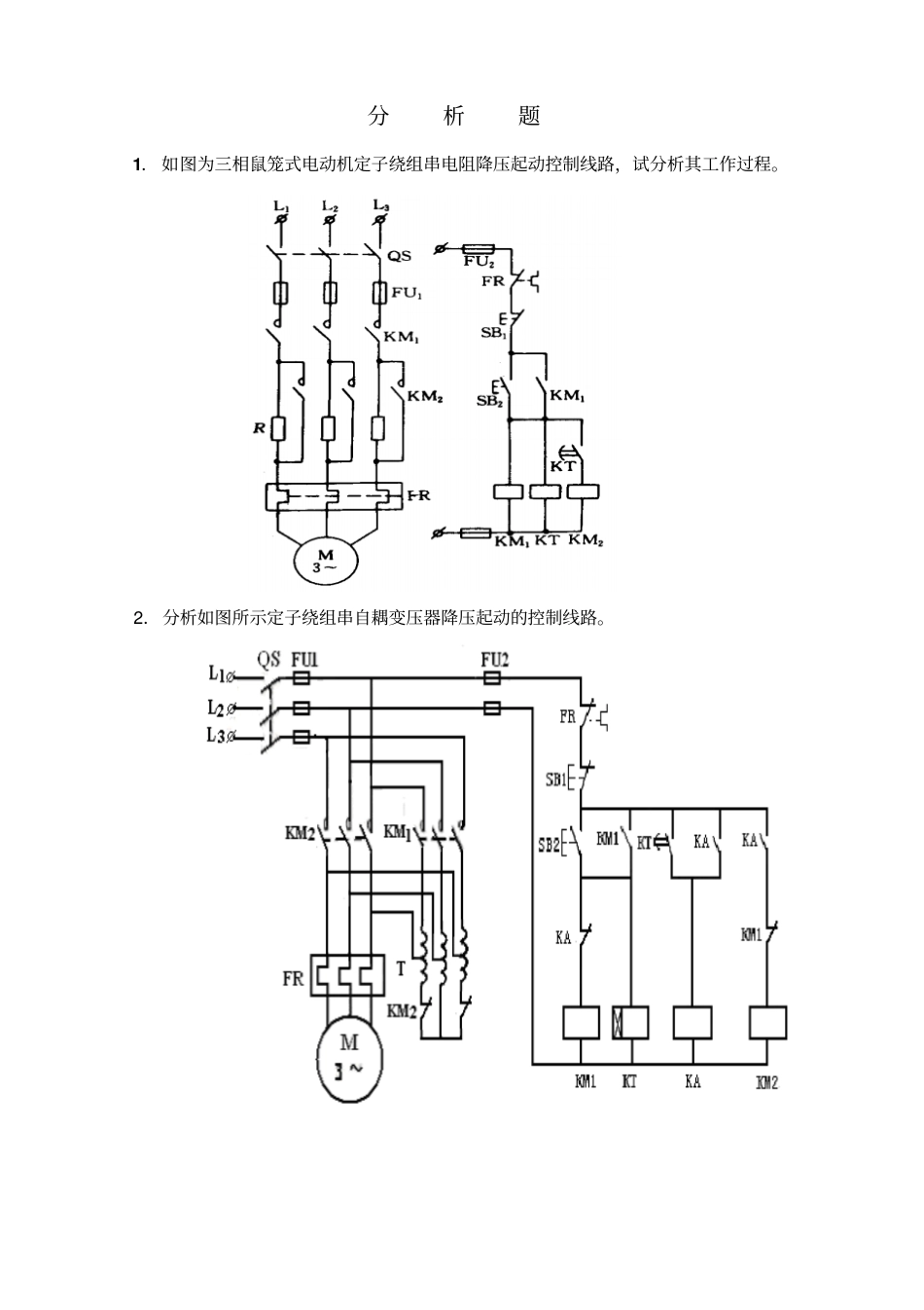
设计题1.设计用按钮控制一台电动机既能点动又能长动的控制线路,画出主电路和控制电路。具体要求如下:(1) 电动机只实现单向旋转,直接起动,无制动措施。(2) SB1 控制长动, SB2 控制点动 ,SB3 控制停止。(3) 有必要的保护措施。2.设计一个小车控制线路,画出主电路和控制电路,具体要求如下:(1)用起动按钮控制小车起动从A 点前进,到达 B 点后自动停止, 经过 40 秒后自动后退,回到 A 点后停止。(2)在小车来回过程中可以随时控制小车的停止。(3)在 B 点设终端保护。3. 设计一个两地控制一台电动机起动和停止的控制线路,画出主电路和控制电路,并作出必要的说明。具体要求如下:(1) 三相电动机只实现单向旋转,直接起动。(2) 断电自然停机,不采取制动措施。(3) 有必要的保护措施。4. 设计一个两台电动机的顺序控制线路,画出主电路和控制电路。具体要求如下:(1) 起动顺序:第一台电动机起动后,第二台电动机才能起动。(2) 停止顺序:第二台电动机停止后,第一台电动机才能停止。1.设计用按钮控制一台电动机既能点动又能长动的控制线路,画出主电路和控制电路。具体要求如下:(1)三相电动机只实现单向旋转,直接起动。无制动措施。(2)SB1 控制长动, SB2 控制点动, SB3 控制停止。(3)有必要的保护措施。5. 设计两台电动机 M1 和 M2 的顺序控制电路,画出主电路与控制电路。其控制规律是:(1)起动规律: M1 先起动, M2 才能起动。(2)停止规律: M1 可以自由停止;但M2 停止, M1 必定停止。(3)有必要的保护环节。6. 设计用按钮控制一台电动机既能点动又能长动的控制线路,画出主电路和控制电路。具体要求如下:(1) 电动机只实现单向旋转,直接起动,无制动措施。(2) SB1 控制长动, SB2 控制点动 ,SB3 控制停止。(3) 有必要的保护措施。7.设计一个小车控制线路,画出主电路和控制电路,具体要求如下:(1)用起动按钮控制小车起动从A 点前进,到达 B 点后自动停止,经过40 秒后自动后退,回到 A 点后停止。(2)在小车来回过程中可以随时控制小车的停止。(3)在 B 点设终端保护。分析题1. 如图为三相鼠笼式电动机定子绕组串电阻降压起动控制线路,试分析其工作过程。2.分析如图所示定子绕组串自耦变压器降压起动的控制线路。3.分析如图所示用时间继电器自动转换Y-Δ 起动的控制电路。4.如图为铣床的电气原理图的一部分,...

1、当您付费下载文档后,您只拥有了使用权限,并不意味着购买了版权,文档只能用于自身使用,不得用于其他商业用途(如 [转卖]进行直接盈利或[编辑后售卖]进行间接盈利)。
2、本站所有内容均由合作方或网友上传,本站不对文档的完整性、权威性及其观点立场正确性做任何保证或承诺!文档内容仅供研究参考,付费前请自行鉴别。
3、如文档内容存在违规,或者侵犯商业秘密、侵犯著作权等,请点击“违规举报”。

碎片内容

设计用按钮控制一台电动机既能点动又能长动的控制线路

您可能关注的文档

确认删除?
VIP
微信客服
  • 扫码咨询
会员Q群
  • 会员专属群点击这里加入QQ群
客服邮箱
回到顶部