电脑桌面
添加小米粒文库到电脑桌面
安装后可以在桌面快捷访问

试题钢材A卷VIP专享

试题钢材A卷_第1页
1/13
试题钢材A卷_第2页
2/13
试题钢材A卷_第3页
3/13
. . 江苏省建设工程质量检测人员岗位合格证考核试卷钢筋混凝土用钢材A 卷(满分 100分,时间 80 分钟)姓名考试号单位一、单项选择题(每题1 分,共计 40 分)1、金属材料拉伸试验中对温度要求严格的试验,试验温度应在℃范围内进行。A、23±2 B、23±5 C、10~35 D、15~35 2、对于无明显屈服现象的钢材,试验中一般会进行Rp0.2 的测定,这里 Rp0.2表示。A、规定塑性延伸率为0.2%时的应力B、规定总延伸率为0.2%时的应力C、规定残余延伸率为0.2%时的应力D、规定延伸率为0.2%时的应力3、钢筋混凝土用热轧带肋钢筋的复验与判定应符合的规定。A、GB/T 2975-1998 B、GB/T 228-2010 C、GB/T 8170-2008 D、GB/T 17505-1998 4、原始标距与横截面积有00Lk S 关系的试样称为比例试样, 国际上使用的比例系数 k 的值为,原始标距应不小于。A、11.3 30mm B、5.65 15mm C、5.65 30mm D、11.3 15mm 5、钢筋拉伸试验屈服阶段中出现多个谷值应力,则下屈服强度为。A、最小谷值应力B、所有谷值应力的平均值C、舍去第一个谷值应力后的最小谷值应力D、第一个峰值应力6、进行冷轧带肋钢筋拉伸试验,当钢筋牌号为CRB650,公称直径为 6mm时,根据标准要求,原始标距应为。A、20mm B、30mm C、60mm D、100mm . . 7、钢筋混凝土用热轧带肋钢筋的力学工艺性能试验,每批试样数量应为 : 拉伸试样,弯曲试样。A、一个;一个B、一个;二个C、二个;二个D、二个;一个8、热轧带肋钢筋应按批进行检查和验收,每批应由同一牌号、同一炉罐号、同一规格的钢筋组成,每批重量不大于。A、30t B、60t C、50t D、100t 9、进行热轧带肋钢筋弯曲试验,当牌号为HRB400的钢筋公称直径为28mm时,弯芯直径为。A、84mm B、112mm C、140mm D、168mm 10、对于圆形横截面的产品, 应在标距的两端及中间三处两个相互垂直的方向测量试样的直径, 取其算术平均值计算三处的横截面积,此时试样的原始横截面积为这三处横截面积的。A、平均值B、最大值C、最小值D、中间值11、当钢筋用于有抗震设防要求的框架结构时,其纵向受力钢筋的强度应满足设计要求;当设计无具体要求时,对一、二级抗震等级,钢筋检验所得的强度值应符合。A、钢筋实测抗拉强度值与实测屈服强度值之比不应小于1.25 ;钢筋实测屈服强度值与屈服强度标准值之比不应大于1.30 ;B、钢筋实测抗拉强度值与实测屈服强度值之比不应小于1.30 ;钢筋实测屈服强度值与屈服强度标准值...

1、当您付费下载文档后,您只拥有了使用权限,并不意味着购买了版权,文档只能用于自身使用,不得用于其他商业用途(如 [转卖]进行直接盈利或[编辑后售卖]进行间接盈利)。
2、本站所有内容均由合作方或网友上传,本站不对文档的完整性、权威性及其观点立场正确性做任何保证或承诺!文档内容仅供研究参考,付费前请自行鉴别。
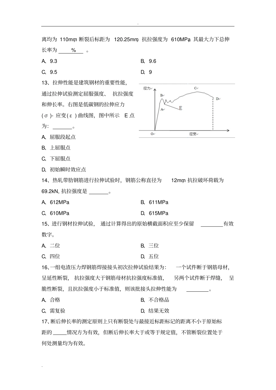
3、如文档内容存在违规,或者侵犯商业秘密、侵犯著作权等,请点击“违规举报”。

碎片内容

试题钢材A卷

确认删除?
VIP
微信客服
  • 扫码咨询
会员Q群
  • 会员专属群点击这里加入QQ群
客服邮箱
回到顶部