电脑桌面
添加小米粒文库到电脑桌面
安装后可以在桌面快捷访问

质量管理体系的范围

质量管理体系的范围_第1页
1/4
质量管理体系的范围_第2页
2/4
质量管理体系的范围_第3页
3/4
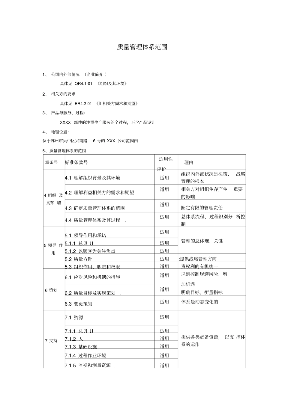
质量管理体系范围1、 公司内外部情况 (企业简介 )具体见 QR4.1-01《组织及其环境》2、 相关方的要求具体见 ER4.2-01 《组相关方需求和期望》3、 产品与服务、过程:XXXX 部件的注塑生产服务的全过程,不含产品设计4、 地理位置:位于苏州市吴中区兴南路6 号的 XXX 公司范围内5、质量管理体系的范围:章条号标准条款号适用性评价理由4 组织 及其环 境4.1 理解组织背景及其环境适用组织内外部状况是决策、战略管理的根本4.2 理解利益相关方的需求和期望适用相关方对组织生存产生重要的影响4.3 确定质量管理体系的范围适用圈定有限的管理责任4.4 质量管理体系及其过程. 适用总体系流程、过程识别分 析控制5 领导 作用5.1 领导作用和承诺 . 适用管理的总体现、关键5.1.1 总贝 U 适用5.1.2 以顾客为关注焦点适用5.2 质量方针适用:提供战略管理方向5.3 组织作用、职责和权限适用责权利的有机统一6 策划6.1 应对风险和机遇的措施适用识别控制规避风险、增加机遇6.2 质量目标及实现策划 . 适用明确目标、衡量指标6.3 变更策划适用体系是动态变化的7 支持7.1 资源适用提供各类必备资源, 以支 撑体系的运作7.1.1 总贝 U 适用7.1.2 人适用7.1.3 基础设施适用7.1.4 过程作业环境适用7.1.5 监视和测量资源 . 适用7.1.6 组织的知识适用7.2 能力适用掌握人力资源的能力要求及控制7.3 意识适用7.4 沟通适用内外部信息的沟通、 交 流,有效规避风险7.5 文件信息适用及时提供体系运作的信息载体和证据,证明体系的符合性、话宜性、有效 性、充分性等7.5.1 总则适用7.5.2 编制和更新适用7.5.3 文件信息控制 . 适用8 运行8.1 运行策划和控制 . 适用在产品实现全过程进行管控策划和运作指导8.2 产品和服务要求的确定适用明确产品和服务要求是基础,也是法律责任, 确 保准确、 及时、有效的要求信息8.2.1 顾客沟通适用8.2.2 产品和服务要求的确定适用8.2.3 产品和服务要求的评审适用8.3 产品和服务的设计与开发适用策划、设计产品和服务及其过程,以不断开发新产品、规避风险、平衡贸易、 掌握性价比、增加机遇, 提咼竞争力和市场占有 率8.3.1 总则适用8.3.2 设计和开发策划适用8.3.3 设计和开发输入适用8.3.4 设计和开发控制适用8.3.5 设计和开发输出适用8.3.6 设计和开发变更适用8.4 外部提供过程产品和服务的控制适用充分利用外部提供的资源,互利共赢,降低组织 资源...

1、当您付费下载文档后,您只拥有了使用权限,并不意味着购买了版权,文档只能用于自身使用,不得用于其他商业用途(如 [转卖]进行直接盈利或[编辑后售卖]进行间接盈利)。
2、本站所有内容均由合作方或网友上传,本站不对文档的完整性、权威性及其观点立场正确性做任何保证或承诺!文档内容仅供研究参考,付费前请自行鉴别。
3、如文档内容存在违规,或者侵犯商业秘密、侵犯著作权等,请点击“违规举报”。

碎片内容

质量管理体系的范围

确认删除?
VIP
微信客服
  • 扫码咨询
会员Q群
  • 会员专属群点击这里加入QQ群
客服邮箱
回到顶部