电脑桌面
添加小米粒文库到电脑桌面
安装后可以在桌面快捷访问

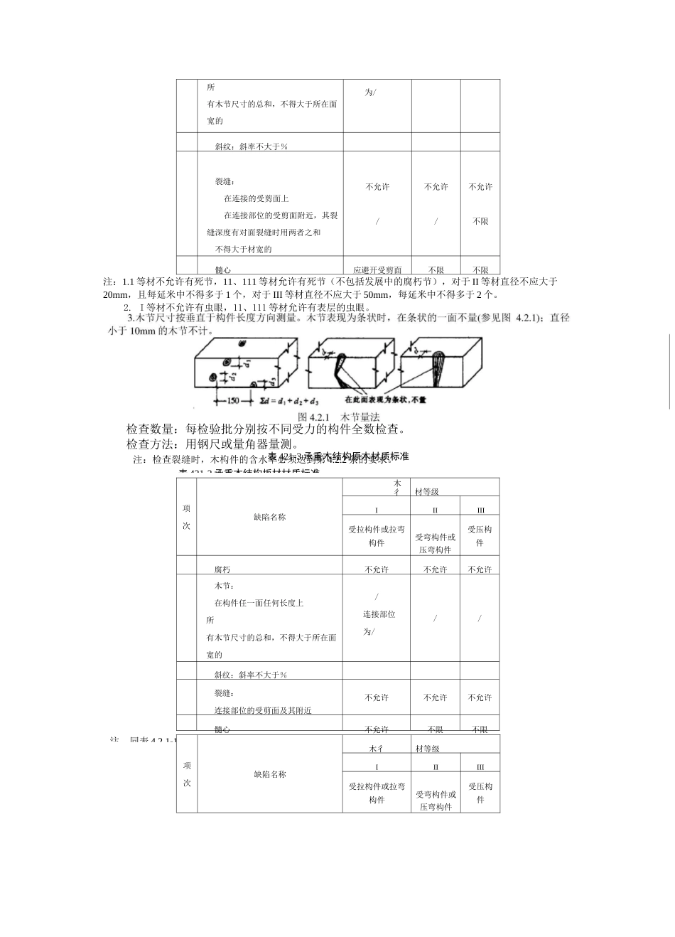
木结构施工质量验收规范

木结构施工质量验收规范_第1页
1/24
木结构施工质量验收规范_第2页
2/24
木结构施工质量验收规范_第3页
3/24
1.0.1 为了加强建筑工程质量管理,统一木结构工程施工质量的验收,保证工程质量,制定本规范。1.0.2 本规范适用于木结构工程施工质量的验收。1.0.3 木结构工程施工中的工程技术文件、承包合同文件对施工质量验收的要求不得低于本规范的规定。1.0.4 本规范应与现行国家标准《建筑工程施工质量验收统一标准》GB50300—2001 配套使用。1.0.5 木结构工程施工质量验收,除应执行本规范外,尚应符合国家现行有关标准的规定。2DD2.0.1 方木和原木结构 sawnandroundtimberstructures 方木(含板材)或原木组成的结构。2.0.2 齿连接 stepjoints 方木和原木桁架木压杆抵承在弦杆齿槽上传力的节点连接。2.0.3 胶合木结构 structuralglued-laminatedtimber 层板胶合木组成的结构。2.0.4 层板胶合木 glued-laminatedtimber(Glulam)将木纹平行于长度方向且厚度不大于 45mm 的木板层叠胶合的木制品。2.0.5 指形接头 Fingerjoints 将两块木板端头用铣刀切削成能相互啮合的指形序列,涂胶加压接长成为层板(lamination)。2.0.6 规格材 dimensionlumber 宽度和高度按规定尺寸加工的木材。2.0.7 轻型木结构 wood-frameconstruction将木基结构板材与间距不大于 600mm 侧立的规格材用钉连接成墙体、楼盖和屋盖,并组成框架式结构,用于 1〜3 层房屋。2.0.8 墙骨 studs轻型木结构墙体框架的主要受压构件,采用宽度为 40mm,高度为 90〜140mm 的规格材。2.0.9 搁栅 joists轻型木结构楼盖或屋盖的侧立受弯构件,采用高度等于或大于 115mm 的规格材。2.0.10 木基结构板材 structuralwood-basedpanel用于承重结构的木基复合板材(wood-basedpanel),包括结构胶合板和定向木片板,可用于轻型木结构的墙面板、楼面板和屋面板。2.0.11 结构胶合板 structuralplywood 采用耐水胶粘结专用于受力构件的胶合板。2.0.12 定向木片板 orientedstrandboard(OSB)将长度不小于 30mm 的薄木片施胶分层定向铺装加压制成的木片板,面层薄木片的定向与板材的长度方向一致。2.0.13 结构复合木材 structuralcompositelumber(SCL)可用于轻型木结构的楼盖主梁、屋脊梁,包括旋切板胶合木和旋切片胶合木。2.0.14 旋切板胶合木 laminatedveneerlumber(LVL)将旋切的厚单板(厚度 2.5〜6.4mm)顺木纹层叠胶合热压而成。2.0.15 旋切片胶合木由旋切木片(厚度 2.5〜6.4mm,长度至少为厚度的 150 倍)顺木纹胶合热压而成,有以下两种性能类同的产品:平行...

1、当您付费下载文档后,您只拥有了使用权限,并不意味着购买了版权,文档只能用于自身使用,不得用于其他商业用途(如 [转卖]进行直接盈利或[编辑后售卖]进行间接盈利)。
2、本站所有内容均由合作方或网友上传,本站不对文档的完整性、权威性及其观点立场正确性做任何保证或承诺!文档内容仅供研究参考,付费前请自行鉴别。
3、如文档内容存在违规,或者侵犯商业秘密、侵犯著作权等,请点击“违规举报”。

碎片内容

木结构施工质量验收规范

您可能关注的文档

确认删除?
VIP
微信客服
  • 扫码咨询
会员Q群
  • 会员专属群点击这里加入QQ群
客服邮箱
回到顶部