电脑桌面
添加小米粒文库到电脑桌面
安装后可以在桌面快捷访问

起重吊装安全检查表

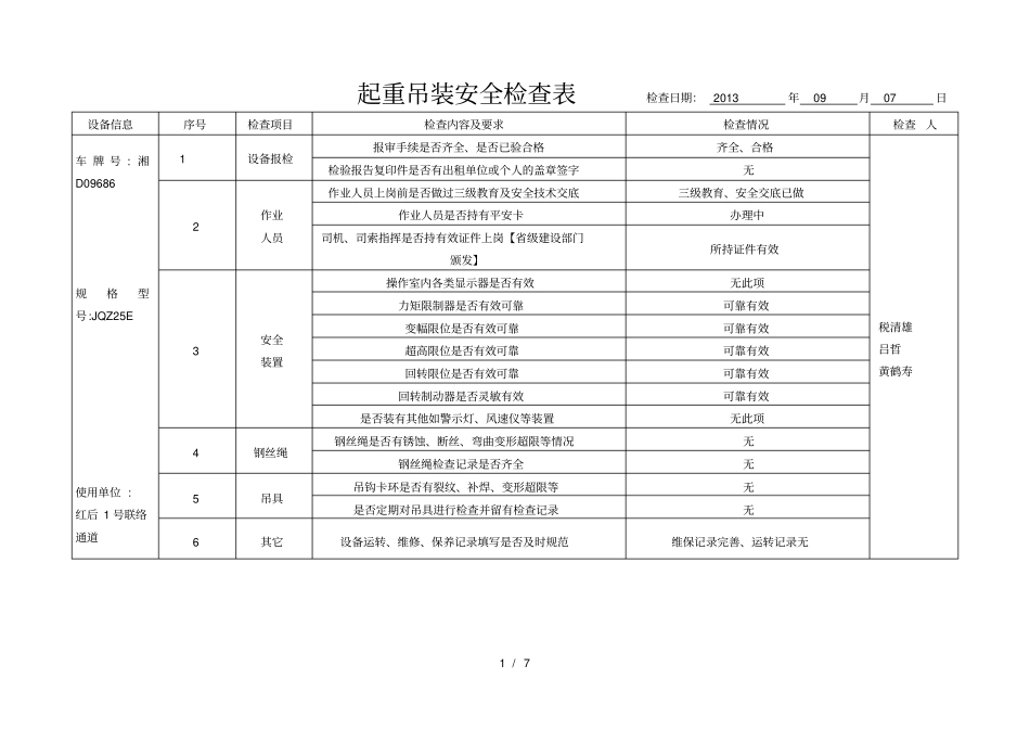
起重吊装安全检查表_第1页
1/7
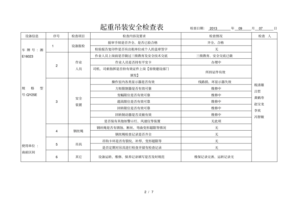
起重吊装安全检查表_第2页
2/7
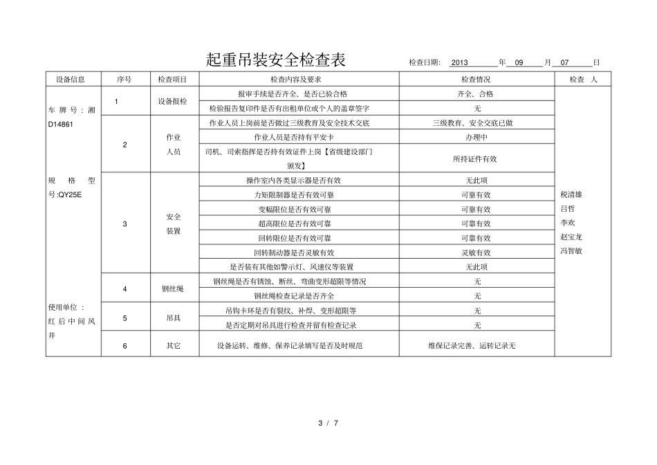
起重吊装安全检查表_第3页
3/7
1 / 7 起重吊装安全检查表检查日期: 2013 年 09 月 07 日设备信息序号检查项目检查内容及要求检查情况检查人车 牌 号 : 湘D09686 规格型号:JQZ25E 使用单位 : 红后 1 号联络通道 1 设备报检报审手续是否齐全、是否已验合格齐全、合格税清雄吕哲黄鹤寿检验报告复印件是否有出租单位或个人的盖章签字无2 作业人员作业人员上岗前是否做过三级教育及安全技术交底三级教育、安全交底已做作业人员是否持有平安卡办理中司机、司索指挥是否持有效证件上岗【省级建设部门颁发】所持证件有效3 安全装置操作室内各类显示器是否有效无此项力矩限制器是否有效可靠可靠有效变幅限位是否有效可靠可靠有效超高限位是否有效可靠可靠有效回转限位是否有效可靠可靠有效回转制动器是否灵敏有效可靠有效是否装有其他如警示灯、风速仪等装置无此项4 钢丝绳钢丝绳是否有锈蚀、断丝、弯曲变形超限等情况无钢丝绳检查记录是否齐全无5 吊具吊钩卡环是否有裂纹、补焊、变形超限等无是否定期对吊具进行检查并留有检查记录无6 其它设备运转、维修、保养记录填写是否及时规范维保记录完善、运转记录无2 / 7 起重吊装安全检查表检查日期: 2013 年 09 月 07 日设备信息序号检查项目检查内容及要求检查情况检查人车 牌 号 : 湘E16023 规格型号:QY25E 使用单位 : 南前区间 1 设备报检报审手续是否齐全、是否已验合格齐全、合格税清雄吕哲黄鹤寿赵宝龙李欢冯智敏检验报告复印件是否有出租单位或个人的盖章签字无2 作业人员作业人员上岗前是否做过三级教育及安全技术交底三级教育、安全交底已做作业人员是否持有平安卡办理中司机、司索指挥是否持有效证件上岗【省级建设部门颁发】所持证件有效3 安全装置操作室内各类显示器是否有效线路损、坏显示器失效力矩限制器是否有效可靠维修中变幅限位是否有效可靠维修中超高限位是否有效可靠维修中回转限位是否有效可靠维修中回转制动器是否灵敏有效维修中是否装有其他如警示灯、风速仪等装置无此项4 钢丝绳钢丝绳是否有锈蚀、断丝、弯曲变形超限等情况无钢丝绳检查记录是否齐全无5 吊具吊钩卡环是否有裂纹、补焊、变形超限等无是否定期对吊具进行检查并留有检查记录无6 其它设备运转、维修、保养记录填写是否及时规范维保记录完善、运转记录无3 / 7 起重吊装安全检查表检查日期: 2013 年 09 月 07 日设备信息序号检查项目检查内容及要求检查情况检查人车 牌 号 : 湘D14861...

1、当您付费下载文档后,您只拥有了使用权限,并不意味着购买了版权,文档只能用于自身使用,不得用于其他商业用途(如 [转卖]进行直接盈利或[编辑后售卖]进行间接盈利)。
2、本站所有内容均由合作方或网友上传,本站不对文档的完整性、权威性及其观点立场正确性做任何保证或承诺!文档内容仅供研究参考,付费前请自行鉴别。
3、如文档内容存在违规,或者侵犯商业秘密、侵犯著作权等,请点击“违规举报”。

碎片内容

起重吊装安全检查表

确认删除?
VIP
微信客服
  • 扫码咨询
会员Q群
  • 会员专属群点击这里加入QQ群
客服邮箱
回到顶部