电脑桌面
添加小米粒文库到电脑桌面
安装后可以在桌面快捷访问

路基涵背注浆加固施工方案

路基涵背注浆加固施工方案_第1页
1/7
路基涵背注浆加固施工方案_第2页
2/7
路基涵背注浆加固施工方案_第3页
3/7
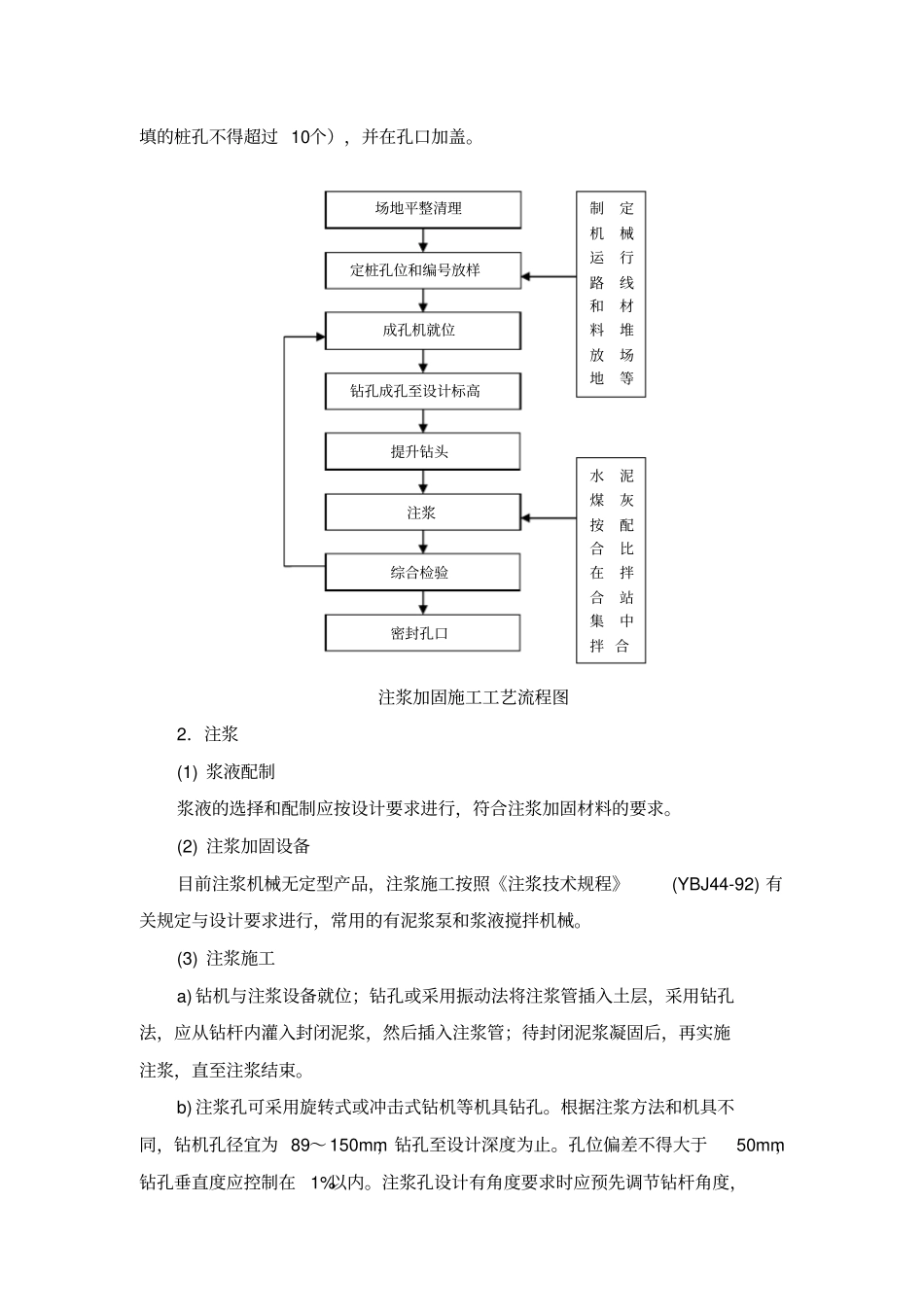
路基涵背注浆加固施工方案一、工程概况ZK214+255~+350段路基为整体式路基,单线宽度12.25m,加上中间环岛区域路基总宽度 59.5m。下设单孔 6x4通道一座, 双孔 6x4涵洞一座。 路基填料主要为隧道弃渣等透水性材料。尽管在施工过程中采取了一定措施,但由于施工工期短,工后沉降时间几乎没有,不能满足《陕西省公路建设工程质量工作要点》(2009版)的有关路基填筑及“三背回填”的要求。为确保工程质量,彻底杜绝通车后台背跳车现象,我标段积极响应管理处、总监办的号召,并借鉴省内其他项目的成功经验的同时,结合本项目工程实际情况,经十堰至天水高速公路陕西段安康西管理处研究决定,对ZK214+255~+350段路基涵背进行加固处理。二、施工准备1、了解施工场地的工程地质条件和环境情况,收集如下资料:(1)施工钻探资料,地基土或其他填料的试验资料。(2)场地构造物平面定位图。(3)施工场地内外、 地面上下有无影响施工的障碍物,如施工区域的净空要求、地下管线的布设情况等。(4)主要施工机械及配套设备的技术性能情况和目前的状态。(5)工程的施工技术要求等, 避免盲目进场后无法施工或施工难度大。必要时可进行简易的施工勘察或向有关方面提出合理对策,为施工创造条件。2、编制好施工技术方案及相应的技术措施。主要有:(1)绘制施工平面图, 标明孔位位置及编号、 施工顺序即施工机械运行路线、临时设施和材料堆放位置,确定成孔和注浆机械及施工工艺等相关技术参数。确定施工质量检验工具和方法。(2)编制施工作业计划、材料供应计划、劳动组织计划、施工进度安排等有关施工方法事宜。3、按设计做好场地平整工作。施工结束后,将注浆孔口用水泥砂浆密封;清除施工场地内的废弃填料;雨季施工时做好防、排水措施;4、注浆孔可采用旋转式或冲击式钻机等机具钻孔。根据注浆方法和机具不同,钻机孔径宜为 89~ 150mm.钻孔至设计深度为止。孔位偏差不得大于50mm,钻孔垂直度应控制在1%以内。注浆孔设计有角度要求时应预先调节钻杆角度,倾角偏差不大于 2° 。5.在不同季节、不同气温条件下施工,应注意温度对浆液性能的影响,并及时调整浆液配比,保持浆液性能的稳定以确保注浆质量和效果。夏季炎热条件下注浆施工时, 用水温度不得超过 30℃~ 35℃,并应避免浆液暴露在阳光下,以防加速浆液凝固。6.施工场地达到三通一平后,应首先进行成孔和注浆试验。若场地填料变化较大时, 应进行不少于 2组的成孔注浆试验...

1、当您付费下载文档后,您只拥有了使用权限,并不意味着购买了版权,文档只能用于自身使用,不得用于其他商业用途(如 [转卖]进行直接盈利或[编辑后售卖]进行间接盈利)。
2、本站所有内容均由合作方或网友上传,本站不对文档的完整性、权威性及其观点立场正确性做任何保证或承诺!文档内容仅供研究参考,付费前请自行鉴别。
3、如文档内容存在违规,或者侵犯商业秘密、侵犯著作权等,请点击“违规举报”。

碎片内容

路基涵背注浆加固施工方案

您可能关注的文档

确认删除?
VIP
微信客服
  • 扫码咨询
会员Q群
  • 会员专属群点击这里加入QQ群
客服邮箱
回到顶部