电脑桌面
添加小米粒文库到电脑桌面
安装后可以在桌面快捷访问

轧钢工艺详解

轧钢工艺详解_第1页
1/29
轧钢工艺详解_第2页
2/29
轧钢工艺详解_第3页
3/29
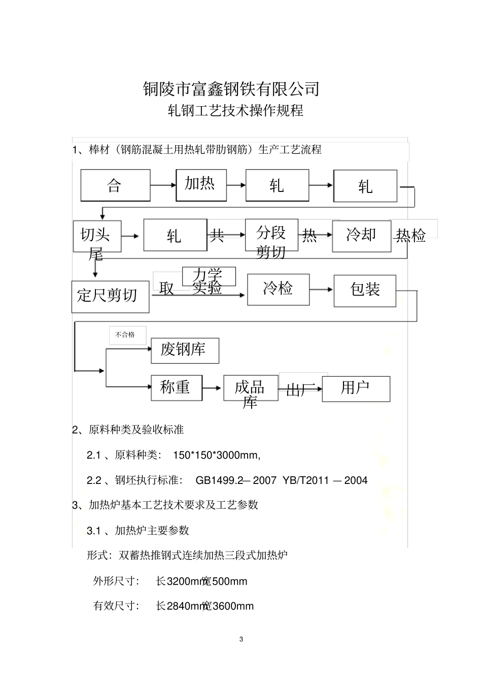
轧钢工艺 ( 完整版 ) 详解2 铜陵市富鑫钢铁有限公司编号: FX-08-2011 版本/ 修订: 1/1轧钢工艺技术操作规程起草:审核:批准:受控状态:分 发 号:二〇一二年六月十六日修订即日起颁布实施3 铜陵市富鑫钢铁有限公司轧钢工艺技术操作规程1、棒材(钢筋混凝土用热轧带肋钢筋)生产工艺流程2、原料种类及验收标准2.1 、原料种类: 150*150*3000mm, 2.2 、钢坯执行标准: GB1499.2— 2007 YB/T2011 — 2004 3、加热炉基本工艺技术要求及工艺参数3.1 、加热炉主要参数形式:双蓄热推钢式连续加热三段式加热炉外形尺寸:长3200mm宽500mm 有效尺寸:长2840mm宽3600mm 合加热轧轧切头尾热共轧分段剪切热检冷却取力学实验冷检包装定尺剪切不合格废钢库称重成品库出厂用户4 3.2 、加热炉点火前的准备工作点火前应对炉子进行全面的系统地检查和煤气防烛实验,并严格执行公司 《煤气系统操作管理规程》 ,点火前 15 分钟启动风机, 提起烟道闸板,开启所有的仪表控制系统并检查无异后进行加热炉正常操作。3.3 、加热制度为使钢筋产品质量得到控制,加热炉温度应分段控制如下:HRB500 、 HRB 500E 控制温度为:φ 12- φ 18 控制温度为预热段600℃-700 ℃加热段 1180℃-1200 ℃均热段 1150℃-1180 ℃φ 20- φ 22 控制温度为预热段630℃-750℃加热段 1200℃-1230 ℃均热段 1180℃-1200 ℃φ 25 控制温度为预热段650℃-800℃加热段 1220℃-1250 ℃均热段 1180℃-1230 ℃φ 28 控制温度为预热段 750℃-850℃ 加热段 1220℃-1250 ℃均热段 1220℃-1250 ℃HRB400HRB400E 控制温度为:φ 12- φ 18 控制温度为预热段550℃-650 ℃加热段 1150℃-1200 ℃均热段 1150℃-1180 ℃φ 20- φ 22 控制温度为预热段600℃-700 ℃加热段 1180℃-1220 ℃均热段 1150℃-1180 ℃φ 25 控制温度为预热段600℃-750 ℃加热段 1200℃-1230 ℃均热段 1150℃-1220 ℃φ 28 控制温度为预热段700℃-850 ℃加热段 1200℃-1250 ℃均热段 1200℃-1250 ℃为使钢筋终轧温度控制在1000-1100℃,钢坯出炉温度应控制在1150℃-1200℃, 即均热段的温度为1150℃-1200℃. 头炉炉膛压力应保持微正压,防止冷风吸入。为保护不用的烧嘴,空气蝶阀应有1/5 开度。开轧前 15-25 分钟升温,待轧时间超过15 分钟,炉温要根据炉5 况情况适当降温,以防粘钢。4、钢坯吊运管理规定4.1 、接收钢坯...

1、当您付费下载文档后,您只拥有了使用权限,并不意味着购买了版权,文档只能用于自身使用,不得用于其他商业用途(如 [转卖]进行直接盈利或[编辑后售卖]进行间接盈利)。
2、本站所有内容均由合作方或网友上传,本站不对文档的完整性、权威性及其观点立场正确性做任何保证或承诺!文档内容仅供研究参考,付费前请自行鉴别。
3、如文档内容存在违规,或者侵犯商业秘密、侵犯著作权等,请点击“违规举报”。

碎片内容

轧钢工艺详解

确认删除?
VIP
微信客服
  • 扫码咨询
会员Q群
  • 会员专属群点击这里加入QQ群
客服邮箱
回到顶部