电脑桌面
添加小米粒文库到电脑桌面
安装后可以在桌面快捷访问

轧钢机轧辊辊缝调整装置-----压下装置

轧钢机轧辊辊缝调整装置-----压下装置_第1页
1/15
轧钢机轧辊辊缝调整装置-----压下装置_第2页
2/15
轧钢机轧辊辊缝调整装置-----压下装置_第3页
3/15
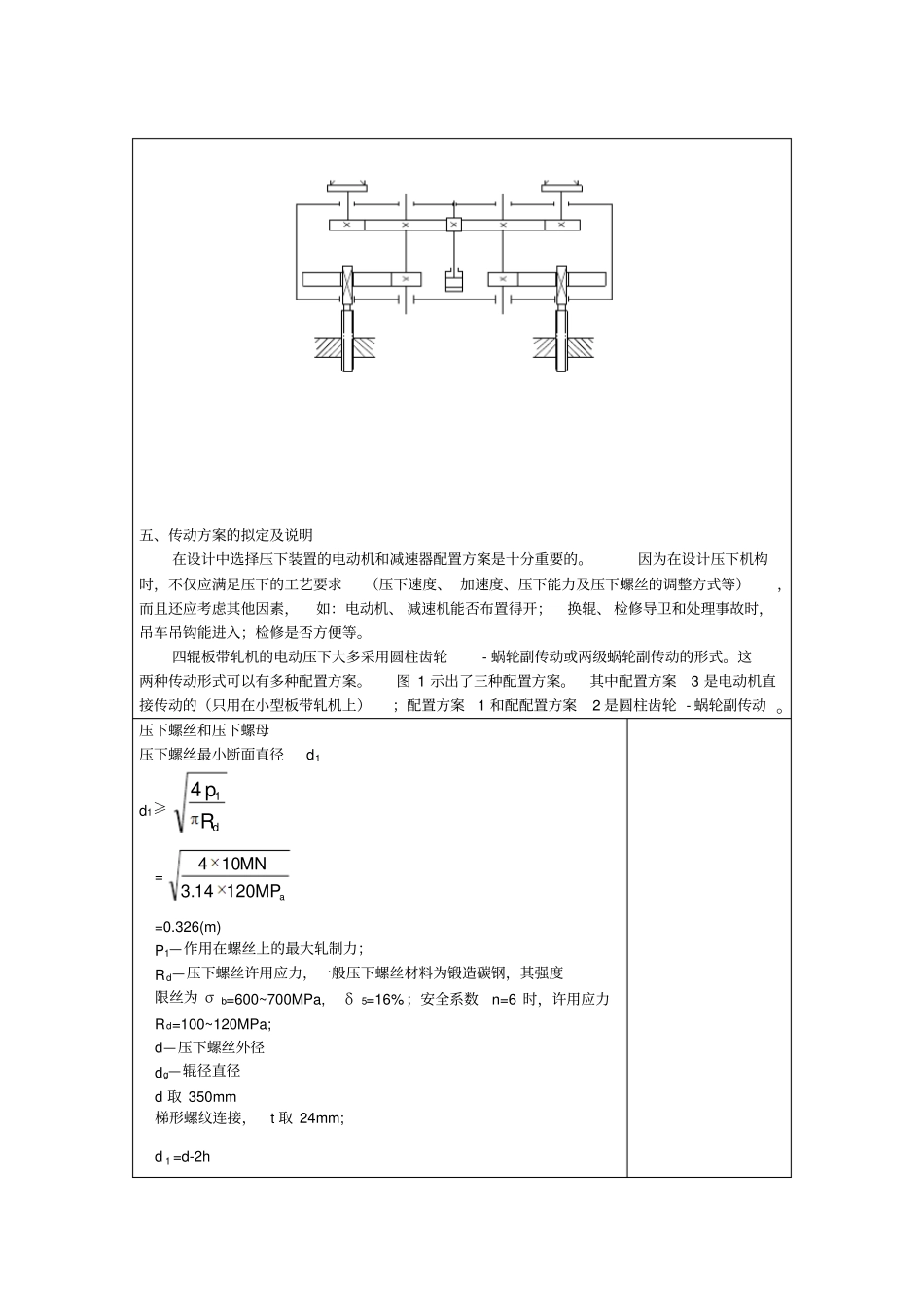
课程设计任务书设计题目 :轧钢机轧辊辊缝调整装置-----压下装置机械学院: 机械设计制造及自动化052 设计者:秦海山( 2005441453)指导老师:陈祥伟2008-6-25 设计说明书设计题目: 轧钢机轧辊辊缝调整装置 -----压下装置一、设计目的此次课程设计目的主要是让同学们对轧辊机械的压下装置有进一步的了解,通过此次课程设计,让我们对整个压下机构的工作原理和一些主要零部件的结构有更深刻的认识。二、设计内容及要求1、制定三种方案,选择其一2、计算压下机构驱动功率;3、对压下机构的工作系统或零件进行机构设计及关键零件力能参数的验算4、画出压下机构装配图或工作系统简图5、画出关键零件的零件图(选择一个)6、完成 4000— 5000 字左右的设计说明书三、设计参数热轧带钢生产成精轧机组的轧制力设计能力为20MNM,上轧辊向调整升降速变为1mm/s,最大工作行程为20mm。电动压下是最常使用的上辊调整装置,通常包括,电动机、减速器、制动器、压下螺丝、压下螺母、压下位置指示器、球面垫块和测压仪等部件。四、传动方案的拟定及说明在设计中选择压下装置的电动机和减速器配置方案是十分重要的。因为在设计压下机构时,不仅应满足压下的工艺要求(压下速度、 加速度、压下能力及压下螺丝的调整方式等),而且还应考虑其他因素,如:电动机、 减速机能否布置得开;换辊、 检修导卫和处理事故时,吊车吊钩能进入;检修是否方便等。四辊板带轧机的电动压下大多采用圆柱齿轮- 蜗轮副传动或两级蜗轮副传动的形式。这两种传动形式可以有多种配置方案。图 1 示出了三种配置方案。其中配置方案3 是电动机直接传动的(只用在小型板带轧机上);配置方案1 和配置方案2 是圆柱齿轮 - 蜗轮副传动。四、对压下装置的要求是:1、采用惯性较小的传动系统,以便频繁地启动,制动;2、有较高的传动效率和工作可靠性;3、必须有克服压下螺丝阻塞事故(“坐辊” 或“卡钢”)的措施。电动压下装置配置方案简图如下:五、传动方案的拟定及说明在设计中选择压下装置的电动机和减速器配置方案是十分重要的。因为在设计压下机构时,不仅应满足压下的工艺要求(压下速度、 加速度、压下能力及压下螺丝的调整方式等),而且还应考虑其他因素,如:电动机、 减速机能否布置得开;换辊、 检修导卫和处理事故时,吊车吊钩能进入;检修是否方便等。四辊板带轧机的电动压下大多采用圆柱齿轮- 蜗轮副传动或两级蜗轮副传动的形式。这两种传动形式可...

1、当您付费下载文档后,您只拥有了使用权限,并不意味着购买了版权,文档只能用于自身使用,不得用于其他商业用途(如 [转卖]进行直接盈利或[编辑后售卖]进行间接盈利)。
2、本站所有内容均由合作方或网友上传,本站不对文档的完整性、权威性及其观点立场正确性做任何保证或承诺!文档内容仅供研究参考,付费前请自行鉴别。
3、如文档内容存在违规,或者侵犯商业秘密、侵犯著作权等,请点击“违规举报”。

碎片内容

轧钢机轧辊辊缝调整装置-----压下装置

确认删除?
VIP
微信客服
  • 扫码咨询
会员Q群
  • 会员专属群点击这里加入QQ群
客服邮箱
回到顶部