电脑桌面
添加小米粒文库到电脑桌面
安装后可以在桌面快捷访问

最终灭菌医疗器械的包装验证方案2

最终灭菌医疗器械的包装验证方案2_第1页
1/12
最终灭菌医疗器械的包装验证方案2_第2页
2/12
最终灭菌医疗器械的包装验证方案2_第3页
3/12
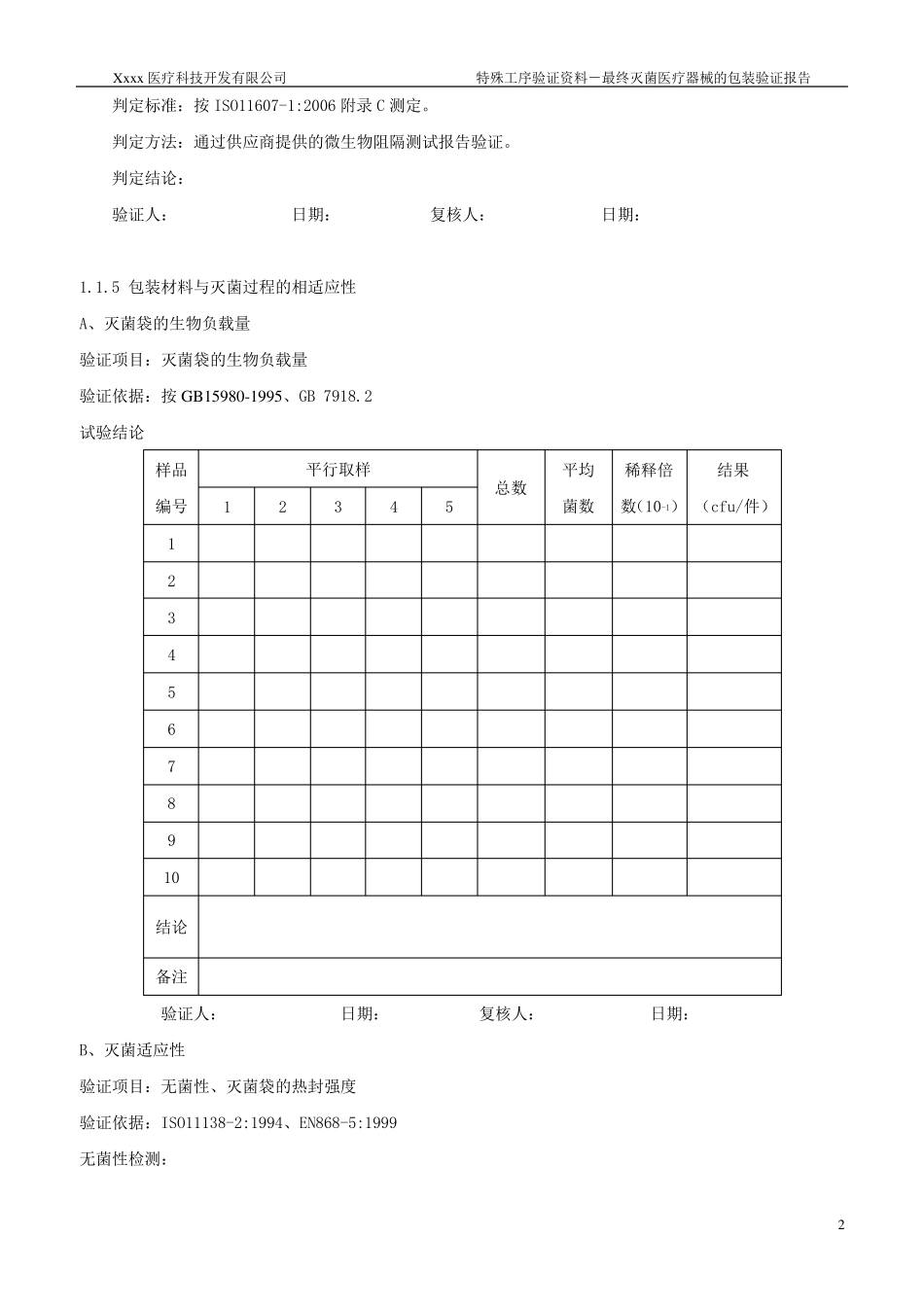
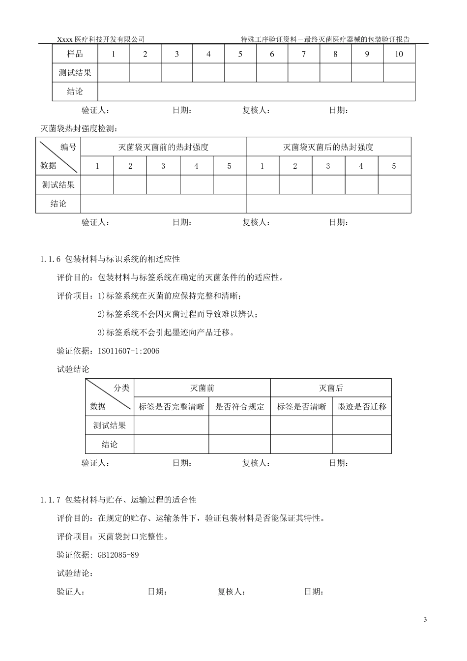
Xxxx医疗科技开发有限公司 特殊工序验证资料-最终灭菌医疗器械的包装验证报告 1 最终灭菌医疗器械的包装验证报告 1.0 包装材料和系统的验证 1.1 包装材料的选择评估内容: 1.1.1 包装材料的物理化学特性 评价目的:可供选择的包装材料基本的物理、化学性能符合产品要求。 评价项目:对包装材料进行物理特性(如外观、克重、厚度、透气性、耐水度、撕裂强度等)、化学特性(如薄膜的溶出物指标、pH 值、氯、硫含量等)的评价。 判定方法:通过确认供应商提供的质量保证书验证。 判定结论: 验证人: 日期: 复核人: 日期: 1.1.2 包装材料的毒理学特征 评价项目:确认包装材料不应释放出足以损害健康的毒性物质。 评价项目:对包装材料进行细胞毒性试验、皮内反应试验、皮肤致敏试验、急性全身毒性试验和溶血试验; 判定方法:通过供应商提供的生物相容性与毒性测试报告验证。 判定结论: 验证人: 日期: 复核人: 日期: 1.1.3 包装材料与成型和密封过程的适应性 评价目的:确认包装材料与成型和密封过程的适应性。 评价项目:外观、热封强度、包装完整性。 判定方法:通过供应商提供的相关测试报告验证。 判定结论: 验证人: 日期: 复核人: 日期: 1.1.4 包装材料的微生物屏障特性 评价目的:确认包装材料对微生物的屏障特性,以确保维持灭菌后产品的无菌性。 评价项目:对灭菌袋 (PET/PE 薄膜+医用 透析 纸 包装)进行微生物屏障特性试验。 Xxxx医疗科技开发有限公司 特殊工序验证资料-最终灭菌医疗器械的包装验证报告 2 判定标准:按ISO11607-1:2006 附录C 测定。 判定方法:通过供应商提供的微生物阻隔测试报告验证。 判定结论: 验证人: 日期: 复核人: 日期: 1.1.5 包装材料与灭菌过程的相适应性 A、灭菌袋的生物负载量 验证项目:灭菌袋的生物负载量 验证依据:按GB15980-1995、GB 7918.2 试验结论 样品编号 平行取样 总数 平均 菌数 稀释倍数(10-1) 结果 (cfu/件) 1 2 3 4 5 1 2 3 4 5 6 7 8 9 10 结论 备注 验证人: 日期: 复核人: 日期: B、灭菌适应性 验证项目:无菌性、灭菌袋的热封强度 验证依据:ISO11138-2:1994、EN868-5:1999 无菌性检测: Xxxx医疗科技开发有限公司 特殊工序验证资料-最终灭菌医疗器械的包装验证报告 3 样品 1 2 3 4 5 6 7 8 9 10 测试结果 结论 验证人: 日期: 复...

1、当您付费下载文档后,您只拥有了使用权限,并不意味着购买了版权,文档只能用于自身使用,不得用于其他商业用途(如 [转卖]进行直接盈利或[编辑后售卖]进行间接盈利)。
2、本站所有内容均由合作方或网友上传,本站不对文档的完整性、权威性及其观点立场正确性做任何保证或承诺!文档内容仅供研究参考,付费前请自行鉴别。
3、如文档内容存在违规,或者侵犯商业秘密、侵犯著作权等,请点击“违规举报”。

碎片内容

最终灭菌医疗器械的包装验证方案2

确认删除?
VIP
微信客服
  • 扫码咨询
会员Q群
  • 会员专属群点击这里加入QQ群
客服邮箱
回到顶部