电脑桌面
添加小米粒文库到电脑桌面
安装后可以在桌面快捷访问

最详细的斜齿轮参数化画法

最详细的斜齿轮参数化画法_第1页
1/29
最详细的斜齿轮参数化画法_第2页
2/29
最详细的斜齿轮参数化画法_第3页
3/29
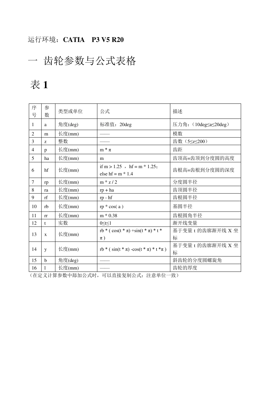
运行环境:CATIA P3 V5 R20 一 齿轮参数与公式表格 表 1 序号 参数 类型或单位 公式 描述 1 a 角度(deg) 标准值:20deg 压力角:(10deg≤a≤20deg) 2 m 长度(mm) —— 模数 3 z 整数 —— 齿数(5≤z≤200) 4 p 长度(mm) m * π 齿距 5 ha 长度(mm) m 齿顶高=齿顶到分度圆的高度 6 hf 长度(mm) if m > 1.25 ,hf = m * 1.25; else hf = m * 1.4 齿根高=齿根到分度圆的深度 7 rp 长度(mm) m * z / 2 分度圆半径 8 ra 长度(mm) rp + ha 齿顶圆半径 9 rf 长度(mm) rp - hf 齿根圆半径 10 rb 长度(mm) rp * cos( a ) 基圆半径 11 rr 长度(mm) m * 0.38 齿根圆角半径 12 t 实数 0≤t≤1 渐开线变量 13 x 长度(mm) rb * ( cos(t * π) +sin(t * π) * t * π ) 基于变量 t 的齿廓渐开线 X 坐标 14 y 长度(mm) rb * ( sin(t * π) -cos(t * π) * t *π ) 基于变量 t 的齿廓渐开线 X 坐标 15 b 角度(deg) —— 斜齿轮的分度圆螺旋角 16 l 长度(mm) —— 齿轮的厚度 (在定义计算参数中舔加公式时,可以直接复制公式:注意单位一致) 图 1 二、参数与公式的设置 1 、点击 中的工具,选择“选项”,出现如下界面,操作如图 选上蓝色圈内的选项,然后 同样选上蓝色圈内的选项 三、新建零件图 1、点击“文件”——“新建”——“part”——命名为“参数齿轮” 2、点击“开始”——“形状”——“创成式外形设计”——“参数齿轮” 零件树如下: 四、定义原始参数 点击 f(x),出现界面 输入参数,首先确定参数的类型,与表 1 中的参数类型相同,如 a=20deg 表示角度,m=4mm 表示长度,z=30 表示整数,如图 五、定义计算参数 第一步确定参数类型,在此,全是长度,然后输入相关字母,如:h a、h f,然后点击“添加公式”,开始编辑公式 在1 中可以直接输入参数,也可以双击2 中的参数 这时零件树如下图,检查参数是否正确 六、定义渐开线法则曲线 渐开线 x 和 y 的规则公式: x = rb * ( cos(t * PI*1rad) +sin(t * PI*1rad) * t * PI ) y = rb * (sin (t * PI*1rad)-cos(t * PI*1rad) * t * PI ) 点击 找出 点击 fog,出现 在名称中输入x ,确定 同理,y 的输入也一样的,输入完成后,在零件树上的关系式 七...

1、当您付费下载文档后,您只拥有了使用权限,并不意味着购买了版权,文档只能用于自身使用,不得用于其他商业用途(如 [转卖]进行直接盈利或[编辑后售卖]进行间接盈利)。
2、本站所有内容均由合作方或网友上传,本站不对文档的完整性、权威性及其观点立场正确性做任何保证或承诺!文档内容仅供研究参考,付费前请自行鉴别。
3、如文档内容存在违规,或者侵犯商业秘密、侵犯著作权等,请点击“违规举报”。

碎片内容

最详细的斜齿轮参数化画法

小辰9+ 关注
实名认证
内容提供者

出售各种资料和文档

确认删除?
VIP
微信客服
  • 扫码咨询
会员Q群
  • 会员专属群点击这里加入QQ群
客服邮箱
回到顶部