电脑桌面
添加小米粒文库到电脑桌面
安装后可以在桌面快捷访问

有砟轨道工程施工方案VIP专享

有砟轨道工程施工方案_第1页
1/40
有砟轨道工程施工方案_第2页
2/40
有砟轨道工程施工方案_第3页
3/40
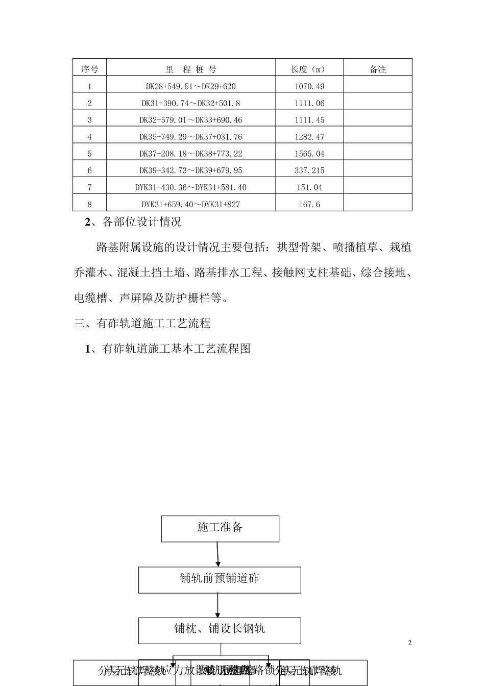
1 有砟轨道施工方案 一、编制依据 1.1 铁道部颁布《客运专线》(TB10751-2010 J 1147-2011); 1.2 铁道部颁布《高速铁路路基工程施工技术指南》铁建设[2010]241号; 1.3 铁道部颁布《铁路混凝土工程施工技术指南》铁建设[2010]241号; 1.4 铁道部颁布《铁路混凝土工程施工质量验收标准》(TB10424-2010 J 1155-2011); 1.5《客运专线铁路工程质量安全监控要点手册》工管技[2009]77 号; 1.6《铁路工程基本作业施工安全技术规程》(TB10301-2009); 1.7 武冈城际铁路路基工程施工图及《武冈城际铁路路基工程设计总说明及详图集》; 1.8《武冈城际客运专线施工图设计文件》; 1.9 建设单位、设计单位、监理单位的相关文件通知; 1.10 设计单位下发的相关路基施工图; 1.11 中铁十六局武冈城际铁路联合体项目部二分部编制的《总体施工组织设计》。 二、工程概况 1 、路基总况 本标段范围内的路基总况见表 1-1。 表 1-1 本标段路基总况 2 序号 里 程 桩 号 长度(m) 备注 1 DK28+549.51~DK29+620 1070.49 2 DK31+390.74~DK32+501.8 1111.06 3 DK32+579.01~DK33+690.46 1111.45 4 DK35+749.29~DK37+031.76 1282.47 5 DK37+208.18~DK38+773.22 1565.04 6 DK39+342.73~DK39+679.95 337.215 7 DYK31+430.36~DYK31+581.40 151.04 8 DYK31+659.40~DYK31+827 167.6 2 、各部位设计情况 路基附属设施的设计情况主要包括:拱型骨架、喷播植草、栽植乔灌木、混凝土挡土墙、路基排水工程、接触网支柱基础、综合接地、电缆槽、声屏障及防护栅栏等。 三、有砟轨道施工工艺流程 1 、有砟轨道施工基本工艺流程图 施工准备 铺轨前预铺道砟 铺枕、铺设长钢轨 单元轨焊接 分层上砟整轨 分层上砟整轨 单元轨焊接 应力放散、无缝线路锁定 轨道整理钢轨预打磨 竣工验收 3 四、工艺操作 (一)底层道砟铺设 1 、质量标准及检验方法 1)、京沪高速铁路摊铺用道砟应符合《客运专线铁路轨道工程施工技术指南》(TZ211-2005)中特级碎石道砟的材质要求。 检验方法:查验道砟厂建厂检验证书、生产检验证书和产品合格证。 2)、道砟进厂时的粒径级配、颗粒形状及清洁度应符合铁路碎 4 石道砟技术条件的规定。 检验方法:采用筛分、专用量规或特定检验。每 5000m 3 为一批,不足 5000 m 3 时亦按一批计。每批抽检一次。 3)、底层道砟应采用压强不小于 160kPa ...

1、当您付费下载文档后,您只拥有了使用权限,并不意味着购买了版权,文档只能用于自身使用,不得用于其他商业用途(如 [转卖]进行直接盈利或[编辑后售卖]进行间接盈利)。
2、本站所有内容均由合作方或网友上传,本站不对文档的完整性、权威性及其观点立场正确性做任何保证或承诺!文档内容仅供研究参考,付费前请自行鉴别。
3、如文档内容存在违规,或者侵犯商业秘密、侵犯著作权等,请点击“违规举报”。

碎片内容

有砟轨道工程施工方案

确认删除?
VIP
微信客服
  • 扫码咨询
会员Q群
  • 会员专属群点击这里加入QQ群
客服邮箱
回到顶部