电脑桌面
添加小米粒文库到电脑桌面
安装后可以在桌面快捷访问

有限元分析大作业

有限元分析大作业_第1页
1/14
有限元分析大作业_第2页
2/14
有限元分析大作业_第3页
3/14
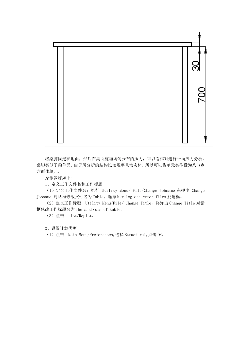
基 于 ANSYS 软 件 的 有 限 元 分 析 报 告 机 制 1205 班 杜 星 宇 U201210671 一 、 概 述 本 次 大 作 业 主 要 利 用 ANSYS 软 件 对 桌 子 的 应 力 和 应 变 进 行 分 析 ,计 算 出 桌 子 的 最 大 应 力和 应 变 。然 后 与 实 际 情 况 进 行 比 较 ,证 明 分 析 的 正 确 性 ,从 而 为 桌 子 的 优 化 分 析 提 供 了 充 分 的理 论 依 据 , 并 且 通 过 对 ANSYS 软 件 的 实 际 操 作 深 刻 体 会 有 限 元 分 析 方 法 的 基 本 思 想 , 对 有 限元 分 析 方 法 的 实 际 应 用 有 一 个 大 致 的 认 识 。 二 、 问 题 分 析 已 知 : 桌 子 几 何 尺 寸 如 图 所 示 , 单 位 为 mm。 假 设 桌 子 的 四 只 脚 同 地 面 完 全 固 定 , 桌 子上 存 放 物 品 , 物 品 产 生 的 均 匀 分 布 压力 作 用 在桌 面 , 压力 大 小等于 300Pa, 其中弹性 模量E=9.3GPa, 泊松比 μ=0.35, 密度ρ=560kg/m3, 分 析 桌 子 的 变 形和 应 力 。 将桌脚固定在地面,然后在桌面施加均匀分布的压力,可以看作对进行平面应力分析,桌脚类似于梁单元。由于所分析的结构比较规整且为实体,所以可以将单元类型设为八节点六面体单元。 操作步骤如下: 1、定义工作文件名和工作标题 (1)定义工作文件名:执行Utility Menu/ File/Change Jobname,在弹出 Change Jobname 对话框修改文件名为Table。选择 New log and error files 复选框。 (2)定义工作标题:Utility Menu/File/ Change Title,将弹出 Change Title 对话框修改工作标题名为The analysis of table。 (3)点击:Plot/Replot。 2、设置计算类型 (1)点击:Main Menu/Preferences,选择 Structural,点击 OK。 3、定义单元类型和材料属性 (1)点击:Main Menu/Preprocessor/Element Type/Add/Edit/Delete,点击 Add,选择 Solid>Brick 8 node 185,点击 OK,点击 Close。 (2)点击 Main menu/preprocessor/Material Props/Material Models / Structural/ Linear/ Elastic/Isotropic,设置 EX 为 9.3e9,PRXY 为 0.35,点击 density,设置 DENS为 560. 三、有限元建模 ...

1、当您付费下载文档后,您只拥有了使用权限,并不意味着购买了版权,文档只能用于自身使用,不得用于其他商业用途(如 [转卖]进行直接盈利或[编辑后售卖]进行间接盈利)。
2、本站所有内容均由合作方或网友上传,本站不对文档的完整性、权威性及其观点立场正确性做任何保证或承诺!文档内容仅供研究参考,付费前请自行鉴别。
3、如文档内容存在违规,或者侵犯商业秘密、侵犯著作权等,请点击“违规举报”。

碎片内容

有限元分析大作业

小辰7+ 关注
实名认证
内容提供者

出售各种资料和文档

确认删除?
VIP
微信客服
  • 扫码咨询
会员Q群
  • 会员专属群点击这里加入QQ群
客服邮箱
回到顶部