电脑桌面
添加小米粒文库到电脑桌面
安装后可以在桌面快捷访问

服装加工各岗位隐患排查表VIP专享

服装加工各岗位隐患排查表_第1页
1/15
服装加工各岗位隐患排查表_第2页
2/15
服装加工各岗位隐患排查表_第3页
3/15
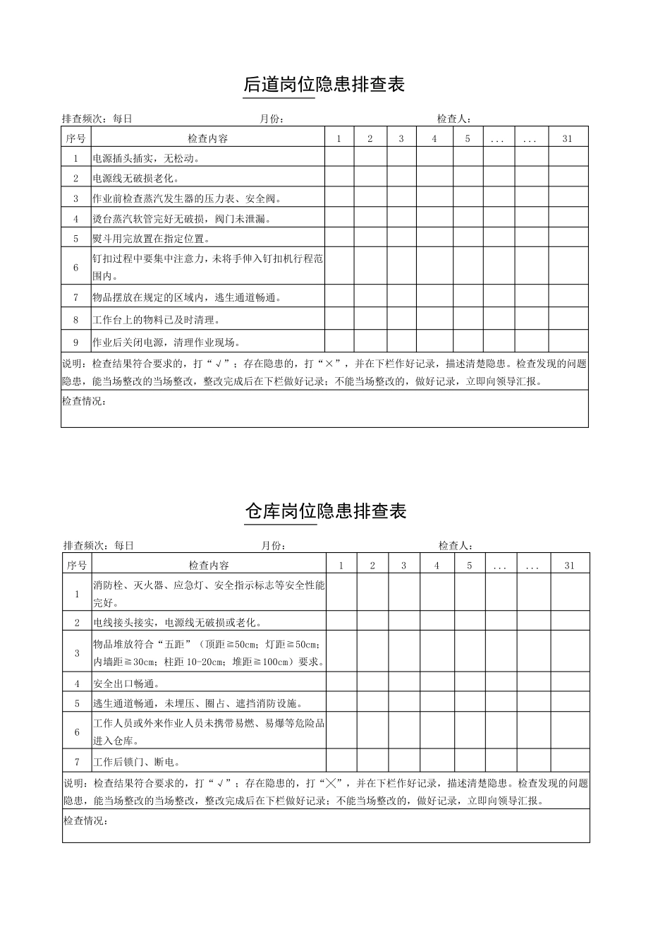
服装加工各岗位隐患排查表 (岗位级、公司级、季节性、节假日) 企业安全生产工作是企业持续、健康发展的重要基础,做好各岗位隐患排查治理工作,是企业安全生产工作的基本性工作,只有所有员工做好本岗位隐患排查,及时发现隐患和治理隐患,才能使企业做到长治久安。 裁 剪 岗位隐患排查表 排 查 频 次 : 每 日 月 份 : 检 查 人 : 序 号 检 查 内 容 1 2 3 4 5 6 ... 31 1 电 源 插 头 插 实 , 无 松 动 。 2 电 源 线 完 好 , 无 破 损 或 老 化 。 3 机 器 设 备 安 全 防 护 装 置 完 好 , 无 缺 失 或 破 损 。 4 操 作 前 正 确 佩 戴 防 切 割 手 套 。 5 裁 刀 操 作 人 员 按 照 操 作 规 程 操 作 。 6 作 业 现 场 、 电 气 设 备 周 围 无 碎 布 片 、 毛 尘 。 7 作 业 后 关 闭 电 源 , 清 理 作 业 现 场 。 说 明 : 检 查 结 果 符 合 要 求 的 , 打 “ √ ” ; 存 在 隐 患 的 , 打 “ ╳ ” , 并 在 下 栏 作 好 记 录 , 描 述 清 楚 隐 患 。 检 查 发 现 的 问 题隐 患 , 能 当 场 整 改 的 当 场 整 改 , 整 改 完 成 后 在 下 栏 做 好 记 录 ; 不 能 当 场 整 改 的 , 做 好 记 录 , 立 即 向 领 导 汇 报 。 检 查 情 况 记 录 : 缝纫岗位隐患排查表 排 查 频 次 : 每 日 月 份 : 检 查 人 : 序 号 检 查 内 容 1 2 3 4 5 ... ... 31 1 电 源 插 头 插 实 , 无 松 动 。 2 电 源 线 完 好 , 无 破 损 或 老 化 。 3 机 器 设 备 安 全 防 护 装 置 完 好 有 效, 无 缺 失 或 破 损 。 4 在 安 装 或 更换缝纫机 附件时关 闭 电 源 。 5 在 断电 、 停机 的 情 况 下 清 理 机 器 周 围 的 碎 布 屑。 6 物品摆放在 规 定的 区域内 , 逃生通道畅通。 7 作 业 后 及时清 理 桥架、 开关 上的 毛 尘 等易燃物质。 8 作 业 后 关 闭 电 源 , 清 理 作 业 现 场 。 说 明 : 检 查 结 果 符 合 要 求 的 , 打 “ √ ” ; 存 在 隐 患 的 , 打 ...

1、当您付费下载文档后,您只拥有了使用权限,并不意味着购买了版权,文档只能用于自身使用,不得用于其他商业用途(如 [转卖]进行直接盈利或[编辑后售卖]进行间接盈利)。
2、本站所有内容均由合作方或网友上传,本站不对文档的完整性、权威性及其观点立场正确性做任何保证或承诺!文档内容仅供研究参考,付费前请自行鉴别。
3、如文档内容存在违规,或者侵犯商业秘密、侵犯著作权等,请点击“违规举报”。

碎片内容

服装加工各岗位隐患排查表

确认删除?
VIP
微信客服
  • 扫码咨询
会员Q群
  • 会员专属群点击这里加入QQ群
客服邮箱
回到顶部