电脑桌面
添加小米粒文库到电脑桌面
安装后可以在桌面快捷访问

木工技术交底(快速脚手架)

木工技术交底(快速脚手架)_第1页
1/8
木工技术交底(快速脚手架)_第2页
2/8
木工技术交底(快速脚手架)_第3页
3/8
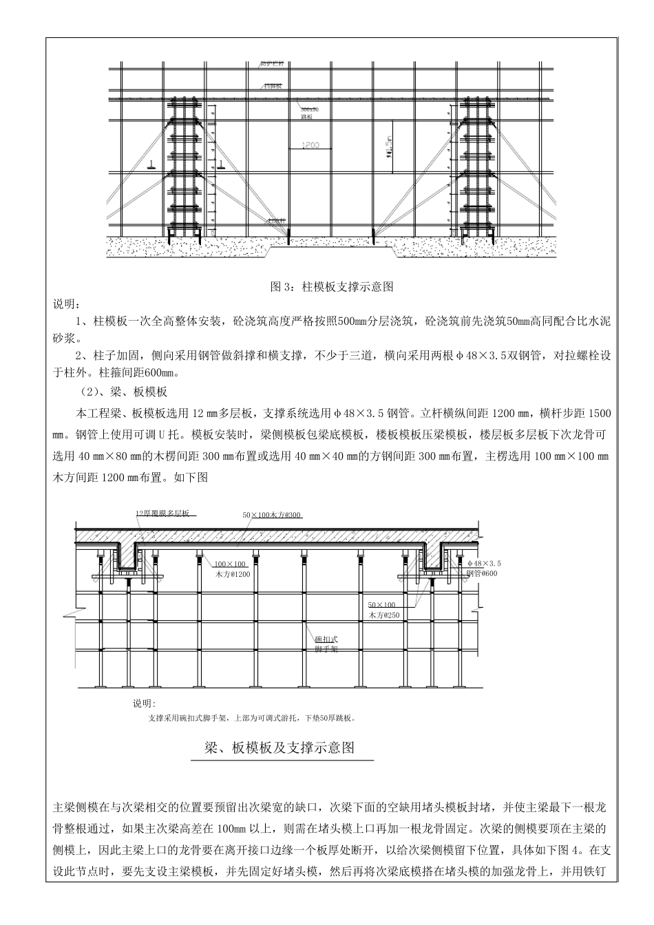
技 术 交 底 记 录 工程名称 ①衡南县易地扶贫搬迁三塘镇大山桥集中安置点项目 ②衡南县易地扶贫搬迁岐山办事处集中安置点项目 交底部位 模板支设 工程编号 日 期 2017 年11 月15 日 交底内容: 1. 工程概况 本工程位于衡南县 2 作业部位 墙、框架柱、板、楼梯的模板支设。 3. 施工准备 (1)、材料准备 工程所需的木模板、钢管、U 托、木楞等材料已经到位。 (2)、加工区 工程木工棚加工场地位置依据现场实际情况设置,木工棚大小定为9m×6m。 (3)、技术准备 组织技术人员审图,确定最优的施工方法,熟悉结构形式,确定模板尺寸。 计算模板及相关施工材料用量。提出材料计划。 (4)、作业人员培训 对全体作业人员进行多层板、多层板的施工质量及安全教育,对特殊工种集中培训,要求持证上岗,对作业人员进行工序施工前技术、安全交底。 4、 施工方法 框架柱、墙体、顶板等模板选用 12 ㎜×1220 ㎜×2440 ㎜多层板,模板采用硬拼接,拼缝采用海绵 条 填 塞 ,以 防 止 露 浆 。 (1)、独 立 柱模板 框架柱截 面 尺寸分 别 为:600×600、550×550、500×500 等。本工程框架柱采用 12 ㎜厚 多层板配 模,模板按 照 四 面 加工制 作,每 面 多层板用木方连 成 整 体固 定,施工时 连 接组装 四 个 单 面 的多层板即 可 。模板后 背 次 楞采用 40 ㎜×80 ㎜木方竖 向 布 置,间 距 300 ㎜且 不 少 于3 根 。柱箍 采用双 钢管横 向 加固 ,间 距 分 别 为:当 柱宽 ≤500mm 时 ,对拉 螺 栓 间 距 为600mm; 当 柱宽 ≥ 500 时 ,柱模高 >3m 时 ,下 部2/3 高 度 范 围 内@500,上部1/3 高 度范 围 内@600,双 钢管之 间 用φ 14 对拉 螺 栓 固 定。柱箍 第 一 道 布 置在 距 地面 200 ㎜处。(详 见 下 图 3) 对拉 螺 栓 L=墙宽 +2×(内龙 骨 +外 龙 骨 )+2×100 ㎜。(形式同 墙体对拉 螺 栓 ) 300x50跳板挡脚板防护栏杆扫地杆11 图3:柱模板支撑示意图 说明: 1、柱模板一次全高整体安装,砼浇筑高度严格按照500mm分层浇筑,砼浇筑前先浇筑50mm高同配合比水泥砂浆。 2、柱子加固,侧向采用钢管做斜撑和横支撑,不少于三道,横向采用两根φ48×3.5双钢管,对拉螺栓设于柱外。柱箍间距600mm。 (2)、梁、板模板 本工程梁、板模板选用12 ㎜多层板...

1、当您付费下载文档后,您只拥有了使用权限,并不意味着购买了版权,文档只能用于自身使用,不得用于其他商业用途(如 [转卖]进行直接盈利或[编辑后售卖]进行间接盈利)。
2、本站所有内容均由合作方或网友上传,本站不对文档的完整性、权威性及其观点立场正确性做任何保证或承诺!文档内容仅供研究参考,付费前请自行鉴别。
3、如文档内容存在违规,或者侵犯商业秘密、侵犯著作权等,请点击“违规举报”。

碎片内容

木工技术交底(快速脚手架)

您可能关注的文档

确认删除?
VIP
微信客服
  • 扫码咨询
会员Q群
  • 会员专属群点击这里加入QQ群
客服邮箱
回到顶部