电脑桌面
添加小米粒文库到电脑桌面
安装后可以在桌面快捷访问

木薯淀粉及变性淀粉项目建设方案

木薯淀粉及变性淀粉项目建设方案_第1页
1/9
木薯淀粉及变性淀粉项目建设方案_第2页
2/9
木薯淀粉及变性淀粉项目建设方案_第3页
3/9
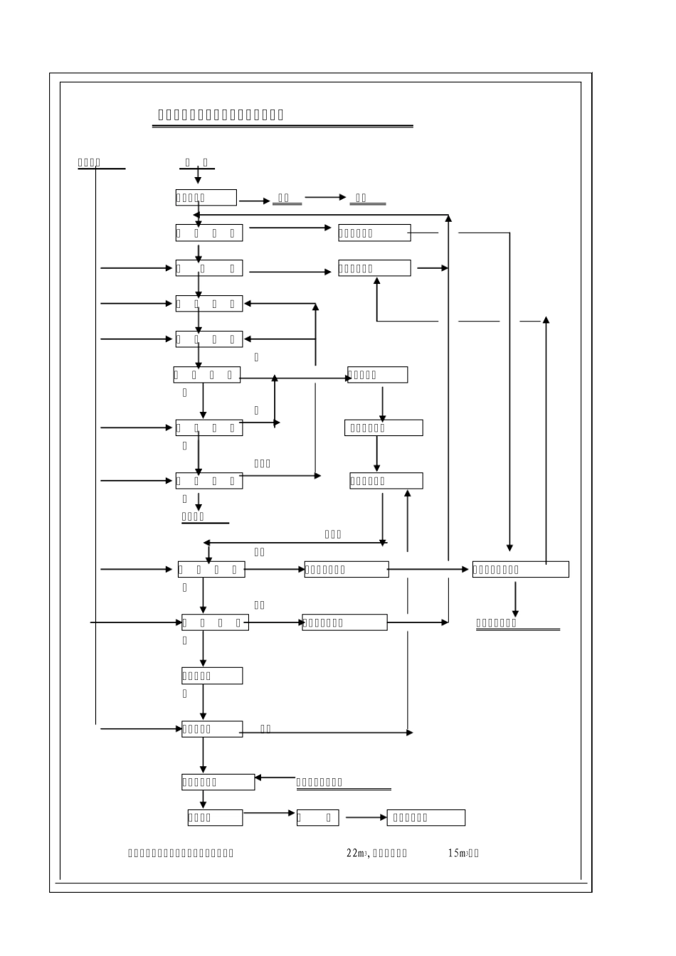
木薯淀粉及变性淀粉项目建设方案(初稿) 一、项目名称: 木薯淀粉及其变性淀粉生产线 二、项目规模: 日产 230 吨木薯原淀粉(年产 5 万吨变性淀粉) 三、说明: 1、根据公司规划及木薯原料季节性很强的特点,增加立筛、碟片及干燥等部分设备的处理量,在大部分设备共用的情况下,使鲜木薯榨季既生产原淀粉同时也可生产变性淀粉。 2、非榨季生产时,根据变性淀粉市场及品种情况,可开大生产线(日产 150 吨),也可开小生产线(日产 80 吨)。 3、平面图中,木薯仓库应为露天堆场;三个淀粉仓库位置调整一下,小仓库靠路边近堆场作为项目二期备用车间。 4、生产车间流程布置:木薯堆场→碎解车间→精制车间→变性车间→预糊化车间→脱水干燥车间→包装车间。木薯输送、脱皮清洗、碎解与精制工段可并在一大车间,便于操作与管理。 5、榨木薯生产淀粉会产生大量的木薯皮、木薯渣及生产废水,要有足够的处理设施和合理的处理措施进行处理消化,否则会对厂区环境造成较大影响。本方案中木薯渣采用压榨机压干堆放,但需及时外运处理。 四、生产工艺及水循环流程图: (一)、木薯原淀粉生产线工艺及水循环流程图 木薯淀粉生产线工艺及水循环流程图 外来清水 木 薯 干脱薯皮笼 薯皮 外运 两 级 槽 洗 泥沙沉淀水池 清 洗 笼 循环回用水池 一 级 破 碎 二 级 破 碎 浆 一 级 筛 分 一级原浆桶 渣 浆 二 级 筛 分 原浆精制处理 渣 稀浆液 三 级 筛 分 二级精制浆桶 渣 木薯渣池 精制浆 尾水 一 级 碟 片 一级黄浆沉淀池 环保污水处理系统 浆 尾水 二 级 碟 片 二级黄浆沉淀池 达标外排或回用 浆 乳浆高位槽 浆 刮刀离心机 尾液 气流烘干系统 饱和蒸汽或热空气 过筛包装 成 品 检测合格入库 (本工艺每生产一吨成品淀粉消耗新鲜水22m3,排出生产废水15m3。) (二)、湿法变性淀粉工艺流程图 湿法变性淀粉工艺流程图 蒸汽 水 水 化学品 清水 废气 污水 回水 原淀粉 调浆计量 反 应 稀 释 洗涤浓缩 脱 水 干 燥 筛 分 成 品 换 热 澄 清 热水、冷却水 浸 泡 电脑控制中心 五、设备清单与投资概算: (一)230t/d 木薯淀粉生产线设备投资概算表 序 号 设备名称 型号规格 单 位 数 量 单 价 (万元) 总 价 (万元) 材质 备注 主要设备部分 1 平皮带输送机 DCSL-800× 8900 条 1 2.5 2.5 2 ...

1、当您付费下载文档后,您只拥有了使用权限,并不意味着购买了版权,文档只能用于自身使用,不得用于其他商业用途(如 [转卖]进行直接盈利或[编辑后售卖]进行间接盈利)。
2、本站所有内容均由合作方或网友上传,本站不对文档的完整性、权威性及其观点立场正确性做任何保证或承诺!文档内容仅供研究参考,付费前请自行鉴别。
3、如文档内容存在违规,或者侵犯商业秘密、侵犯著作权等,请点击“违规举报”。

碎片内容

木薯淀粉及变性淀粉项目建设方案

确认删除?
VIP
微信客服
  • 扫码咨询
会员Q群
  • 会员专属群点击这里加入QQ群
客服邮箱
回到顶部