电脑桌面
添加小米粒文库到电脑桌面
安装后可以在桌面快捷访问

未注尺寸公差技术规范

未注尺寸公差技术规范_第1页
1/8
未注尺寸公差技术规范_第2页
2/8
未注尺寸公差技术规范_第3页
3/8
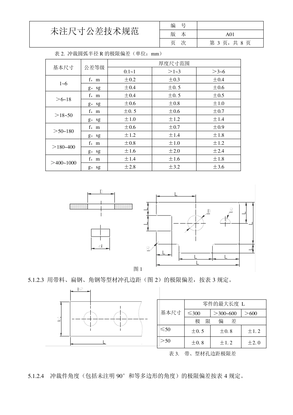
未注尺寸公差技术规范 编 号 版 本 A01 页 次 第 1 页,共 8 页 编制部门 编制 程常兴 审核 批准 工艺部 日期 2005.11.08 日期 日期 1. 目的和范围 规范产品结构件在设计图样上其基本尺寸无指定公差时的尺寸公差。 本规范适用于联亨技术有限公司产品、金属材料和结构件的设计、生产及检验。 2. 引用标准和参考标准 下列标准包含的条文,通过在本标准中引用而构成本标准的条文。在标准出版时,所有版本均为有效。所有标准都会被修订,使用本标准的各方应探讨,使用下列标准最新版本的可能性。 GB/T 1804-92 《一般公差 线性尺寸的未注公差》 GB/T 13914-92 《冲压件尺寸公差》 GB/T 13914-92 《冲压件角度公差》 DIN6930-Part2 《Steel Stampings General Tolerances》 3.基本功能描述 根据加工对象与手段(冲压〈冲裁、落料、冲孔、孔中心距〉、NCT、折弯、机加工等)不同特点,制定不同工艺手段的一般公差。 4.术语: 基本尺寸:指产品零件完成后应达到的尺寸,包括在任何使用时或装配后不去除的任何表面处理层。 平冲压件:经平面冲裁工序加工而成平面的冲压件。 成形冲压件:经弯曲、拉深和其它成形工序加工而成的冲压件。 孔组间距:同一零件上一组孔的中心线与另一组孔的中心线间的距离。 5.技术要求 5.1 冲压件尺寸的未注公差 5.1.1 精度等级 本规范规定了平冲压件长度、直径、圆弧尺寸及冲裁角度,成形冲压件弯曲长度、拉深和卷圆直径、弯曲角度、孔中心距、孔组间距等均分为 f、m、g、sg 四个精度等级,其余尺寸和要素均不分精度等级,无特殊标注按m 级生产。 5.1.2 平冲压件的未注公差 平冲压件的公差,适用于平冲压件冲裁工序,也应用于成形冲压件的平面冲裁工序的平未注尺寸公差技术规范 编 号 版 本 A01 页 次 第 2 页,共 8 页 面尺寸。 5.1.2.1 平冲压件长度L、直径D、d 尺寸(图1)的极限偏差按表1 规定。无特殊标注按m 级生产。 表1 平冲压件长度L、直径D、d 尺寸的极限偏差(单位:mm) 基本尺寸 公差等级 厚度尺寸范围 0.1~1 >1~3 >3~6 >6~10 >10 1~6 f ±0.05 ±0.08 ±0.1 ±0.2 ±0.4 m ±0.1 ±0.15 ±0.2 ±0.3 ±0.4 g ±0.2 ±0.3 ±0.4 ±0.6 ±0.8 sg ±0.5 ±0.5 ±0.8 ±1.2 ±1.5 >6~10 f ±0.08 ±0.1 ±0.15 ±0.2 ±0.4 m ±0.15 ±0.2 ±0.25 ±0.4 ±0.4 g ±0...

1、当您付费下载文档后,您只拥有了使用权限,并不意味着购买了版权,文档只能用于自身使用,不得用于其他商业用途(如 [转卖]进行直接盈利或[编辑后售卖]进行间接盈利)。
2、本站所有内容均由合作方或网友上传,本站不对文档的完整性、权威性及其观点立场正确性做任何保证或承诺!文档内容仅供研究参考,付费前请自行鉴别。
3、如文档内容存在违规,或者侵犯商业秘密、侵犯著作权等,请点击“违规举报”。

碎片内容

未注尺寸公差技术规范

确认删除?
VIP
微信客服
  • 扫码咨询
会员Q群
  • 会员专属群点击这里加入QQ群
客服邮箱
回到顶部