电脑桌面
添加小米粒文库到电脑桌面
安装后可以在桌面快捷访问

泥浆材料及处理剂大全

泥浆材料及处理剂大全_第1页
1/26
泥浆材料及处理剂大全_第2页
2/26
泥浆材料及处理剂大全_第3页
3/26
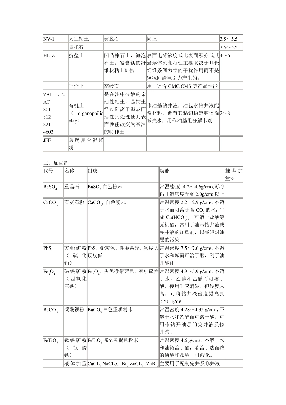
【中文名称】磺化酚醛树脂SMP;泥浆处理剂SMP 【英文名称】sulfonated phenolic resin SMP 【性状】 玫瑰红透明粘稠液体。 【溶解情况】 可溶于10 微升/升盐水。水不溶物<3%。水含量<7%。 【用途】 是水溶性树脂,能耐高温、降失水,同时有防塌、控制粘度的作用,抗盐性能也好。用作油田钻井泥浆的降失水剂。 【制备或来源】 由苯酚、甲醛与亚硫酸氢钠进行缩合和磺化,再与水进行树脂化和络合反应制得。 【其他】 粘度(80℃,涂-4 杯)〉80 秒,固体含量〉45%,pH 值 10。 钻井液处理剂大全 1、造浆材料 2、加重剂 3、降失水剂 4、增粘剂 5、页岩抑制剂 6、降粘剂 7、絮凝剂 8、润滑剂 9、抗高温剂 10、堵漏剂 11、杀菌剂 12、消泡剂 13、解卡剂 14、缓蚀剂 15、其它 一、造浆材料 代号 名称 组成 功能 推荐加量% 膨润土 (bentonite) 蒙脱石 通称坂土,以其吸附的阳离子而分为钠土(sodiu m bentonite)和钙土(caleiu m bentonite),天然钠土很少 ,多 经 Na2CO3 或NaOH 改 造成人 工 钠土(modified bentonite)。钠土在 淡 水中水化而分散 成较 细 胶粒 ,形 成低 渗 透泥饼 ,降低 失水,粘土片 表 面 带 负 电 荷 而其端 边 带正 电 荷 浮 想 形 成卡片 状网 状结构 ,产 生 一定 结 构 强 度,提 高粘切 (静 电 引 力 作用),不宜 用于饱和盐水钻井液。 3.5~ 5.5 NV-1 人工钠土 蒙脱石 同上 3.5~5.5 累托石 3.5~5.5 HL-Z 抗盐土 凹凸棒石土,海泡石土,富含镁的纤维状粘土矿物 表面电荷浓度低比表面积亦低其悬浮体流变特性主要取决于其长纤维条间力学的干扰作用而不是颗粒间静电引力产生的。 4~6 评价土 高岭石 用于评价 CMC,CMS 等产品性能 ZAL-1,2 AT 801 812 821 4602 有机土 (organophilic clay) 是在油中分散的亲油性粘土,是钠土经过阳离子型表面活性剂处理使其表面性能改变为亲油的特种土 作油基钻井液,油包水钻井液配浆材料,调节其粘切稳定胶体降低失水,用作油基组分解卡剂 2~8 JFF 聚 腐 复 合 泥浆粉 二、加重剂 代号 名称 组成 功能 推 荐 加量% BaSO4 重晶石 BaSO4 白色粉末 常温密度 4.2~4.6g/cm3,可将钻井液密度配到 2.0g/cm3以上 CaCO3 石灰石粉 CaCO3, 白色粉末 常温密度 2.2~2.9 g/cm3,不溶于水而可溶于含 CO2 的水,生成 Ca(HCO3)2。...

1、当您付费下载文档后,您只拥有了使用权限,并不意味着购买了版权,文档只能用于自身使用,不得用于其他商业用途(如 [转卖]进行直接盈利或[编辑后售卖]进行间接盈利)。
2、本站所有内容均由合作方或网友上传,本站不对文档的完整性、权威性及其观点立场正确性做任何保证或承诺!文档内容仅供研究参考,付费前请自行鉴别。
3、如文档内容存在违规,或者侵犯商业秘密、侵犯著作权等,请点击“违规举报”。

碎片内容

泥浆材料及处理剂大全

您可能关注的文档

确认删除?
VIP
微信客服
  • 扫码咨询
会员Q群
  • 会员专属群点击这里加入QQ群
客服邮箱
回到顶部