电脑桌面
添加小米粒文库到电脑桌面
安装后可以在桌面快捷访问

泥结碎石路面总说明

泥结碎石路面总说明_第1页
1/15
泥结碎石路面总说明_第2页
2/15
泥结碎石路面总说明_第3页
3/15
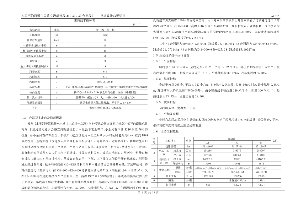
木里河沿河通乡公路立洲新建段(A1、A2、A3 合同段) 招标设计总说明书 S 1 —2 第 1 页 共 15 页 总 说 明 书 一、概述1.1 项目背景、任务依据及测设经过 木里河又名理塘河,界于东经99°35′~101°48′,北纬 27°05′~30°25′之间,发源于四川省甘孜藏族自治州理塘县以北的沙鲁里山脉。河流自西北向东南流经理塘、濯桑、唐央乡、沙湾、四合乡,至呷姑水文站以下与卧落河汇合后又称小金河,而后折向东北方向,经列瓦、瓜别于洼里附近注入雅砻江。全流域集水面积 19114km2,其中木里河集水面积为 9416km2。木里河水量丰沛,河床坡降陡,自然落差大。由于河流深切,岭谷相对高差大,使得域内地形复杂,起伏甚大,山高岭峻,河谷幽深。源头西北部的塞峰 高达5833m,南邻 云 贵 高原 海 拔1500~3000m 左 右 ,整 个 地势 西北高、东南低 ,呈 现 典 型 的高山峡 谷地貌 。由于受 地势 的影 响 加 之交 通闭 塞,大部分 河段耕 地零 星 分 布 、人 烟 稀 少 。全流域呈 南北向条 带 状 ,支 流密 布 呈 树 状 分 布 ,源近流短 。其中木里河梯 级 水电 站(上 通坝 ~立洲)段位 于四川省凉 山州木里藏族自治县境 内,交 通条 件 差,流域梯 级 电 站对外 交 通公路工 程 建设工 程 量大、难 度 大、周 期 长 ,相应 的勘 测设计周 期 也 较 长 ,是 制约 电 站能 否 早 日 开 工 建设的关 键 因 素 之一。为了 促 进 木里河流域的滚 动 开 发,尽 早 开 工 建设木里河沿河通乡公路已 势 在 必 行 。 立洲水电 站为木里河流域规 划 的第六 梯 级 水电 站,坝 址 位 于博 科 乡下游 立洲岩 子 ,混 合式开 发,初 拟 水库 正 常 蓄 水位2088m,装 机 容 量 26 万 kW。规 划 初 荐 坝 型 为砼 拱 坝 ,最 大坝 高138m。电 站坝 址 距 桃 巴 约 13km,距 下麦 地约 53km; 距 木里县城 约70km,距 西昌 市 约 300km。 本 着 “ 公开 、公平 、公正 、择 优 ” 的原 则 ,四川华 电 木里河公司 组 织 了 本 项目勘 测设计的招投 标工 作 ,确 定 我 公司 承 担 木里河沿河通乡公路立洲新建段的勘 测设计任务。接 受 中标通知后,我 公司 即 按 招标文件 的要 求 ,于2006 年4 月 10 日 组 建测设队 ...

1、当您付费下载文档后,您只拥有了使用权限,并不意味着购买了版权,文档只能用于自身使用,不得用于其他商业用途(如 [转卖]进行直接盈利或[编辑后售卖]进行间接盈利)。
2、本站所有内容均由合作方或网友上传,本站不对文档的完整性、权威性及其观点立场正确性做任何保证或承诺!文档内容仅供研究参考,付费前请自行鉴别。
3、如文档内容存在违规,或者侵犯商业秘密、侵犯著作权等,请点击“违规举报”。

碎片内容

泥结碎石路面总说明

您可能关注的文档

确认删除?
VIP
微信客服
  • 扫码咨询
会员Q群
  • 会员专属群点击这里加入QQ群
客服邮箱
回到顶部