电脑桌面
添加小米粒文库到电脑桌面
安装后可以在桌面快捷访问

泵行业标准体系介绍

泵行业标准体系介绍_第1页
1/10
泵行业标准体系介绍_第2页
2/10
泵行业标准体系介绍_第3页
3/10
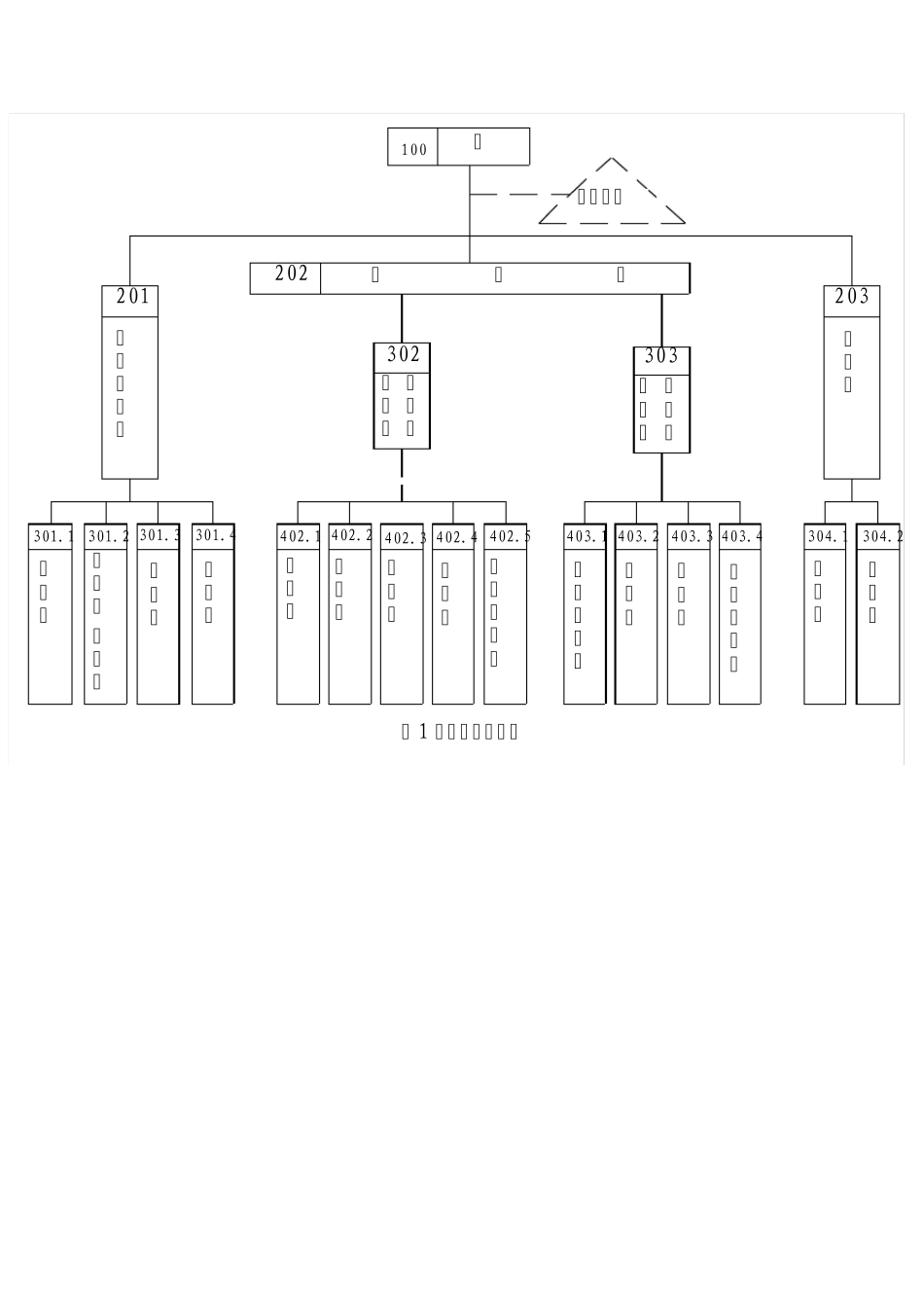
1 泵行业标准体系简介 一 、泵行业标准体系框架图(以下简称“框图”) 框图共分三层,一层为“大类”,指所有工业泵;二层和三层为“小类”,根据泵的工作原理以及近年来 ISO 标准分类划分,四层为“品种”。“大类”主要由两类标准构成。一类是泵行业的基础标准,即工业泵行业通用标准,该类标准适用于由回转动力泵、容积泵构成的所有工业泵产品;另一种是与泵相关的其它行业标委会归口的如“机械制图、形位公差、包装、轴承、联轴器、锻造、热处理、材料、零件的检验”等方面的标准以及我国相应的法律、法规。在框图中,“相关标准”用双点划线表示,由于相关标准范围很广,因此在标准明细表中未列出具体标准。“小类”涵盖回转动力泵通用标准、容积泵通用标准、回转式容积泵通用标准和往复式容积泵通用标准。“品种”主要是相关的产品标准。 框架适用于目前诸如离心泵、混流泵(斜流泵)、轴流泵、旋涡泵、液环泵、螺杆泵、齿轮泵、滑片泵、叶形转子泵、机动往复泵、计量泵、试压泵、蒸汽往复泵等各种结构型式的工业泵产品。 201旋涡泵混流泵斜流泵叶形转子泵螺杆泵液环泵301.1 301.2 301.3 301.4304.1 304.2水锤泵射流泵离心泵轴流泵计量泵试压泵蒸汽往复泵机动往复泵齿轮泵滑片泵203402.1 402.2 402.3 402.4 402.5403.1 403.2 403.3 403.4图 1 泵标准体系框图100泵相关标准202回转动力泵302容积泵回转式容积泵往复式303特殊泵泵积容 1 二、泵行业标准体系现状 1、泵行业国家标准及行业标准的构成见表1 及表2。 表1 泵行业国家标准的构成 标准类别 基础 方法 安全 产品 材料 零部件 合计 国标 6 9 0 17 0 0 18 表2 泵行业现行行业标准的构成 标准类别 基础 方法 安全 产品 材料 零部件 合计 行标 1 7 1 38 3 0 39 2、国际标准采用情况 目前与泵行业相关联的国际标准共有19 项,具体采用情况见表3。 表3 序号 国际标准编号 国际标准名称 转化为我国 标准编号 转化 程度 1 ISO9906:1999 回转动力泵 水力性能验收试验 1 级和2 级 GB/T3216-2005 MOD 2 ISO2858-1975 轴向吸入离心泵(16bar 级)--标记、额定性能点和尺寸 GB/T5662-1985 IDT 3 ISO3069:2000 轴向吸入离心泵—机械密封和软填料用空腔尺寸 GB/T5661-2004 IDT 4 ISO3661-1997 轴向吸入离心泵 底座尺寸和安装尺寸 GB/T5660-1985 IDT 5 ISO5167:2003 差压装置 GB/T3214-2007...

1、当您付费下载文档后,您只拥有了使用权限,并不意味着购买了版权,文档只能用于自身使用,不得用于其他商业用途(如 [转卖]进行直接盈利或[编辑后售卖]进行间接盈利)。
2、本站所有内容均由合作方或网友上传,本站不对文档的完整性、权威性及其观点立场正确性做任何保证或承诺!文档内容仅供研究参考,付费前请自行鉴别。
3、如文档内容存在违规,或者侵犯商业秘密、侵犯著作权等,请点击“违规举报”。

碎片内容

泵行业标准体系介绍

小辰7+ 关注
实名认证
内容提供者

出售各种资料和文档

确认删除?
VIP
微信客服
  • 扫码咨询
会员Q群
  • 会员专属群点击这里加入QQ群
客服邮箱
回到顶部