电脑桌面
添加小米粒文库到电脑桌面
安装后可以在桌面快捷访问

热网调试规程

热网调试规程_第1页
1/11
热网调试规程_第2页
2/11
热网调试规程_第3页
3/11
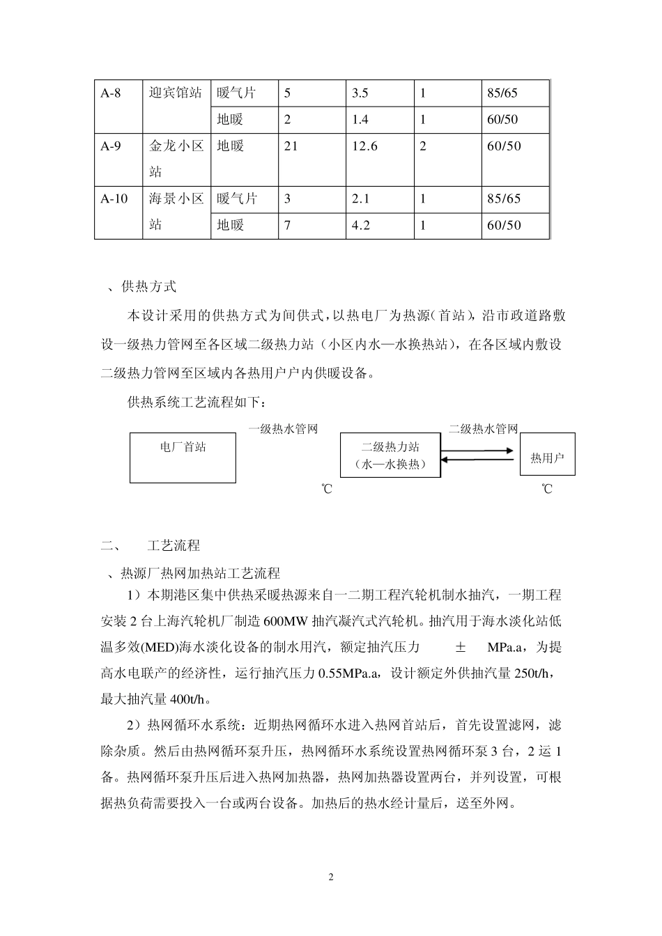
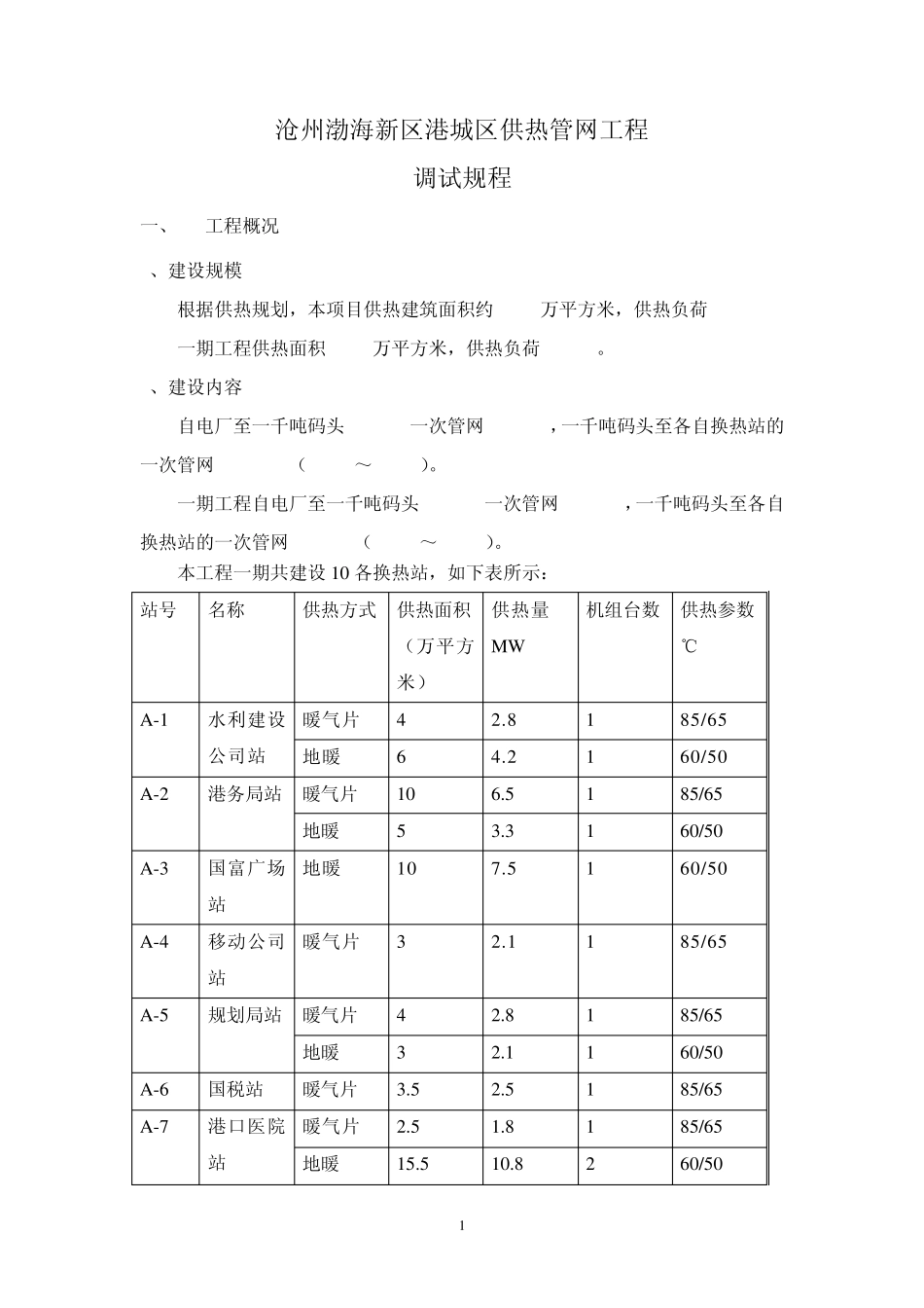
1 沧州渤海新区港城区供热管网工程 调试规程 一、 工程概况 1、建设规模 根据供热规划,本项目供热建筑面积约462.3万平方米,供热负荷293.8MW 一期工程供热面积102.5万平方米,供热负荷68.8MW。 2、建设内容 自电厂至一千吨码头2XDN800一次管网2X8.8km,一千吨码头至各自换热站的一次管网2X22.3km(DN800~DN200)。 一期工程自电厂至一千吨码头2XDN800一次管网2X8.8km,一千吨码头至各自换热站的一次管网2X5.2km(DN800~DN150)。 本工程一期共建设10 各换热站,如下表所示: 站号 名称 供热方式 供热面积 (万平方米) 供热量 MW 机组台数 供热参数 ℃ A-1 水利建设公司站 暖气片 4 2.8 1 85/65 地暖 6 4.2 1 60/50 A-2 港务局站 暖气片 10 6.5 1 85/65 地暖 5 3.3 1 60/50 A-3 国富广场站 地暖 10 7.5 1 60/50 A-4 移动公司站 暖气片 3 2.1 1 85/65 A-5 规划局站 暖气片 4 2.8 1 85/65 地暖 3 2.1 1 60/50 A-6 国税站 暖气片 3.5 2.5 1 85/65 A-7 港口医院站 暖气片 2.5 1.8 1 85/65 地暖 15.5 10.8 2 60/50 2 一级热水管网 二级热水管网 A-8 迎宾馆站 暖气片 5 3.5 1 85/65 地暖 2 1.4 1 60/50 A-9 金龙小区站 地暖 21 12.6 2 60/50 A-10 海景小区站 暖气片 3 2.1 1 85/65 地暖 7 4.2 1 60/50 3、供热方式 本设计采用的供热方式为间供式, 以热电厂为热源(首站),沿市政道路敷设一级热力管网至各区域二级热力站(小区内水—水换热站),在各区域内敷设二级热力管网至区域内各热用户户内供暖设备。 供热系统工艺流程如下: 120/70℃ 85/60℃ 二、 工艺流程 1、热源厂热网加热站工艺流程 1)本期港区集中供热采暖热源来自一二期工程汽轮机制水抽汽,一期工程安装2 台上海汽轮机厂制造600MW 抽汽凝汽式汽轮机。抽汽用于海水淡化站低温多效(MED)海水淡化设备的制水用汽,额定抽汽压力0.75±0.2MPa.a,为提高水电联产的经济性,运行抽汽压力0.55MPa.a,设计额定外供抽汽量 250t/h,最大抽汽量 400t/h。 2)热网循环水系统:近期热网循环水进入热网首站后,首先设置滤网,滤除杂质。然后由热网循环泵升压,热网循环水系统设置热网循环泵 3 台,2 运 1备。热网循环泵升压后进入热网加热器,热网加热器设置两台,并列设置,可根据热负荷需要投入一台或两台设备。加热后的热水经计量后,送至外网...

1、当您付费下载文档后,您只拥有了使用权限,并不意味着购买了版权,文档只能用于自身使用,不得用于其他商业用途(如 [转卖]进行直接盈利或[编辑后售卖]进行间接盈利)。
2、本站所有内容均由合作方或网友上传,本站不对文档的完整性、权威性及其观点立场正确性做任何保证或承诺!文档内容仅供研究参考,付费前请自行鉴别。
3、如文档内容存在违规,或者侵犯商业秘密、侵犯著作权等,请点击“违规举报”。

碎片内容

热网调试规程

确认删除?
VIP
微信客服
  • 扫码咨询
会员Q群
  • 会员专属群点击这里加入QQ群
客服邮箱
回到顶部