电脑桌面
添加小米粒文库到电脑桌面
安装后可以在桌面快捷访问

金属材料切削加工性

金属材料切削加工性_第1页
1/50
金属材料切削加工性_第2页
2/50
金属材料切削加工性_第3页
3/50
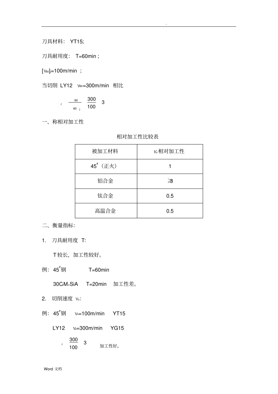
. Word 文档第一章金属材料切削加工性切削加工性: Machinability ,指金属材料被切削加工成合格零件的难易程度。例如:以车削 45#钢为例:材料硬度HB200(正火)单位切削力κc=200kg/mm2用 YT15 车刀车削:IT8 1.6 νc=120 θ=800 oC 此种车削方法家喻户晓,人人皆知,谁都会做,没什么难点。1. 铝合金,这是比较好加工的,κc=70 , νc=800m/min 时,θ 也不高, T 很长。2. 灰口铸铁 HT200 κc=114 断屑切削加工性评价指标:①刀具耐用度高;T ②许用切削速度高;νc③已加工表面易于达到;1.6 ④车削时断屑;⑤切削力小,切削温度低。Fc θ3. 45#淬火HRC50 切削力 Fc大,切削温度 θ 高,刀具耐用度 T 低。一般情况下不车,只能磨削。IT8 0.8 §1— 1 衡量切削加工性指标以车削 45#钢(HB200)为参照基准:. Word 文档刀具材料: YT15;刀具耐用度: T=60min ;[ν60]j=100m/min ;当切削 LY12 ν60=300m/min 相比60603003100rj一、称相对加工性相对加工性比较表被加工材料κr相对加工性45#(正火)1 铝合金≥3 钛合金0.5 高温合金0.5 二、衡量指标:1. 刀具耐用度 T:T 较长,加工性较好。例: 45#钢T=60min 30CrMnSiA T=20min 加工性差。2. 切削速度 νc:例: 45#钢νc=100m/min YT15 LY12 νc=300m/min YG15 3003100r加工性好。. Word 文档泰勒公式:0.4cAT切削速度是根据刀具耐用度确定的。 一定刀具耐用度下有一个允许的切削速度 νT。3. 切削力 Fc(或者 κc)凡切削力大者,加工性差。单位切削力 κc比较被加工材料κc(kg/mm2) 45#钢200 HT200 114 铝合金78 4. 切削温度 (θ) 凡是切削温度高者,加工性差。切削温度比较表被加工材料切削温度 θ(oC) 45#钢630 HT200 500 1Cr18Ni9Ti 860 GH131 900 条件: νc=60m/min ap=3 f=0.1 见图(一)θoC . Word 文档1200 1000 900 1 2 3 900 (100,800) 800 860 700 630 4 600 500 400 500 300 200 10 20 30 40 50 60 70 80 90 100 110 120 130 νc m/min 图(一)1— GH131 2— 1Cr18Ni9Ti 3— 45#钢(正火)4— HT200 YT15— 45# YG8— GH131 1Cr18Ni9Ti HT200 γo=15 oα0=8 oκr=75oλs=0oγε=0.2 ap=3 f=0.1 5. 已加工表面质量:包括:表面粗糙度1.6 表面残余应力. Word 文档加工硬化程度及深度①''44rrarffRctgctgctg2r时ct...

1、当您付费下载文档后,您只拥有了使用权限,并不意味着购买了版权,文档只能用于自身使用,不得用于其他商业用途(如 [转卖]进行直接盈利或[编辑后售卖]进行间接盈利)。
2、本站所有内容均由合作方或网友上传,本站不对文档的完整性、权威性及其观点立场正确性做任何保证或承诺!文档内容仅供研究参考,付费前请自行鉴别。
3、如文档内容存在违规,或者侵犯商业秘密、侵犯著作权等,请点击“违规举报”。

碎片内容

金属材料切削加工性

爱的疯狂+ 关注
实名认证
内容提供者

该用户很懒,什么也没介绍

确认删除?
VIP
微信客服
  • 扫码咨询
会员Q群
  • 会员专属群点击这里加入QQ群
客服邮箱
回到顶部