电脑桌面
添加小米粒文库到电脑桌面
安装后可以在桌面快捷访问

钻孔灌注桩钢护筒施工方案

钻孔灌注桩钢护筒施工方案_第1页
1/16
钻孔灌注桩钢护筒施工方案_第2页
2/16
钻孔灌注桩钢护筒施工方案_第3页
3/16
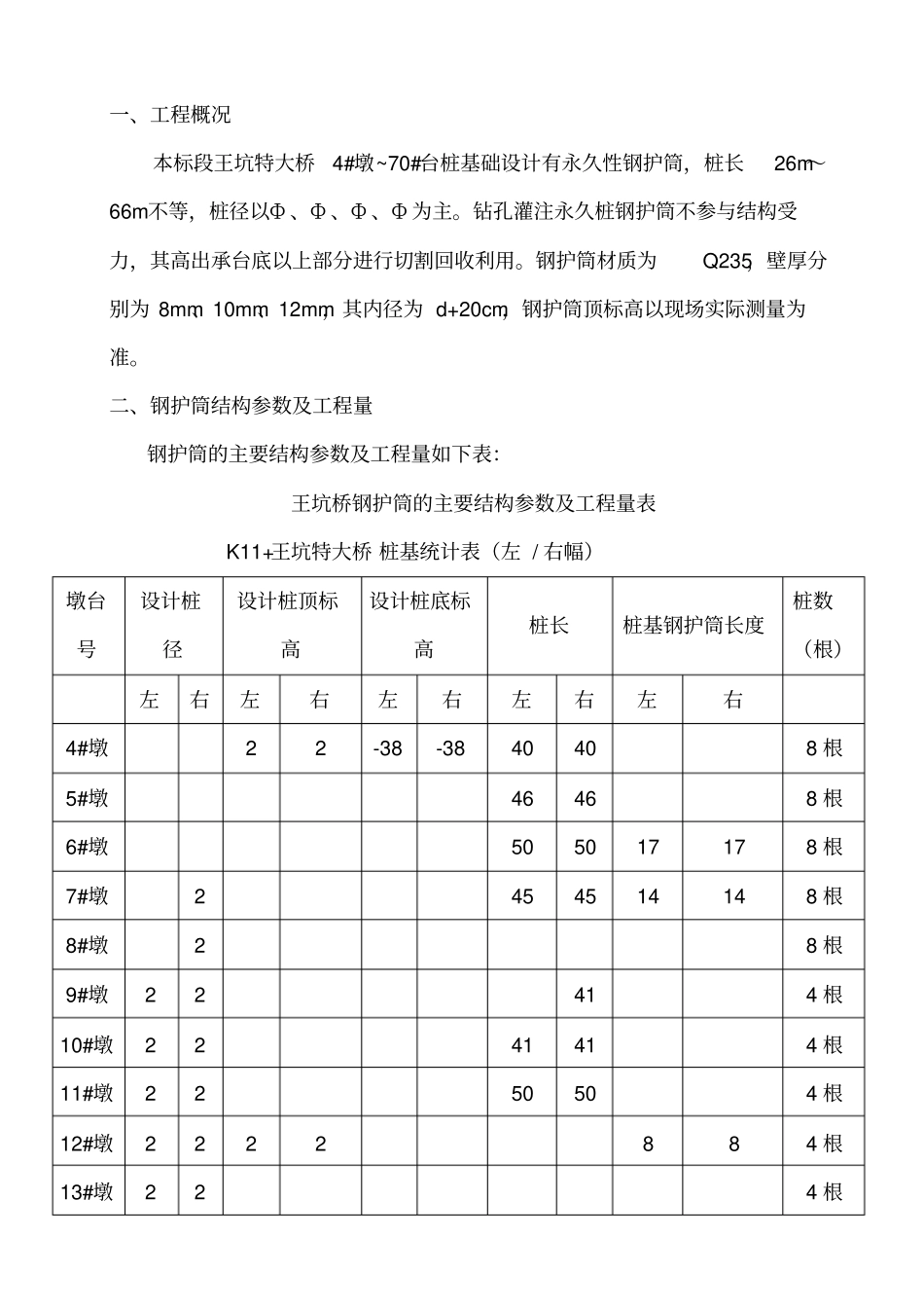
沈海复线宁德漳湾镇至连江浦口高速公路(宁德段) A1合同段钢护筒施工方案编制:复核:审批:中铁航空港集团沈海复线宁德漳湾至连江浦口高速公路A1 项目经理部二零一三年十月钢护筒施工方案一、工程概况本标段王坑特大桥4#墩~70#台桩基础设计有永久性钢护筒,桩长26m~66m不等,桩径以Ф 、Ф 、Ф 、Ф 为主。钻孔灌注永久桩钢护筒不参与结构受力,其高出承台底以上部分进行切割回收利用。钢护筒材质为Q235,壁厚分别为 8mm、10mm、12mm,其内径为 d+20cm,钢护筒顶标高以现场实际测量为准。二、钢护筒结构参数及工程量钢护筒的主要结构参数及工程量如下表:王坑桥钢护筒的主要结构参数及工程量表K11+王坑特大桥 桩基统计表(左 / 右幅)墩台号设计桩径设计桩顶标高设计桩底标高桩长桩基钢护筒长度桩数(根)左右左右左右左右左右4#墩22-38-3840408 根5#墩46468 根6#墩505017178 根7#墩2454514148 根8#墩28 根9#墩22414 根10#墩2241414 根11#墩2250504 根12#墩2222884 根13#墩224 根14#墩2250504 根15#墩22535314144 根16#墩224 根17#墩2212124 根18#墩224 根19#墩2253534 根20#墩224 根21#墩22224 根22#墩2222-58-5860604 根23#墩2260604 根24#墩2260604 根25#墩2262624 根26#墩224 根27#墩22646420204 根28#墩224 根29#墩4 根30#墩666620204 根31#墩4 根32#墩62624 根33#墩61614 根34#墩59594 根35#墩4 根36#墩67674 根37#墩-59-614 根38#墩22614 根39#墩2222-59-5961614 根40#墩22714 根41#墩225215154 根42#墩4 根43#墩18184 根44#墩4 根45#墩54544 根46#墩4 根47#墩57574 根48#墩4 根49#墩16164 根50#墩60604 根51#墩62624 根52#墩60604 根53#墩4 根54#墩59594 根55#墩62624 根56#墩-61-614 根57#墩4 根58#墩4 根59#墩60604 根60#墩62624 根61#墩636318184 根62#墩4 根63#墩4 根64#墩4 根65#墩4 根66#墩554 根67#墩48484 根68#墩2239414 根69#墩2236384 根70#台26288 根三、钢护筒结构设计、钢护筒孔口结构根据桥位处的水文条件、钢护筒下放过程中的受力情况,以及满足钢护筒顶口振打和底口入土的要求,对钢护筒结构的进行了设计,最终确定钢护筒直径 1.5m、1.8m、2.0m和2.2m。采用壁厚 8mm、10mm和12mm的Q235钢板卷制。为避免钢护筒在下沉过程中发生变形,分别对钢护筒的顶口和底口进行加强。护铜顶端、底端和接头处采用同钢护筒厚度相同的钢板进行加强,...

1、当您付费下载文档后,您只拥有了使用权限,并不意味着购买了版权,文档只能用于自身使用,不得用于其他商业用途(如 [转卖]进行直接盈利或[编辑后售卖]进行间接盈利)。
2、本站所有内容均由合作方或网友上传,本站不对文档的完整性、权威性及其观点立场正确性做任何保证或承诺!文档内容仅供研究参考,付费前请自行鉴别。
3、如文档内容存在违规,或者侵犯商业秘密、侵犯著作权等,请点击“违规举报”。

碎片内容

钻孔灌注桩钢护筒施工方案

您可能关注的文档

确认删除?
VIP
微信客服
  • 扫码咨询
会员Q群
  • 会员专属群点击这里加入QQ群
客服邮箱
回到顶部