电脑桌面
添加小米粒文库到电脑桌面
安装后可以在桌面快捷访问

拆装安全阀方案x

拆装安全阀方案x_第1页
1/20
拆装安全阀方案x_第2页
2/20
拆装安全阀方案x_第3页
3/20
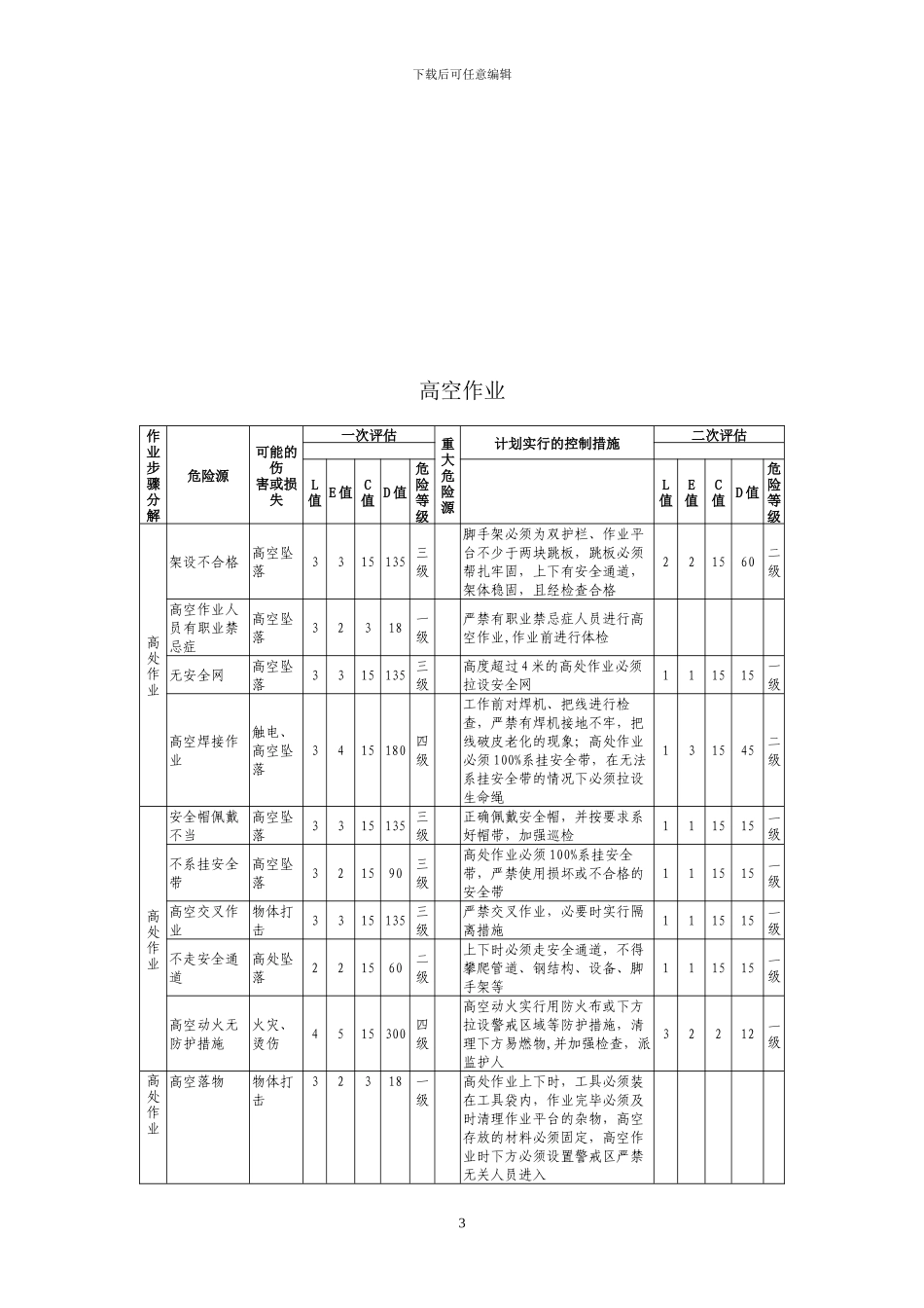
下载后可任意编辑一、工程概况1、工程名称:空分装置安全阀校验2、施施工场地点:空分装置内3、工期要求:20 天4、工程性质:停工检修5、工作内容:安全阀拆装、运输、研磨、定压安全阀规格明细如下表序号工艺编号装置设备直径压力型号台数1PSV-10空分R-2811DN80PN1.6A42Y-16C12PSV-11空分R-2712DN50PN6.4A42Y-300LB13PSV-12空分R-2706DN25PN6.4A42Y-6414PSV-13空分R-2706DN25PN2.5A42Y-2515PSV-14空分R-2808DN200PN1.6A42C-150C16PSV-15空分R-2802ADN40PN1.6A42Y-16C17PSV-16空分R-2802BDN40PN1.6A42Y-16C18PSV-17空分采暖机组DN25PN1.0A27H-10K19PSV-18空分J-3DN50PN2.5A48Y-25110PSV-19空分J-2DN50PN2.5A48Y-25111PSV-22空分F2811DN100PN1.6A42Y-16C112PSV-23空分R2701DN50PN1.6A42Y-16C113PSV-24空分离心机循环水回水管DN15PN1.6A21H-16C114PSV-25空分D2701ADN15PN1.6A21H-16C115PSV-26空分D2701BDN15PN1.6A21H-16C116PSV-27空分1#制冷机冷凝器DN25PN1.81IIGG18MN-TF117PSV-28空分2#制冷机冷凝器DN25PN1.81IIGG18MN-TF118PSV-29空分R2705DN80PN1.6A42Y-16C119PSV-30空分液氮储槽R2702DN25PN1.6KA21F-16T11下载后可任意编辑20PSV-31空分液氮储槽R2702DN25PN0.8KA21F-8P121PSV-32空分T2701DN80PN1.6A42Y-16C122PSV-33空分冷箱氮气线DN40PN1.6A42Y-16C123PSV-34空分冷箱废气线DN40PN1.6A42Y-16C124PSV-35空分液氮储槽出口线DN15PN1.6A21W-16P125PSV-36空分液氮储槽出口线DN15PN1.6A21W-16P126PSV-37空分液氮储槽R2702DN25PN0.8KA21F-8P127PSV-44空分R2801CDN80PN1.6A42Y-16C128PSV-45空分R2806DN80PN2.5HTO-01CB129PSV-46空分3#空压机出口罐R2807ADN80PN2.5A42Y-25130PSV-47空分3#空压机出口罐R2807BDN80PN2.5A42Y-25131PSV-48空分R2706 上DN80PN1.6A42F-16C132PSV-49空分R2707 上DN80PN1.6A42F-16C1二、编制依据1、石炼化《法兰垫片安装技术要求》2、石炼化《阀门质量及安全安装技术要求》3、石炼化《检维修项目施工管理规定》三、施工过程危险源辨识(JHA 分析表)2下载后可任意编辑高空作业作业步骤分解危险源可能的伤 害或损失一次评估重大危险源计划实行的控制措施二次评估L值 E 值C值 D 值危险等级L值E值C值 D 值危险等级高处作业架设不合格高空坠落3315 135 三级脚手架必须为双护栏、作业平台不少于两块跳板,跳板必须帮扎牢固,上下有安全通道,架体稳固,且经检查合格221560二级高空作业人员有职业禁忌症高空坠落32318一级 ...

1、当您付费下载文档后,您只拥有了使用权限,并不意味着购买了版权,文档只能用于自身使用,不得用于其他商业用途(如 [转卖]进行直接盈利或[编辑后售卖]进行间接盈利)。
2、本站所有内容均由合作方或网友上传,本站不对文档的完整性、权威性及其观点立场正确性做任何保证或承诺!文档内容仅供研究参考,付费前请自行鉴别。
3、如文档内容存在违规,或者侵犯商业秘密、侵犯著作权等,请点击“违规举报”。

碎片内容

拆装安全阀方案x

您可能关注的文档

确认删除?
VIP
微信客服
  • 扫码咨询
会员Q群
  • 会员专属群点击这里加入QQ群
客服邮箱
回到顶部