电脑桌面
添加小米粒文库到电脑桌面
安装后可以在桌面快捷访问

铝合金门窗隐蔽工程验收记录

铝合金门窗隐蔽工程验收记录_第1页
1/19
铝合金门窗隐蔽工程验收记录_第2页
2/19
铝合金门窗隐蔽工程验收记录_第3页
3/19
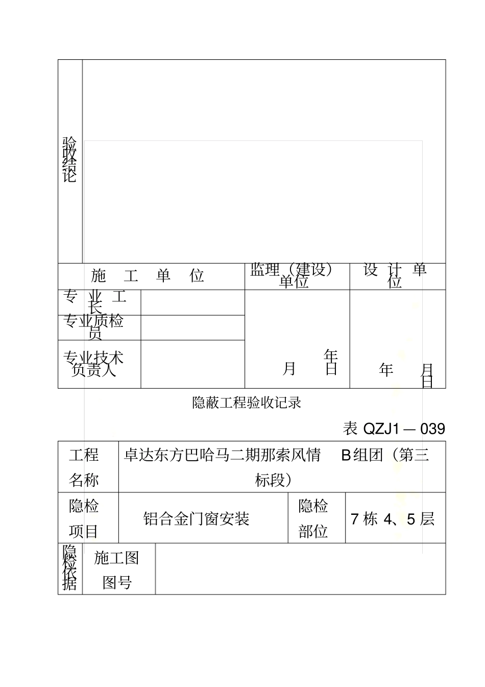
铝合金门窗隐蔽工程验收记录隐蔽工程验收记录表 QZJ1 — 039 工程名称卓达东方巴哈马二期那索风情B组团(第三标段)隐检项目铝合金门窗安装隐检部位7 栋 2、3 层隐检依据施工图图号设计变更号施工标准名称《建筑装饰装修工程质量验收规范》GB50210- 2001施工质量自检情况1、铝合金门窗框数量、规格、品种、尺寸、安装位置符合设计和规范要求,门窗五金件齐全,内衬增强型钢的壁厚及设置符合要求2、铝合金门窗框的固定:采用用膨胀螺钉固定,固定点距窗角、中横框、中竖框 150-200mm,固定点间距不大于600mm。3、铝合金门窗框的防腐处理:铝合金门窗框用塑料薄膜包裹粘贴保护;4、填缝:铝合金窗框与墙体之间的采用发泡胶进行缝隙、填塞严实。009 年月日验收结论施工单位监理(建设)单位设 计 单位专 业 工长年月日年月日专业质检员专业技术负责人隐蔽工程验收记录表 QZJ1 — 039 工程名称卓达东方巴哈马二期那索风情B组团(第三标段)隐检项目铝合金门窗安装隐检部位7 栋 4、5 层隐检依据施工图图号设计变更号施工标准名称《建筑装饰装修工程质量验收规范》GB50210- 2001施工质量自检情况1、铝合金门窗框规格、品种符合设计和规范要求;2、铝合金门窗框的固定:采用拉片把铝合金门、窗框与墙体连接,拉片与铝合金之间采用螺钉拧紧,拉片与砖墙之间采用用膨胀螺钉固定,拉片与混凝土墙之间采用射钉固定;3、铝合金门窗框的防腐处理:铝合金门窗框用塑料薄膜包裹粘贴保护;4、防水处理:铝合金窗框与墙体之间缝隙采用胶凝防水材料填塞;5、填缝:铝合金窗框与墙体之间的缝隙在填塞防水胶凝材料后用水泥砂浆填塞严实。6、该检验批符合设计和规范要求。009 年月日验收结论施工单位监理(建设)单位设 计 单位专 业 工长专业质检员专业技术负责人年月日年月日隐蔽工程验收记录表 QZJ1 — 039 工程名称卓达东方巴哈马二期那索风情B组团(第三标段)隐检项目铝合金门窗安装隐检部位7 栋 6、7 层隐检依据施工图图号设计变更号施工标准名称《建筑装饰装修工程质量验收规范》GB50210- 2001施工质量自检情况1、铝合金门窗框规格、品种符合设计和规范要求;2、铝合金门窗框的固定:采用拉片把铝合金门、窗框与墙体连接,拉片与铝合金之间采用螺钉拧紧,拉片与砖墙之间采用用膨胀螺钉固定,拉片与混凝土墙之间采用射钉固定;3、铝合金门窗框的防腐处理:铝合金门窗框用塑料薄膜包裹粘贴保护;4、防水处理:铝合金窗框与墙体...

1、当您付费下载文档后,您只拥有了使用权限,并不意味着购买了版权,文档只能用于自身使用,不得用于其他商业用途(如 [转卖]进行直接盈利或[编辑后售卖]进行间接盈利)。
2、本站所有内容均由合作方或网友上传,本站不对文档的完整性、权威性及其观点立场正确性做任何保证或承诺!文档内容仅供研究参考,付费前请自行鉴别。
3、如文档内容存在违规,或者侵犯商业秘密、侵犯著作权等,请点击“违规举报”。

碎片内容

铝合金门窗隐蔽工程验收记录

您可能关注的文档

确认删除?
VIP
微信客服
  • 扫码咨询
会员Q群
  • 会员专属群点击这里加入QQ群
客服邮箱
回到顶部