电脑桌面
添加小米粒文库到电脑桌面
安装后可以在桌面快捷访问

锅炉调试方案

锅炉调试方案_第1页
1/11
锅炉调试方案_第2页
2/11
锅炉调试方案_第3页
3/11
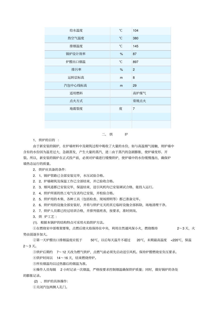
130T 锅 炉 调 试 方 案目录一、锅炉简介二、烘炉三、煮炉四、漏风试验五、冲管六、蒸汽严密性试验七、安全阀调整八、 72 小时试运行前言锅炉本体安装结束,进入烘煮炉阶段亦即锅炉已基本进入了最后的调试阶段。为确保锅炉调试顺利进行,并确保锅炉将来的运行质量,特制定此方案,供调试中参照执行。同时,建设单位及安装单位会同锅炉厂及其他协作单位,成立锅炉启动验收小组负责锅炉的启动、调试、试运行的组织领导工作。以保证政令贯通,各工种职责分明,相互协作,相互配合,确保启动调试工作的顺利进行。确保锅炉如期顺利、优质的竣工投产。一、锅炉简介锅炉型号 : CG-130/3.82-Q1 锅炉所采用的燃料为高炉煤气,煤气发热值低且着火温度较高,所以在炉膛下部采用了稳定燃烧和强化传热的炉内蓄热稳燃装置,保证了高炉煤气的充分燃烧。省煤器和空气预热器各为两级交替布置。空气预热器上级为管式,中级为管式,下级的下部为管式。构架采用钢结构,按7 级地震校核。锅筒内部采用旋风分离器,采用集中下降管。过热器温度采用喷水减温调节装置。炉膛采用膜式水冷壁。平台采用栅栏式结构。主要技术参数名称单位数据蒸发量t/h 130 工作压力MPa 3.82 蒸汽温度℃450 给水温度℃104 热空气温度℃380 排烟温度℃145 锅炉设计效率% 87 炉膛出口烟温℃897 排污率% 2 运转层标高m 8 汽包中心线标高m 29 适用燃料高炉煤气点火方式常规点火地震裂度度7 二、 烘炉1、烘炉的目的 :由于新安装的锅炉,在炉墙材料中及砌筑过程中吸收了大量的水份,如与高温烟气接触,则炉墙中含有的水份因为温差过大,急剧蒸发,产生大量的蒸汽,进二由于蒸汽的急剧膨胀,使炉墙变形、开裂。所以,新安装的锅炉在正式投产前,必须对炉墙进行缓慢烘炉,使炉墙中的水份缓慢逸出,确保炉墙热态运行的质量。2、烘炉应具备的条件:2. 1、锅炉管路已全部安装完毕,水压试验合格。2. 2、炉墙砌筑及保温工作已全部结束,并已验收合格。2. 3、烟风道都已安装完毕,保温结束,送引风机均已安装调试合格,能投入运行。2. 4、烘炉所需的热工电气仪表均已安装,并校验合格。2. 5、烘炉用的木柴、各种工具(包括检查、现场照明等)都已准备完毕。2. 6、烘炉用的设施全部安装好,并将与烘炉无关的其它临时设施全部拆除,场地清理干净。2. 7、烘炉人员都已经过培训合格,并排列值班表,按要求,准时到岗。3、烘 炉工艺 : (1). 根据本锅炉的结构特...

1、当您付费下载文档后,您只拥有了使用权限,并不意味着购买了版权,文档只能用于自身使用,不得用于其他商业用途(如 [转卖]进行直接盈利或[编辑后售卖]进行间接盈利)。
2、本站所有内容均由合作方或网友上传,本站不对文档的完整性、权威性及其观点立场正确性做任何保证或承诺!文档内容仅供研究参考,付费前请自行鉴别。
3、如文档内容存在违规,或者侵犯商业秘密、侵犯著作权等,请点击“违规举报”。

碎片内容

锅炉调试方案

您可能关注的文档

确认删除?
VIP
微信客服
  • 扫码咨询
会员Q群
  • 会员专属群点击这里加入QQ群
客服邮箱
回到顶部