电脑桌面
添加小米粒文库到电脑桌面
安装后可以在桌面快捷访问

锚固板技术交底

锚固板技术交底_第1页
1/7
锚固板技术交底_第2页
2/7
锚固板技术交底_第3页
3/7
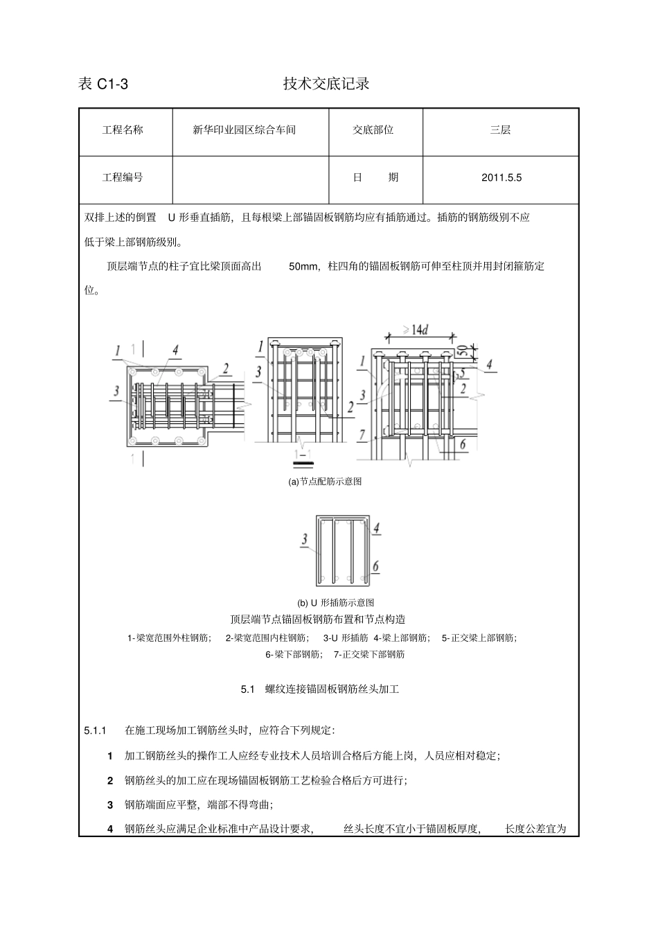
表 C1-3 技术交底记录工程名称新华印业园区综合车间交底部位三层工程编号日期2011.5.5 交底内容:钢筋锚固板1.材料要求(1)成型钢筋:必须符合配料单的规格、尺寸、数量,并应有检验报告。(2)本工程柱、梁所用锚固板均为HRB400 三级 25 钢筋。(3)锚固板均采用建研科技股份有限公司生产CABR 钢筋锚固板,有出厂合格证。2.主要机具钢筋扳子、车丝机、脚手架、钢丝刷、粉笔、扭力扳手。3.作业条件1)钢筋进场后,应有出厂证明、复试报告,并按施工平面图中指定位置,按规格、部位、编号分部加垫木堆放。(2)钢筋车丝前,应检查有无锈蚀现象,除锈之后再车丝。(3)熟悉图纸,按设计要求加工钢筋规格、数量。4.操作工艺工艺流程:钢筋下料→钢筋套丝→接头单体试件试验→钢筋连接→质量检查 1. 钢筋下料可用钢筋切断机或砂轮锯,不得用气割下料。钢筋下料时,要求钢筋端面与钢筋轴线垂直,端头不得弯曲、不得出现马蹄形。 2 钢筋套丝: 2.1 套丝机必须用水溶性切削冷却润滑液,不得用机油润滑或不加润滑液套丝。 2.2 钢筋套丝质量必须用牙形规与卡规检查,钢筋的牙形必须与牙形规相吻合,其小端直径必须在卡规上标出的允许误差之内,锥螺纹丝扣完整牙数不得小于表4-26 的规定值。锥螺纹丝扣完整牙数表 4-26钢筋直径(mm) 完整牙数不小于(个) 25~ 28 11 3 框架梁、 柱纵向钢筋在节点中采用锚固板钢筋锚固时,钢筋的保护层厚度不应小于现行国家标准《混凝土结构设计规范》GB50010 的相关规定;各钢筋之间的净间距不应小于1.5d。4 中间层中间节点梁下部纵向钢筋在节点中采用锚固板钢筋锚固时,应满足下图的要求;中间层端节点梁纵向钢筋在节点中采用锚固板钢筋锚固时,应满足下图的要求。图中lab 为现行国家标准《混凝土结构设计规范》GB50010 规定的受拉钢筋基本锚固长度,labE 为受拉钢筋抗震基本锚固长度,按现行国家标准《混凝土结构设计规范》GB50010 中的相关规定取用。表 C1-3 技术交底记录工程名称新华印业园区综合车间交底部位三层工程编号日期2011.5.5 5 顶层中间节点柱的纵向钢筋在节点中采用锚固板钢筋锚固时,应满足下图的要求;顶层中间节点梁的下部纵向钢筋在节点中采用锚固板钢筋锚固时,应满足下图的要求。6顶层端节点柱的内侧纵向钢筋(正弯矩钢筋)在节点中采用锚固板钢筋锚固时,应满足下图的要求;顶层端节点梁的下部纵向钢筋在节点中采用锚固板钢筋锚固时,应满足下图的要求。顶层端节...

1、当您付费下载文档后,您只拥有了使用权限,并不意味着购买了版权,文档只能用于自身使用,不得用于其他商业用途(如 [转卖]进行直接盈利或[编辑后售卖]进行间接盈利)。
2、本站所有内容均由合作方或网友上传,本站不对文档的完整性、权威性及其观点立场正确性做任何保证或承诺!文档内容仅供研究参考,付费前请自行鉴别。
3、如文档内容存在违规,或者侵犯商业秘密、侵犯著作权等,请点击“违规举报”。

碎片内容

锚固板技术交底

确认删除?
VIP
微信客服
  • 扫码咨询
会员Q群
  • 会员专属群点击这里加入QQ群
客服邮箱
回到顶部