电脑桌面
添加小米粒文库到电脑桌面
安装后可以在桌面快捷访问

最新排水管道施工方案

最新排水管道施工方案_第1页
1/41
最新排水管道施工方案_第2页
2/41
最新排水管道施工方案_第3页
3/41
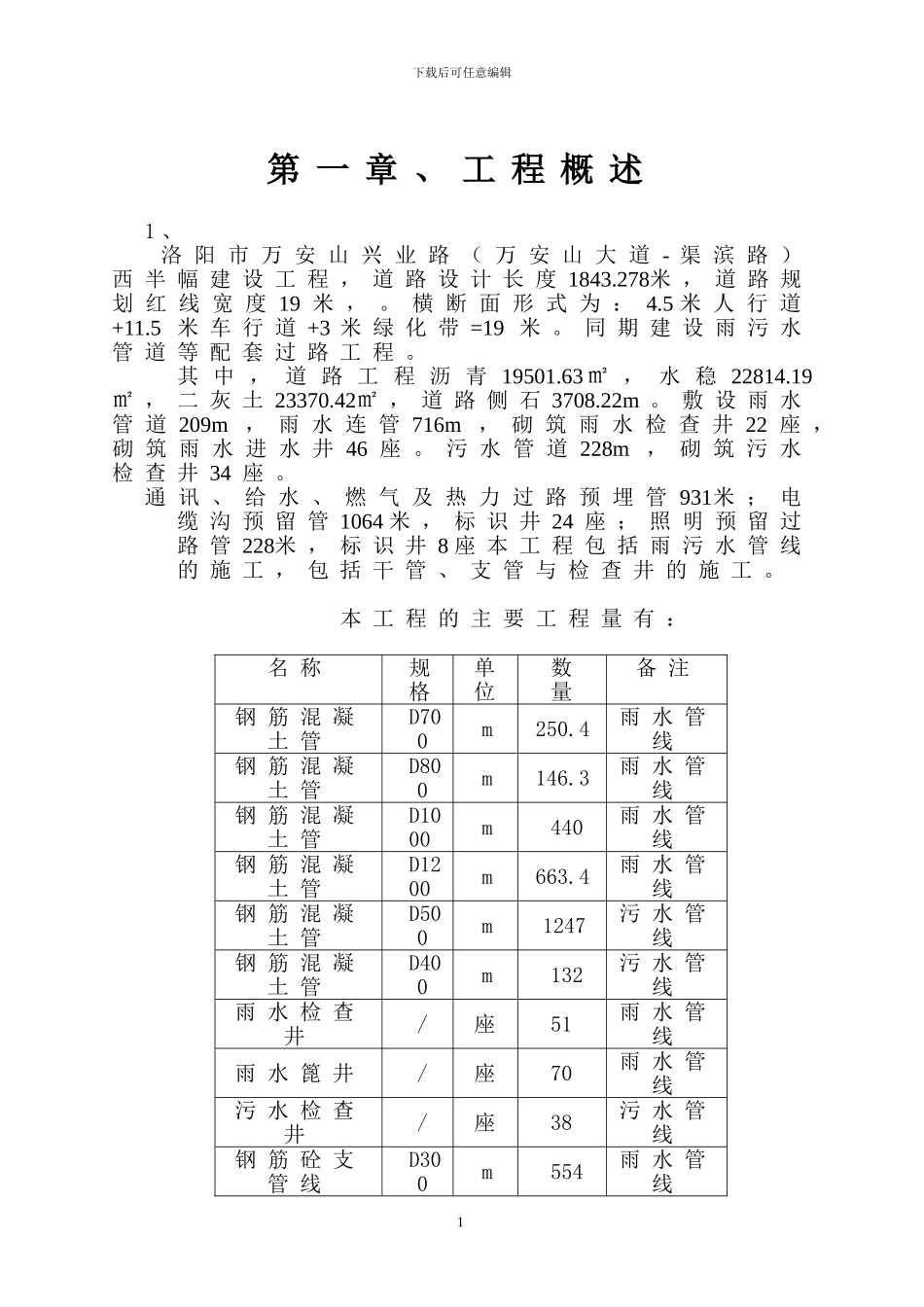
下载后可任意编辑1 下载后可任意编辑第 一 章 、 工 程 概 述1 、洛 阳 市 万 安 山 兴 业 路 ( 万 安 山 大 道 - 渠 滨 路 )西 半 幅 建 设 工 程 , 道 路 设 计 长 度 1843.278米 , 道 路 规划 红 线 宽 度 19 米 , 。 横 断 面 形 式 为 : 4.5 米 人 行 道+11.5 米 车 行 道 +3 米 绿 化 带 =19 米 。 同 期 建 设 雨 污 水管 道 等 配 套 过 路 工 程 。其 中 , 道 路 工 程 沥 青 19501.63 ㎡ , 水 稳 22814.19㎡ , 二 灰 土 23370.42㎡ , 道 路 侧 石 3708.22m 。 敷 设 雨 水管 道 209m , 雨 水 连 管 716m , 砌 筑 雨 水 检 查 井 22 座 ,砌 筑 雨 水 进 水 井 46 座 。 污 水 管 道 228m , 砌 筑 污 水检 查 井 34 座 。通 讯 、 给 水 、 燃 气 及 热 力 过 路 预 埋 管 931米 ; 电缆 沟 预 留 管 1064 米 , 标 识 井 24 座 ; 照 明 预 留 过路 管 228米 , 标 识 井 8 座 本 工 程 包 括 雨 污 水 管 线的 施 工 , 包 括 干 管 、 支 管 与 检 查 井 的 施 工 。本 工 程 的 主 要 工 程 量 有 :名 称规格单位数量备 注钢 筋 混 凝土 管D700m250.4雨 水 管线钢 筋 混 凝土 管D800m146.3雨 水 管线钢 筋 混 凝土 管D1000m440雨 水 管线钢 筋 混 凝土 管D1200m663.4雨 水 管线钢 筋 混 凝土 管D500m1247污 水 管线钢 筋 混 凝土 管D400m132污 水 管线雨 水 检 查井/座51雨 水 管线雨 水 篦 井/座70雨 水 管线污 水 检 查井/座38污 水 管线钢 筋 砼 支管 线D300m554雨 水 管线1 下载后可任意编辑四 、 编 制 依 据 :1. 编 制 依 据( 1 ) 施 工 图 : 以 《 雨 污 水 管 线 平 面 图 》 《 雨 污 水管 线 断 面 图 》 及 其 设 计 总 说 明 为 本 次 施 工 依 据 。( 2 ) 管 道 铺 设 及 检 查 井 的 浇 筑 : 以 《 市 政 排 水 管道 工 程 及 附 属 设 施 》 为 施 工 依 据 。( 3 ) 验 收 依 据 : 《 给 水 排 水 管 道 工 程 施 工 及 验 收法 律 规 范 》...

1、当您付费下载文档后,您只拥有了使用权限,并不意味着购买了版权,文档只能用于自身使用,不得用于其他商业用途(如 [转卖]进行直接盈利或[编辑后售卖]进行间接盈利)。
2、本站所有内容均由合作方或网友上传,本站不对文档的完整性、权威性及其观点立场正确性做任何保证或承诺!文档内容仅供研究参考,付费前请自行鉴别。
3、如文档内容存在违规,或者侵犯商业秘密、侵犯著作权等,请点击“违规举报”。

碎片内容

最新排水管道施工方案

确认删除?
VIP
微信客服
  • 扫码咨询
会员Q群
  • 会员专属群点击这里加入QQ群
客服邮箱
回到顶部