电脑桌面
添加小米粒文库到电脑桌面
安装后可以在桌面快捷访问

隐蔽工程验收记录地下混凝土结构

隐蔽工程验收记录地下混凝土结构_第1页
1/20
隐蔽工程验收记录地下混凝土结构_第2页
2/20
隐蔽工程验收记录地下混凝土结构_第3页
3/20
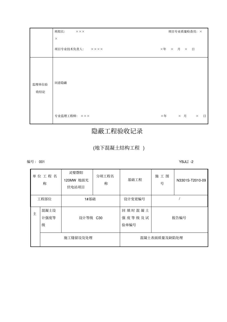
隐蔽工程验收记录( 地下混凝土结构工程 ) 编号 : 001 YBJLⅠ-2单 位 工 程 名称灵璧磬阳 120MW地面光伏电站项目分项工程名称基础工程施 工 图 号N3301S-T2010-09工程部位1#基础设计变更编号/主要质量情况混凝土设计强度等级设计等级 C30回 填 时 混 凝 土 强度 等 级 及 试 验 单编号报告编号施工缝留设及处理混凝土表面质量及缺陷处理1、施工缝的位置已按设计要求和施工技术方案确定。2、施工缝已按施工技术方案进行了处理。3、后浇带的留置位置按设计要求并编制了施工技术方案。4、后浇带混凝土浇筑施工已按技术方案实施。填写时应注意:1、现浇结构的外观质量缺陷,由监理(建设 )单位、施工单位等各方根据其对结构性能和使用功能影响的严重程度进行坚定。2、由监理 (建设 )单位、施工单位对外观质量和尺寸偏差进行检查,作出记录,并应及时按施工技术方案对缺陷进行处理。3、如果无外观缺陷, 此项填混凝土表面无质量缺陷。尺寸检查见现浇混凝土质量验收检验批×××。施工单位检查结果自检合格。班组长:×××项目专业质量检查员:××项目专业技术负责人:×××××年×月×日监理单位验收结论同意隐蔽专业监理工程师: ××××年× 月×日隐蔽工程验收记录(地下混凝土结构工程 )编号 : 001 YBJLⅠ-2单 位 工 程 名称灵璧磬阳120MW 地面光伏电站项目分项工程名称基础工程施 工 图号N3301S-T2010-09工程部位1#基础设计变更编号/主混凝土设计强度等级设计等级 C30回 填 时 混 凝 土强 度 等 级 及 试验单编号报告编号施工缝留设及处理混凝土表面质量及缺陷处理要质量情况1、施工缝的位置已按设计要求和施工技术方案确定。2、施工缝已按施工技术方案进行了处理。3、后浇带的留置位置按设计要求并编制了施工技术方案。4、后浇带混凝土浇筑施工已按技术方案实施。填写时应注意:1、现浇结构的外观质量缺陷,由监理 (建设 )单位、施工单位等各方根据其对结构性能和使用功能影响的严重程度进行坚定。2、由监理 (建设 )单位、施工单位对外观质量和尺寸偏差进行检查,作出记录,并应及时按施工技术方案对缺陷进行处理。3、如果无外观缺陷, 此项填混凝土表面无质量缺陷。尺寸检查见现浇混凝土质量验收检验批×××。施工单位检查结果自检合格。班组长:×××项目专业质量检查员:××项目专业技术负责人:×××××年×月×日监理单位验收结论同意隐蔽专业监理工程师:××××年...

1、当您付费下载文档后,您只拥有了使用权限,并不意味着购买了版权,文档只能用于自身使用,不得用于其他商业用途(如 [转卖]进行直接盈利或[编辑后售卖]进行间接盈利)。
2、本站所有内容均由合作方或网友上传,本站不对文档的完整性、权威性及其观点立场正确性做任何保证或承诺!文档内容仅供研究参考,付费前请自行鉴别。
3、如文档内容存在违规,或者侵犯商业秘密、侵犯著作权等,请点击“违规举报”。

碎片内容

隐蔽工程验收记录地下混凝土结构

您可能关注的文档

确认删除?
VIP
微信客服
  • 扫码咨询
会员Q群
  • 会员专属群点击这里加入QQ群
客服邮箱
回到顶部