电脑桌面
添加小米粒文库到电脑桌面
安装后可以在桌面快捷访问

隧道支护施工技术交底

隧道支护施工技术交底_第1页
1/11
隧道支护施工技术交底_第2页
2/11
隧道支护施工技术交底_第3页
3/11
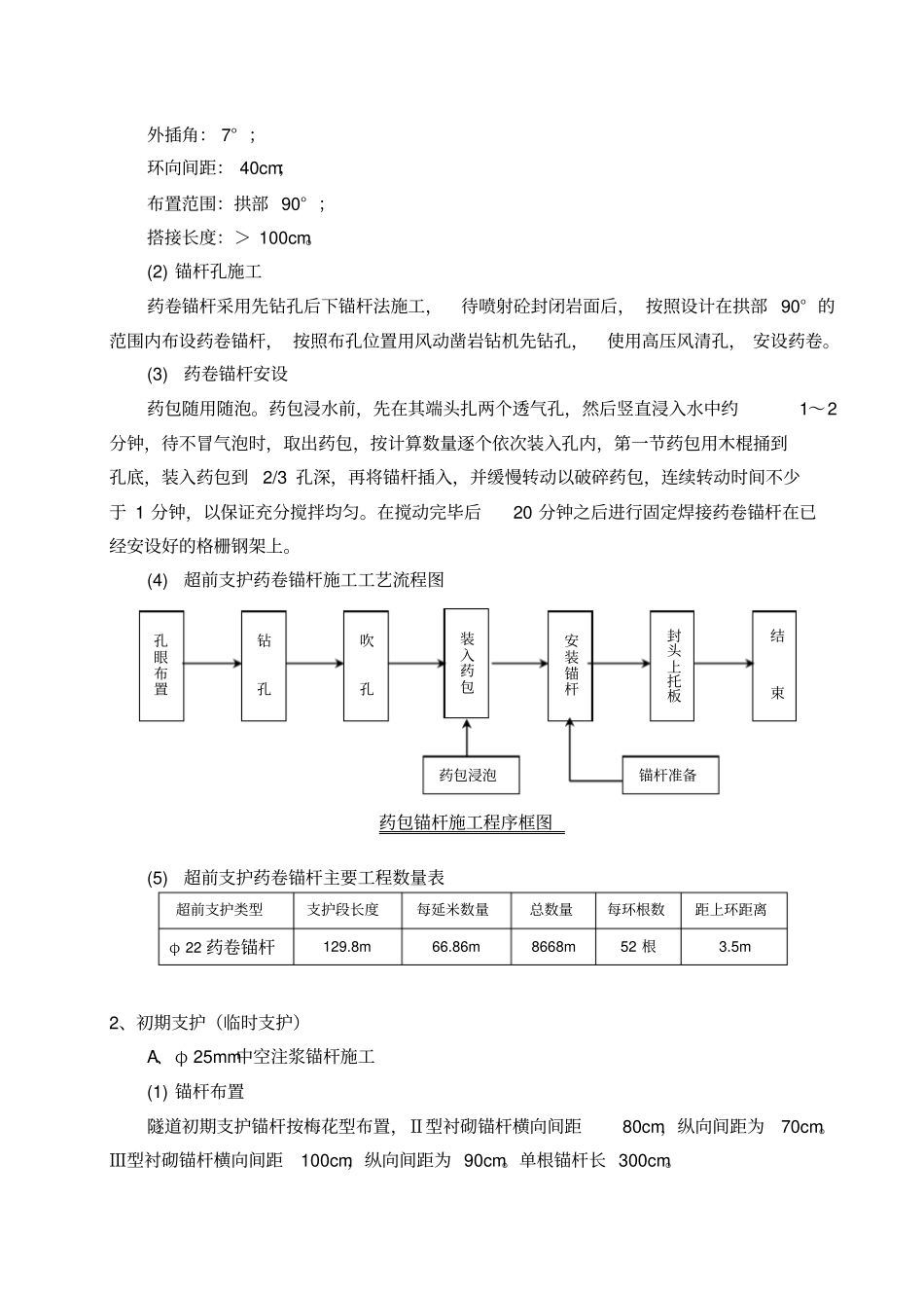
隧道支护施工技术交底隧道锚喷支护施工技术交底一、适用范围适用于隧道施工。二、施工工艺及操作要点1、超前支护A、小导管施工本隧道进出口Ⅱ类衬砌段由于岩体破碎,开挖时为了施工安全设有小导管注浆进行超前支护。(1) 小导管主要参数型号: φ 42mm,壁厚 4.0mm,无缝钢管;长度: 4.5m;外插角: 7° ;环向间距: 40cm;布置范围:拱部 120° ;搭接长度:> 100cm。(2) 小导管加工小导管前端10cm 加工成尖形,以便插入,在管段中间部位钻四排φ 8 出浆孔,间距10cm,梅花型布置,后端预留30cm止浆段不钻孔;(3) 小导管施工小导管采用先钻孔后下钢管法施工,待喷射砼封闭岩面后,按照设计在拱部120° 的范围内布设小导管, 按照布孔位置用风动凿岩钻机先钻孔,使用高压风清孔, 安设小导管,(或大锤) 直接将小钢管打入岩层, 并与预先埋设的钢架组合焊接在一起,后压注水泥浆。(4) 注浆施工参数① 无水地段注单液浆(有水地段注双液浆) 。水泥浆水灰比为 0.5:1 ~1:1 。注浆预加固后尽快开挖坑道;② 注浆压力 0.5 ~1MPa;③ 小导管注浆量计算: Q=π R2Lη式中: R—浆液扩散半径,取0.2m; L—小导管长度,取6m;η —岩体孔隙率,现场测定。(5) 注浆压力控制注浆口最高压力严格控制在0.5Mpa(施工中可根据实际情况进行调整)以内,以防压裂工作面。控制进浆速度,一般每根导管双液总进量控制在30L/min 以内。每根导管内注浆量由计算确定,若压力上升,流量减少,虽然注浆量未达到计算值,但孔口压力已达到0.5Mpa,结束注浆。 (6) 超前支护小导管施工工艺流程图(7) 超前支护小导管主要工程数量表超前支护类型支护段长度每延米数量总数量每环根数距上环距离φ 42 注浆小导管183.5m 90m 16515m 70 根3.5m B、药卷锚杆施工本隧道中部Ⅲ类衬砌段由于岩体破碎,开挖时为了施工安全设有药卷锚杆进行超前支护。(1) 药卷锚杆主要参数型号: φ 22mm普通砂浆锚杆;长度: 4.5m;地质调查注浆设计现场试验效果检查制定施工方案进入施工施工准备喷砼封闭掌子面钻孔打小导管注浆开挖配比试验浆液选择注浆参数设备准备管材加工材料准备机具准备超前小导管施工工艺流程图外插角: 7° ;环向间距: 40cm;布置范围:拱部 90° ;搭接长度:> 100cm。(2) 锚杆孔施工药卷锚杆采用先钻孔后下锚杆法施工,待喷射砼封闭岩面后, 按照设计在拱部 90° 的范围内布设药卷锚杆, 按照布孔位置用...

1、当您付费下载文档后,您只拥有了使用权限,并不意味着购买了版权,文档只能用于自身使用,不得用于其他商业用途(如 [转卖]进行直接盈利或[编辑后售卖]进行间接盈利)。
2、本站所有内容均由合作方或网友上传,本站不对文档的完整性、权威性及其观点立场正确性做任何保证或承诺!文档内容仅供研究参考,付费前请自行鉴别。
3、如文档内容存在违规,或者侵犯商业秘密、侵犯著作权等,请点击“违规举报”。

碎片内容

隧道支护施工技术交底

您可能关注的文档

确认删除?
VIP
微信客服
  • 扫码咨询
会员Q群
  • 会员专属群点击这里加入QQ群
客服邮箱
回到顶部