电脑桌面
添加小米粒文库到电脑桌面
安装后可以在桌面快捷访问

集装箱活动板房施工设计方案

集装箱活动板房施工设计方案_第1页
1/7
集装箱活动板房施工设计方案_第2页
2/7
集装箱活动板房施工设计方案_第3页
3/7
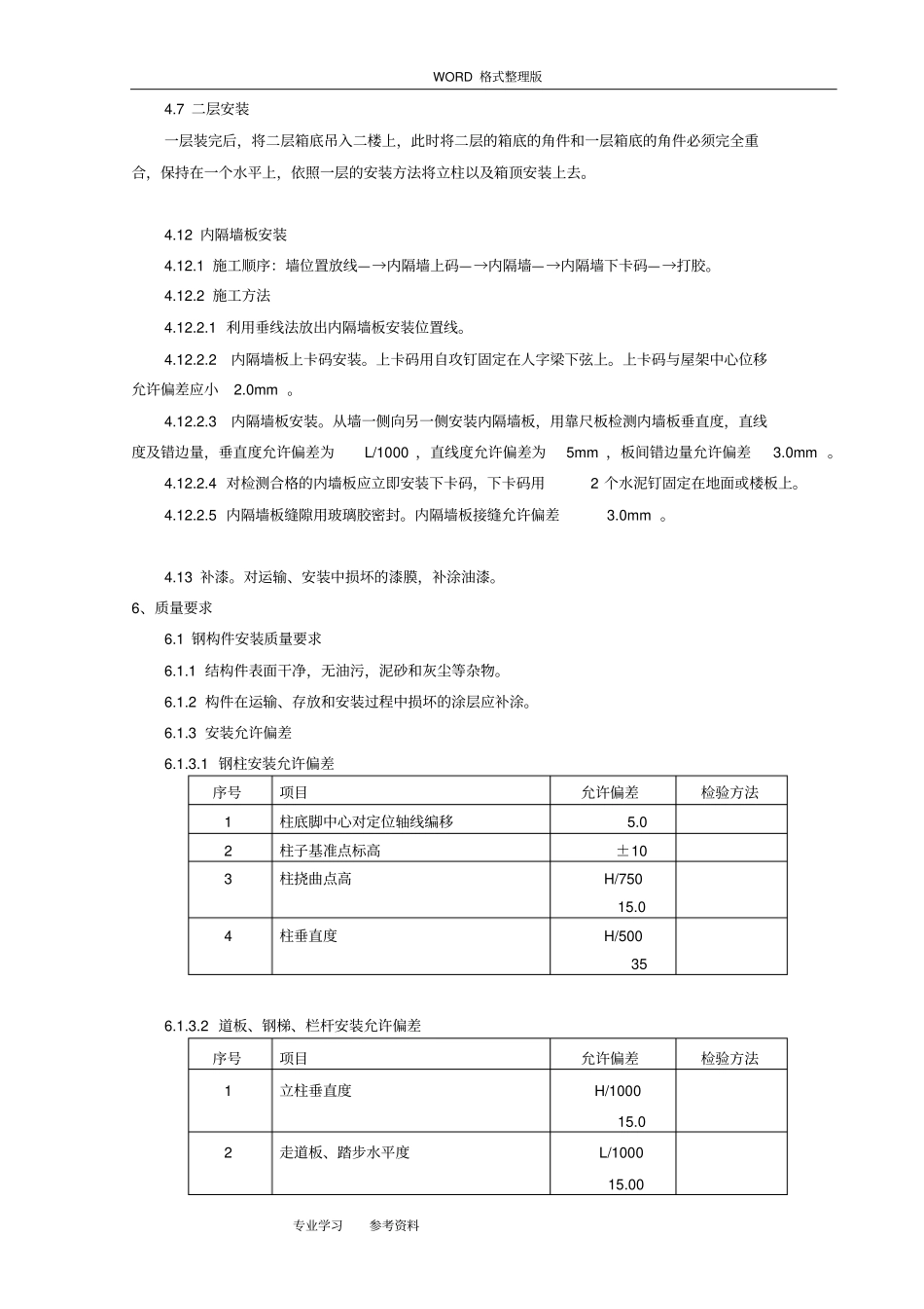
WORD 格式整理版专业学习参考资料集装箱活动板房施工方案1、 概述本工程集装箱活动房尺寸为3000*6000*2700。2、材料采用:外墙侧板采用75mm双面彩钢岩棉夹芯板,彩钢板厚度为0.4mm ,内隔板采用50mm厚双面彩钢板, 门采用钢制防盗门,骨架材料由12# 槽钢、C100*50*2型钢、120*60*2.5矩形钢、40 角钢由 M12 锣栓连接而成。3、安装前准备工作3.1 机具和材料准备3.1.1 主要机具:手电钻、冲击钻、电锤、拉铆枪、电刨子、电锯、电焊机、火焊工具、钻头、锤头 .等。3.1.2 放样工具:线坠、墨斗、水平尺、水管、钢卷尺、钢板尺、线绳. 3.1.3 安装工具:螺丝刀、橡皮锤、铁锤、壁纸刀、大力钳、活搬手、钳子. 3.1.4 安装小料:自攻钉、膨胀螺栓、水泥钉、镀锌螺栓、拉铆钉、电焊条、螺丝. 3.1.5 辅助材料:密封胶、胶枪. 3.1.6 配合工具:人字梯、马凳、麻绳、绳扣.、等。3.2 暂设3.2.1 设置施工用棚蓬一顶,长×宽×高=5m × 3m × 1.5m 。3.2.2 规划出材料堆放场地一块,场地大小见施工总平面图。3.2.3 临时用水、用电,甲方指定水、电源。3.2.4 设置临时配电盘一块,夜间施工临时照明灯两盏。3.3 材料运输3.3.1 踏查道路情况,选择最佳运输路线。3.3.2 材料运输应按照安装顺序成套进行,先安先运,后安后运。3.3.3 不同构件应选择不同的运输方法。如:窗、门、人字架应立放, 相互间用非金属材料隔开,五金件要相互错开。3.3.4 构件要轻拿轻放,不得撬、甩、摔依次提取码放。3.3.5 装车仔细,绑扎合理牢靠,保持清洁,防止车辆颠振损坏构件。3.3.6 构件在运输、保管和施工中,应采取防止损坏,变形,丢失的措施。WORD 格式整理版专业学习参考资料3.4 看护、清点、修理3.4.1 材料进场后应设专人看护,严防丢失。3.4.2 安装前,应按照板房构件明细表对构件仔细清点,对缺少的构件及时上报名称、规格、数量;对变形、掉漆的构件应及时修理;对物件表面的油污、泥砂、灰尘等杂物及时清理。3.5 基础验收根据我公司提供的板房基础条件,对板房基础进行验收。主要内容:混凝土强度,基础标高,上表面平整度,基础宽度,几何尺寸。4、安装程序4.1 放线按照图纸尺寸,利用墨斗在板房基础上弹出板房安装位置线,用勾股弦法规方。用水平管在基础四周给出相对标高点。4.2 箱底安装将箱底吊至集装箱活动房基础上,位置线找正,箱底外侧梁位置允许偏差3 毫米。根据基础四周给定的相对标高找正标高。调整箱底标高时,利...

1、当您付费下载文档后,您只拥有了使用权限,并不意味着购买了版权,文档只能用于自身使用,不得用于其他商业用途(如 [转卖]进行直接盈利或[编辑后售卖]进行间接盈利)。
2、本站所有内容均由合作方或网友上传,本站不对文档的完整性、权威性及其观点立场正确性做任何保证或承诺!文档内容仅供研究参考,付费前请自行鉴别。
3、如文档内容存在违规,或者侵犯商业秘密、侵犯著作权等,请点击“违规举报”。

碎片内容

集装箱活动板房施工设计方案

您可能关注的文档

确认删除?
VIP
微信客服
  • 扫码咨询
会员Q群
  • 会员专属群点击这里加入QQ群
客服邮箱
回到顶部