电脑桌面
添加小米粒文库到电脑桌面
安装后可以在桌面快捷访问

食品添加剂生产企业必备生产设备与检测设备

食品添加剂生产企业必备生产设备与检测设备_第1页
1/30
食品添加剂生产企业必备生产设备与检测设备_第2页
2/30
食品添加剂生产企业必备生产设备与检测设备_第3页
3/30
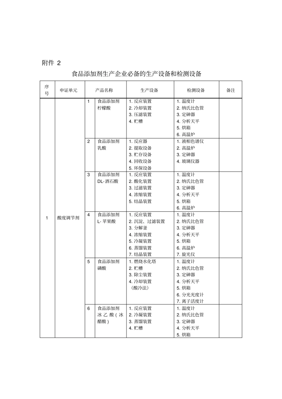
附件 2 食品添加剂生产企业必备的生产设备和检测设备序号申证单元产品名称生产设备检测设备备注1酸度调节剂1食品添加剂柠檬酸1. 反应装置2. 冷却装置3. 压滤装置4. 贮槽1. 温度计2. 纳氏比色管3. 定砷器4. 分析天平5. 烘箱6. 高温炉2食品添加剂乳酸1. 反应器2. 提取设备3. 贮存设备4. 回收设备5. 环保设备1. 液相色谱仪2. 高温炉3. 定砷器4. 玻璃仪器3食品添加剂DL-酒石酸1. 反应装置2. 酸化装置3. 过滤装置4. 浓缩装置5. 结晶装置1. 温度计2. 纳氏比色管3. 定砷器4. 分析天平5. 烘箱6. 高温炉4食品添加剂L- 苹果酸1. 反应装置2. 沉淀、过滤装置3. 分解釜4. 浓缩装置5. 冷凝装置6. 蒸馏装置7. 结晶装置1. 温度计2. 纳氏比色管3. 定砷器4. 分析天平5. 烘箱6. 高温炉7. 旋光仪5食品添加剂磷酸1. 燃烧水化塔2. 贮槽3. 除尘装置4. 冷却装置(酸冷法)1. 温度计2. 纳氏比色管3. 定砷器4. 分析天平5. 烘箱6. 分光光度计7. 离子活度计6食品添加剂冰 乙 酸 ( 冰醋酸 )1. 反应装置2. 冷凝装置3. 蒸馏装置4. 贮槽1. 温度计2. 纳氏比色管3. 定砷器4. 分析天平5. 烘箱序号申证单元产品名称生产设备检测设备备注7食品添加剂盐酸1. 氢气缓冲罐2. 氢气阻火器3. 氯气缓冲罐4. 氯气阻火器5. 合成炉6. 石墨冷却器7. 氯化氢吸收塔8. 集酸槽1. 温度计2. 纳氏比色管3. 定砷器4. 分析天平5. 烘箱6. 分光光度计7. 高温炉8食品添加剂氢氧化钠1. 电解液贮槽2. 蒸发器3. 电解液循环槽4. 滤盐设备5. 冷却器6. 浓碱贮槽7. 采盐器8. 蒸发器9. 熔盐锅10. 片碱机1. 温度计2. 纳氏比色管3. 定砷器4. 分析天平5. 烘箱6. 原子吸收分光光度计9食品添加剂碳酸钾1. 碳酸化塔2. 蒸发器3. 分离器4. 干燥器5. 输送器1. 温度计2. 纳氏比色管3. 定砷器4. 分析天平5. 烘箱6. 火焰光度计7. 分光光度计8. 高温炉10食品添加剂碳酸钠1. 溶碱桶2. 结晶器3. 离心机4. 分离器5. 加热器6. 煅烧炉1. 温度计2. 纳氏比色管3. 定砷器4. 分析天平5. 烘箱6. 离子活度计7. 分光光度计8. 高温炉11食品添加剂柠檬酸钾1. 反应装置2. 提取装置3. 贮存装置4. 干燥装置5. 回收装置1. 温度计2. 纳氏比色管3. 定砷器4. 分析天平5. 烘箱序号申证单元产品名称生产设备检测设备备注12食品添加剂柠檬酸钠1. 反应装置2. 结晶装置3. 干燥装置4. 贮存装置1. 温度计2. 纳...

1、当您付费下载文档后,您只拥有了使用权限,并不意味着购买了版权,文档只能用于自身使用,不得用于其他商业用途(如 [转卖]进行直接盈利或[编辑后售卖]进行间接盈利)。
2、本站所有内容均由合作方或网友上传,本站不对文档的完整性、权威性及其观点立场正确性做任何保证或承诺!文档内容仅供研究参考,付费前请自行鉴别。
3、如文档内容存在违规,或者侵犯商业秘密、侵犯著作权等,请点击“违规举报”。

碎片内容

食品添加剂生产企业必备生产设备与检测设备

文本预览

{php // 将文本按句子/段落分割,输出为段落标签,更利于SEO $paragraphs = preg_split('/[\n\r]+/', trim($seo_txt)); foreach($paragraphs as $p) { $p = trim($p); if(strlen($p) > 5) { echo '

' . htmlspecialchars($p) . '

'; } } }
展开全部 ▼
确认删除?
VIP
微信客服
  • 扫码咨询
会员Q群
  • 会员专属群点击这里加入QQ群
客服邮箱
回到顶部