电脑桌面
添加小米粒文库到电脑桌面
安装后可以在桌面快捷访问

验证控制程序VIP专享

验证控制程序_第1页
1/5
验证控制程序_第2页
2/5
验证控制程序_第3页
3/5
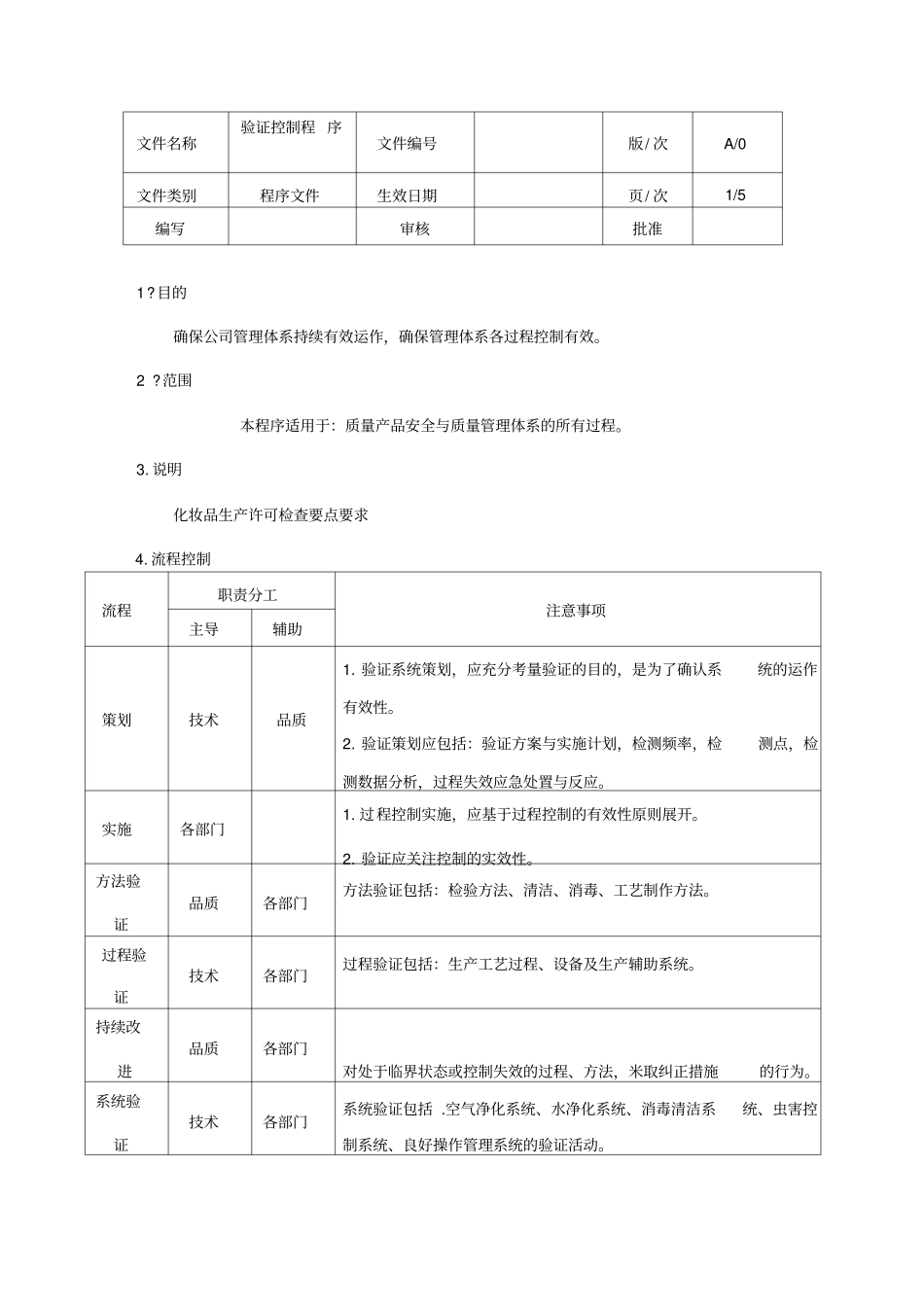
文件名称验证控制程 序文件编号版/ 次A/0文件类别程序文件生效日期页/ 次1/5编写审核批准1?目的确保公司管理体系持续有效运作,确保管理体系各过程控制有效。2 ?范围本程序适用于:质量产品安全与质量管理体系的所有过程。3. 说明化妆品生产许可检查要点要求4. 流程控制流程职责分工注意事项主导辅助策划技术品质1. 验证系统策划,应充分考量验证的目的,是为了确认系统的运作有效性。2. 验证策划应包括:验证方案与实施计划,检测频率,检测点,检测数据分析,过程失效应急处置与反应。实施各部门1. 过程控制实施,应基于过程控制的有效性原则展开。2. 验证应关注控制的实效性。方法验证品质各部门方法验证包括:检验方法、清洁、消毒、工艺制作方法。过程验证技术各部门过程验证包括:生产工艺过程、设备及生产辅助系统。持续改进品质各部门对处于临界状态或控制失效的过程、方法,米取纠正措施的行为。系统验证技术各部门系统验证包括 .空气净化系统、水净化系统、消毒清洁系统、虫害控制系统、良好操作管理系统的验证活动。5. 补充说明5.1 定义验证:证明任何程序、生产过程、设备、物料、活动或系统确实能达到预期结果的有文件证明的一系列活动。5.2 验证的分类以验证的内容可以分以下四大类:检验方法验证;设备及生产辅助系统及设施验证;工艺验证;清洁验证。5.3 验证实施的时间要求1)在建筑物建造或改造以后。2)在设备、系统安装后或有大的改造后。3)引进新处方或新方法后。4)在处方或方法有重大变更时。5) 按照验证周期的要求,公司关键生产设备、设施、清洁验证、工艺验证的验证周期一般为一年,可根据验证具体情况由验证小组决定是否需进行再验证5.4 验证常用方法5.4.1 前验证1)验证对象正式投入使用前必须完成并达到设定要求的验证。2) 适用范围:新产品、新工艺、新设备等。灭菌设备及关键生产工序(如总混等)必须采用前验证。5.4.2 同步验证1) 指生产中在某项工艺运行的同时进行的验证,即从工艺运行过程中获得的数据来确立文件的依据,以证明某项工艺、设备等达到预定要求的活动。2)适用范围:对所验证的对象已有相当的经验及把握的情况下采用。5.4.3 回顾性验证1 )指以历史数据的统计分析为基础的旨在证实正式生产工艺条件适用性的验证。2)适用范围:原来未经验证的老产品、老工艺、老设备的验证。5.4.4 验证的实施步骤1)成立验证小组(验证小组的成员组成详见各验证规程)2)制定验证实施...

1、当您付费下载文档后,您只拥有了使用权限,并不意味着购买了版权,文档只能用于自身使用,不得用于其他商业用途(如 [转卖]进行直接盈利或[编辑后售卖]进行间接盈利)。
2、本站所有内容均由合作方或网友上传,本站不对文档的完整性、权威性及其观点立场正确性做任何保证或承诺!文档内容仅供研究参考,付费前请自行鉴别。
3、如文档内容存在违规,或者侵犯商业秘密、侵犯著作权等,请点击“违规举报”。

碎片内容

验证控制程序

确认删除?
VIP
微信客服
  • 扫码咨询
会员Q群
  • 会员专属群点击这里加入QQ群
客服邮箱
回到顶部