电脑桌面
添加小米粒文库到电脑桌面
安装后可以在桌面快捷访问

10KV架空配电线路设计说明

10KV架空配电线路设计说明_第1页
1/23
10KV架空配电线路设计说明_第2页
2/23
10KV架空配电线路设计说明_第3页
3/23
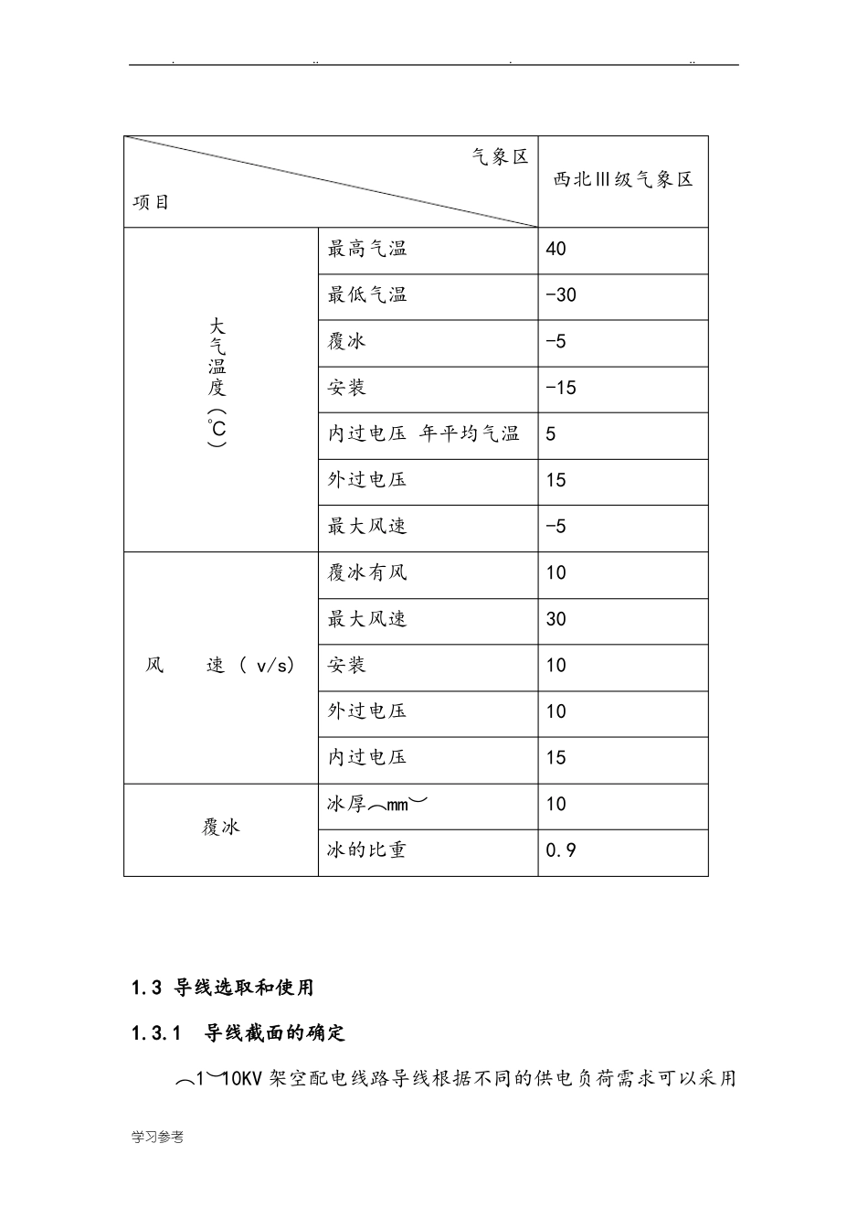
10KV 架空配电线路设计规划2016 年 3 月 29 日......第一章 总说明1.1 概述采油厂油区为近年发展较快区域,电力负荷增长较快,,本次规划分支线采用(LGJ-70mm 或 JKLYJ-10/70)。10KV 架空配电线路设计包括架空配电线路的气象条件、导线型号的选取及导线应力弧垂表、多样化杆头布置、预应力及非预应力直线杆的选用、无拉线转角杆及带拉线转角杆的选用、金具及绝缘子选用、绝缘导线防雷、柱上开关及电缆头布置、耐张及分支杆引线布置等。1.2 气象条件线路所经地段地质采油厂地处境内,沿线为典型的陕北黄土塬、梁、峁地貌。地形起伏较大,沟壑纵横,冲沟发育,地形较破碎。海拔高度在1100~1300m,相对高差在50~100m,属于一般山地地形。土壤电阻率不大于3.0×104Ω.cm具体参数如下:土壤容重γ=16 t/m3抗剪角β=30°上拔角α=20°地耐力 P=15 t/m22.气象条件气象条件为西北Ⅲ级气象,风速 30 米/秒,覆冰厚度 10mm。学习参考2......气象区西北Ⅲ级气象区项目最高气温最低气温40-30-5-15大气温度(℃)覆冰安装内过电压 年平均气温5外过电压最大风速覆冰有风最大风速15-51030101015100.9风速 ( v/s)安装外过电压内过电压冰厚(mm)覆冰冰的比重1.3 导线选取和使用1.3.1导线截面的确定(1)10KV 架空配电线路导线根据不同的供电负荷需求可以采用学习参考......50、70、95、120、150、185、240mm2等多种截面的导线。(2)同杆架设的 380/220V 架空配电线路导线根据不同的供电负荷需求可以采用 50、70、95、120、150、185 mm2等多种截面的导线。(3)使用时应根据各自的需要选择 3~4种常用截面的导线,可使杆型选择、施工备料、运行维护得以简化。1.3.2导线型号选取、导线适用档距、安全系数及允许最大直线转角角度(1)出线走廊拥挤、树线矛盾突出、人口密集的城区、集镇推荐采用 JKLYJ 系列交联架空绝缘铝线;出线走廊宽松、安全距离充足、空旷的乡村地区均可采用裸导线。(2)导线的适用档距是指导线可以使用到的最大档距,实际运用中要结合电杆的使用条件最终确定导线的使用档距。(3)考虑到绝缘导线多用于城区、乡镇,其适用档距不超过 80m。(4)裸导线最大使用至 100m,超过 100m 的使用档距不在本典型设计考虑的范围之内。(5)为减少小截面裸导线的断线几率,95mm2及以下的裸导线均采用 LGJ 钢芯铝绞线。(6)120mm2及以上的裸导线用于 80m 及以下使用档距时采用 LJ铝绞线,超过 80m 使用档距...

1、当您付费下载文档后,您只拥有了使用权限,并不意味着购买了版权,文档只能用于自身使用,不得用于其他商业用途(如 [转卖]进行直接盈利或[编辑后售卖]进行间接盈利)。
2、本站所有内容均由合作方或网友上传,本站不对文档的完整性、权威性及其观点立场正确性做任何保证或承诺!文档内容仅供研究参考,付费前请自行鉴别。
3、如文档内容存在违规,或者侵犯商业秘密、侵犯著作权等,请点击“违规举报”。

碎片内容

10KV架空配电线路设计说明

确认删除?
VIP
微信客服
  • 扫码咨询
会员Q群
  • 会员专属群点击这里加入QQ群
客服邮箱
回到顶部