电脑桌面
添加小米粒文库到电脑桌面
安装后可以在桌面快捷访问

发电机维护检修规程

发电机维护检修规程_第1页
1/21
发电机维护检修规程_第2页
2/21
发电机维护检修规程_第3页
3/21
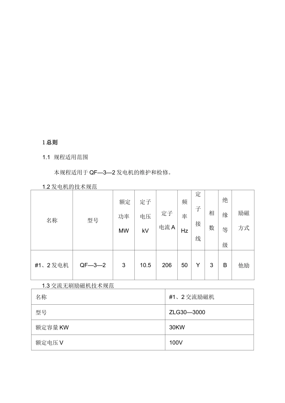
设备维护检修规程QF—3—2 发电机维护检修规程1 总则1.1 规程适用范围本规程适用于 QF—3—2 发电机的维护和检修。1.2 发电机的技术规范名称型号额定功率MW定子电压kV定子电流 A频率Hz定子接线相数绝缘等级励磁方式#1、2 发电机QF—3—2310.520650Y3B他励1.3 交流无刷励磁机技术规范名称#1、2 交流励磁机型号ZLG30—3000额定容量 KW30KW额定电压 V100V额定电流 A300A额定转速 r/min3000整流方式三相桥式2 发电机的正常运行方式2.1 发电机按照制造厂家铭牌规定的参数运行称为额定运行方式。在此方式下可以长期连续运行。2.2 转子电流的额定值,应在额定功率因数和额定电压±5%及频率±1%范围内能保证发电机额定出力的最大电流为限。2.3 发电机定子和转子线圈及定子铁芯的最大允许监视温度,应在该机绝缘等级和制造厂家所允许的限度以内。2.4 为使发电机能在较好的条件下工作,当发电机不带全负荷运行时,尽量保持定子线圈的温度在 60-80°C 之'间;在高负荷运行时寸应尽可能不超过 105°C。2.5 发电机进风温度超过额定值时,如果定子和转子线圈及定子铁芯温度未超过其绝缘等级和制造厂允许的温度时,可以不降低发电机出力。若超过,应减少额定 1-3%的定子和转子电流,但是,发电机出风温度最高不允许超过 55C。2.6 发颐进风温度低于额定值时,每降低 1C,允许定子电流升高额定值的 0.5%,转子电流也允许相应的增加。但是,只允许增加□到上比额定进风温度低 15C 为止。其最低进风温度,应以空气冷却器不凝结水珠为准。2.7 发电机定子电压的变动范围应在额定电压(10・5KV)的±5%(11KV-10KV)以内。2.8 发电机连续运行中最高允许电压不得超过额定值的 110%(M5KV)最低运行电压不应低于额额定值的 90%(9・5KV),其定子电流直以转子电流不得超过额定值为限。2.9 发颐定子电压下降 SJ 额定值的 95%(10KV)时,定子电流连续运行值不得超过额定电流的 105%(220A)2.10 发电机运行频率变动不得超过 0・5Hz,即 49・5-50・5Hz,发电机可按额定容量运行。2.11 发电机的功率因数一般不超过迟相 0£5,自动调整励磁装置投入运行时,可以在功率因数为 1 的条牛下运行,并允许短时间在进相 0£5-1 的范围内进行。2.12 发电机的功率因数与额定值(0・8)有出入时,其负荷应调整 SJ 使静子和转子电流不超过该冷却气体温度下所允许的数值。3 发电机的维护3.1 日常运行维护保持发电机本体其附属设备整洁、完好,严格按操作规程开...

1、当您付费下载文档后,您只拥有了使用权限,并不意味着购买了版权,文档只能用于自身使用,不得用于其他商业用途(如 [转卖]进行直接盈利或[编辑后售卖]进行间接盈利)。
2、本站所有内容均由合作方或网友上传,本站不对文档的完整性、权威性及其观点立场正确性做任何保证或承诺!文档内容仅供研究参考,付费前请自行鉴别。
3、如文档内容存在违规,或者侵犯商业秘密、侵犯著作权等,请点击“违规举报”。

碎片内容

发电机维护检修规程

wxg+ 关注
实名认证
内容提供者

该用户很懒,什么也没介绍

相关文档

确认删除?
VIP
微信客服
  • 扫码咨询
会员Q群
  • 会员专属群点击这里加入QQ群
客服邮箱
回到顶部