电脑桌面
添加小米粒文库到电脑桌面
安装后可以在桌面快捷访问

2019重庆分户验收表

2019重庆分户验收表_第1页
1/31
2019重庆分户验收表_第2页
2/31
2019重庆分户验收表_第3页
3/31
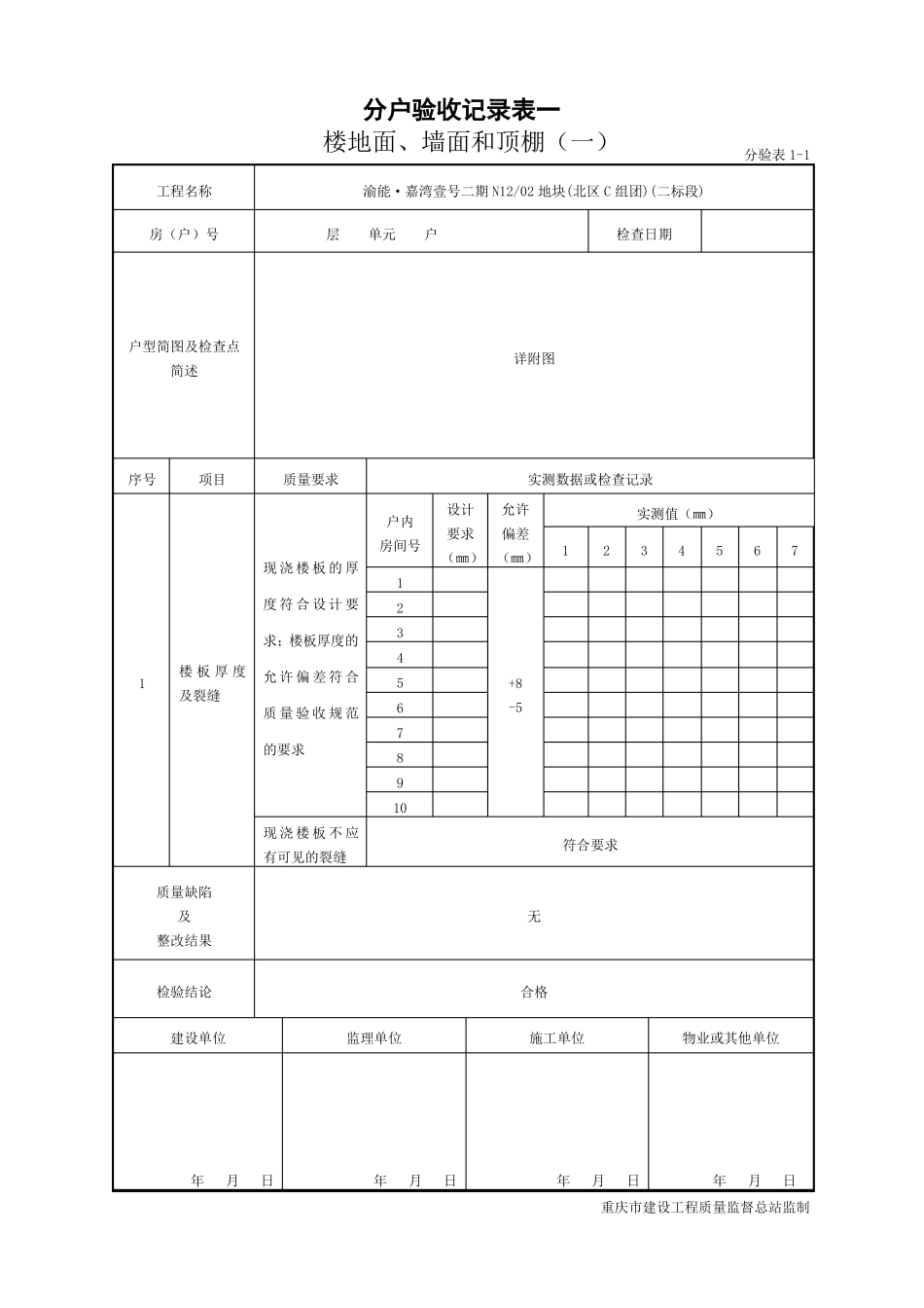
住宅工程质量分户验收表分验户表工程名称建设单位施工单位序号验收项目嘉悦江庭住宅小区(一期)项目一标段22 栋房(户)号验收日期监理单位六+1 层二单元 C9 户重庆兴隆建设工程监理有限公司验 收 记 录重庆两江商务中心置业有限公司重庆耀文建设(集团)有限公司主 要 验 收 内 容1墙面和顶棚裂缝,装饰图案、缝格、色泽、表面洁净楼地面、地面裂缝、空鼓,墙面和顶棚爆灰、空鼓、地面无裂缝、空鼓、墙面无爆灰、空鼓、裂纹2门窗窗台高度、渗水、门窗启闭、玻璃安装合设计及规范要求栏杆高度、间距符合设计要求,安装牢固、防攀爬措施齐窗台高度符合设计要求、无渗水、门窗启闭、坡璃安装符3栏杆栏杆高度、间距、安装牢固、防攀爬措施备屋面渗水、厨卫间渗水、阳台地面渗水、4防水工程外墙渗水室内主要屋面、厨卫间、阳台地面、外墙无渗水情况5空间尺寸6给排水工程开间净尺寸、室内净高开间净尺寸,室内净高符合设计要求管道渗水、管道坡向、安装固定、地漏水管道无渗水,管道坡向、安装固定、地漏水封、给水口位封、给水口位置7电气工程置8建筑节能保温层厚度、固定措施范要求保温厚度、固定措施符合设计和相关规定要求置符合设计和规范要求接地、相位、控制箱配置,开关、插座位接地、相位、控制箱配置;开关、插座位置符合设计及规9其它烟道、通风道、邮政信报箱等烟道、通风道符合设计和相关规定要求分户验收结论符合设计和相关规范规定建设单位项目负责人:验收人员:年月日施工单位项目经理:验收人员:年月日监理单位总监理工程师:验收人员:年月日物业或其他单位项目负责人:验收人员:年月日重庆市建设工程质量监督总站监制住宅工程质量分户验收汇总表分验汇总表工程名称龙湖大学城 U2 项目一期 4 组团(4-13 栋~4-19 栋)建筑面积建设单位施工单位监理单位内容重庆龙湖凯安地产发展有限公司重庆嘉逊建筑营造工程有限公司重庆新鲁班工程监理有限责任公司(4-17 栋)5243.63 ㎡框架剪力墙 8+132结构及层数验收户数最终验收日期验收情况本工程已根据《重庆市住宅工程质量分户验收管理办法》要求,进行了分户验收。对屋面进行了 24 小时蓄水(2 小时淋水)试验,发现屋面渗漏 0处;外窗及外墙进行了淋水试验,发现外窗渗水 0 个,外墙渗水 0处;室内有防水要求的房间进行了 24 小时蓄水试验 96间,发现渗漏 0 间;室内有排水要求的房间和阳台进行了排水试验 160间,发现积水和渗水 0间。以上检查过程中...

1、当您付费下载文档后,您只拥有了使用权限,并不意味着购买了版权,文档只能用于自身使用,不得用于其他商业用途(如 [转卖]进行直接盈利或[编辑后售卖]进行间接盈利)。
2、本站所有内容均由合作方或网友上传,本站不对文档的完整性、权威性及其观点立场正确性做任何保证或承诺!文档内容仅供研究参考,付费前请自行鉴别。
3、如文档内容存在违规,或者侵犯商业秘密、侵犯著作权等,请点击“违规举报”。

碎片内容

2019重庆分户验收表

您可能关注的文档

文库当当响+ 关注
实名认证
内容提供者

该用户很懒,什么也没介绍

确认删除?
VIP
微信客服
  • 扫码咨询
会员Q群
  • 会员专属群点击这里加入QQ群
客服邮箱
回到顶部