电脑桌面
添加小米粒文库到电脑桌面
安装后可以在桌面快捷访问

25#楼植筋检验批

25#楼植筋检验批_第1页
1/22
25#楼植筋检验批_第2页
2/22
25#楼植筋检验批_第3页
3/22
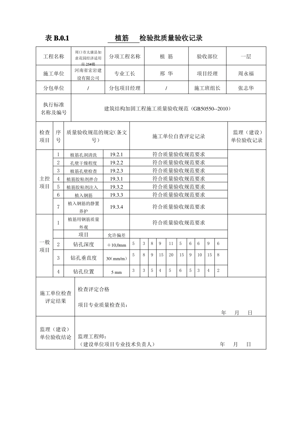
一层植筋报验申请表工程名称:周口市太康县如意花园经济适用房 25#楼编号:致:河南省育兴建设工程管理有限公司我单位已完成一层植筋工作,现报上该工程报验申请表,请予以审查和验收。附件:1、植筋检验批质量验收记录承包单位(章):项目经理:日期:审查意见:项目监理机构:总/专业监理工程师:日期:表 B.0.1植筋检验批质量验收记录周口市太康县如工程名称施工单位分包单位执行标准名称及编号意花园经济适用房 25#楼分项工程名称专业工长分包项目经理植 筋邢 华/验收部位项目经理施工班组长一层周永福张志华河南省宏岩建设有限公司/建筑结构加固工程施工质量验收规范(GB50550--2010)检查序质量验收规范的规定(条文项目号号)123主控项目植筋孔洞清洗孔壁干燥程度植筋孔壁检查施工单位自查评定记录符合质量验收规范要求符合质量验收规范要求符合质量验收规范要求符合质量验收规范要求符合质量验收规范要求符合质量验收规范要求符合质量验收规范要求符合质量验收规范要求5533891156696监理(建设)单位验收记录19.2.119.2.219.2.319.3.119.3.219.3.319.3.4允许偏差+10,0mm30(mm/m)5 mm4植筋胶粘剂拌合5植筋胶粘剂注入671植入钢筋植入钢筋的静置养护植筋用钢筋质量外观项目钻孔深度钻孔垂直度钻孔位置一般项目23489152015910158354565342检查评定合格施工单位检查评定结果项目专业质量检查员:年月日监理(建设)单位验收结论监理工程师:(建设单位项目专业技术负责人)年月日二层植筋报验申请表工程名称:周口市太康县如意花园经济适用房 25#楼编号:致:河南省育兴建设工程管理有限公司我单位已完成二层植筋工作,现报上该工程报验申请表,请予以审查和验收。附件:1、植筋检验批质量验收记录承包单位(章):项目经理:日期:审查意见:项目监理机构:总/专业监理工程师:日期:表 B.0.1植筋检验批质量验收记录周口市太康县如工程名称施工单位分包单位执行标准名称及编号意花园经济适用房 25#楼分项工程名称专业工长分包项目经理植 筋邢 华/验收部位项目经理施工班组长二层周永福张志华河南省宏岩建设有限公司/建筑结构加固工程施工质量验收规范(GB50550--2010)检查序质量验收规范的规定(条项目号文号)123主控项目植筋孔洞清洗孔壁干燥程度植筋孔壁检查施工单位自查评定记录符合质量验收规范要求符合质量验收规范要求符合质量验收规范要求符合质量验收规范要求符合质量验收规范要求符合质量验收规范要求符合质量验收规...

1、当您付费下载文档后,您只拥有了使用权限,并不意味着购买了版权,文档只能用于自身使用,不得用于其他商业用途(如 [转卖]进行直接盈利或[编辑后售卖]进行间接盈利)。
2、本站所有内容均由合作方或网友上传,本站不对文档的完整性、权威性及其观点立场正确性做任何保证或承诺!文档内容仅供研究参考,付费前请自行鉴别。
3、如文档内容存在违规,或者侵犯商业秘密、侵犯著作权等,请点击“违规举报”。

碎片内容

25#楼植筋检验批

确认删除?
VIP
微信客服
  • 扫码咨询
会员Q群
  • 会员专属群点击这里加入QQ群
客服邮箱
回到顶部