电脑桌面
添加小米粒文库到电脑桌面
安装后可以在桌面快捷访问

C15素混凝土垫层

C15素混凝土垫层_第1页
1/12
C15素混凝土垫层_第2页
2/12
C15素混凝土垫层_第3页
3/12
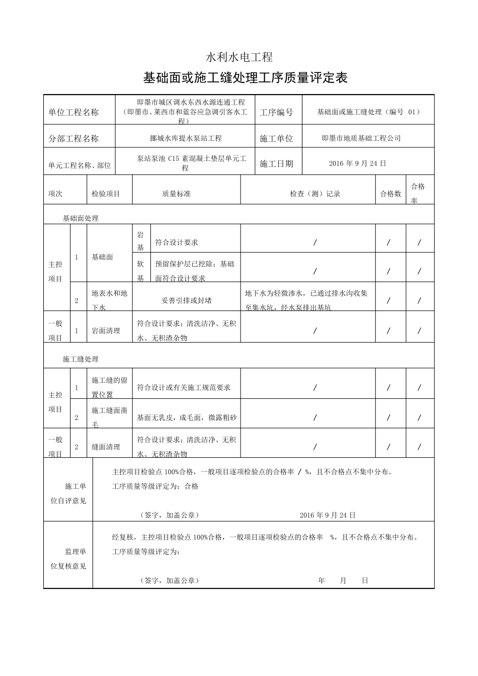
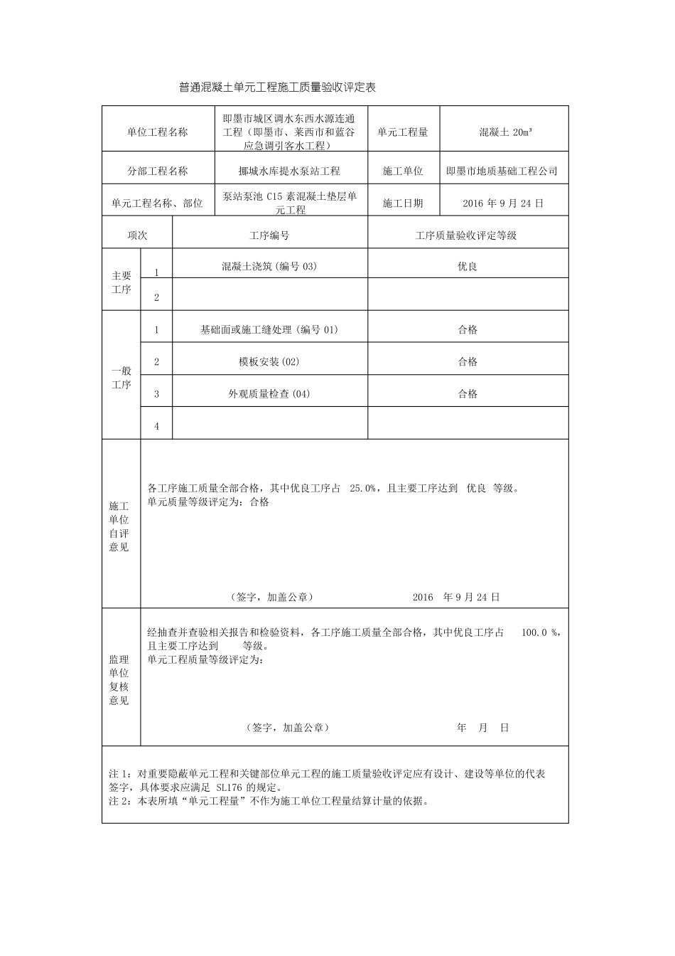
单元工程施工质量报验单(即墨地质[2016]质报号)合同名称:即墨市城区调水东西水源连通工程(即墨市、莱西市和蓝谷应急调引客水工程)合同编号:致:青岛市水利建设监理有限公司泵站泵池 C15 素混凝土垫层单元工程已按合同要求完成施工,经自检合格,报请贵方核验。附:基础面处理工序施工质量验收评定表承包人:即墨市地质基础工程公司项目经理:日期:2016 年 9 月 24 日(核验意见)监理机构:青岛市水利建设监理有限公司监理工程师:日期:年月日说明:本表一式份,由承包人填写。监理机构审签后,承包人2 份,监理机构、发包人各 1 份。普通混凝土单元工程施工质量验收评定表单位工程名称即墨市城区调水东西水源连通工程(即墨市、莱西市和蓝谷应急调引客水工程)挪城水库提水泵站工程泵站泵池 C15 素混凝土垫层单元工程工序编号121234各工序施工质量全部合格,其中优良工序占25.0%,且主要工序达到优良 等级。单元质量等级评定为:合格(签字,加盖公章) 2016年 9 月 24 日经抽查并查验相关报告和检验资料,各工序施工质量全部合格,其中优良工序占 100.0 %,且主要工序达到等级。单元工程质量等级评定为:(签字,加盖公章)年月日混凝土浇筑 (编号 03)基础面或施工缝处理 (编号 01)模板安装(02)外观质量检查 (04)单元工程量混凝土 20m³分部工程名称单元工程名称、部位项次施工单位施工日期即墨市地质基础工程公司2016 年 9 月 24 日工序质量验收评定等级优良合格合格合格主要工序一般工序施工单位自评意见监理单位复核意见注 1:对重要隐蔽单元工程和关键部位单元工程的施工质量验收评定应有设计、建设等单位的代表签字,具体要求应满足 SL176 的规定。注 2:本表所填“单元工程量”不作为施工单位工程量结算计量的依据。水利水电工程单位工程名称分部工程名称单元工程名称、部位项次基础面处理岩基1主控项目2下水一般项目施工缝处理施工缝的留1主控项目2毛一般项目2缝面清理水、无积渣杂物主控项目检验点 100%合格,一般项目逐项检验点的合格率 / %,且不合格点不集中分布。施工单位自评意见工序质量等级评定为:合格(签字,加盖公章) 2016 年 9 月 24 日经复核,主控项目检验点 100%合格,一般项目逐项检验点的合格率 %,且不合格点不集中分布。监理单位复核意见工序质量等级评定为:(签字,加盖公章)年月日符合设计要求;清洗洁净、无积///置位置施工缝面凿基面无乳皮,成毛面,...

1、当您付费下载文档后,您只拥有了使用权限,并不意味着购买了版权,文档只能用于自身使用,不得用于其他商业用途(如 [转卖]进行直接盈利或[编辑后售卖]进行间接盈利)。
2、本站所有内容均由合作方或网友上传,本站不对文档的完整性、权威性及其观点立场正确性做任何保证或承诺!文档内容仅供研究参考,付费前请自行鉴别。
3、如文档内容存在违规,或者侵犯商业秘密、侵犯著作权等,请点击“违规举报”。

碎片内容

C15素混凝土垫层

确认删除?
VIP
微信客服
  • 扫码咨询
会员Q群
  • 会员专属群点击这里加入QQ群
客服邮箱
回到顶部