电脑桌面
添加小米粒文库到电脑桌面
安装后可以在桌面快捷访问

D341、D941、D641型蝶阀技术说明

D341、D941、D641型蝶阀技术说明_第1页
1/7
D341、D941、D641型蝶阀技术说明_第2页
2/7
D341、D941、D641型蝶阀技术说明_第3页
3/7
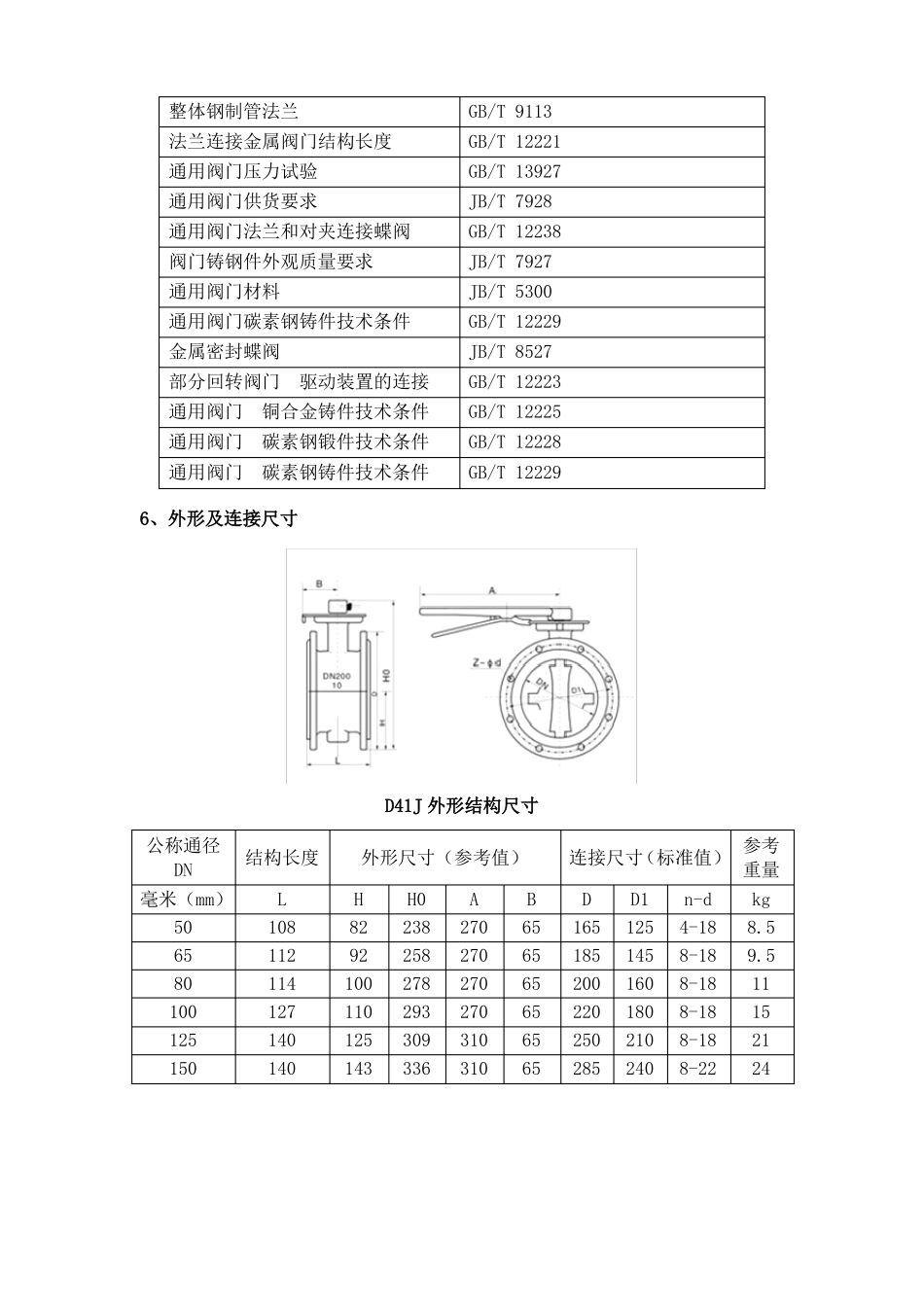
蝶阀技术说明1、用途蝶阀广泛用于冶金、石油化工、电力、给排水、环保、建筑、矿山等行业中,用于管道的连通、截断、调节流量。产品具有足够刚度和强度及可靠性、性能稳定可靠,保证系统具有良好的动态品质,长期稳定连续工作的能力。2、主要技术参数公称压力:1.0MPa、1.6MPa、2.5MPa适用温度:软密封(X):-20℃~80℃;硬密封(H):-20℃~250℃泄漏量:符合 GB/T13927-2008适用介质:水、污水、油品等3、主要零部件材料零件名称阀体蝶板阀杆密封面填料4、特点1)偏心设计阀杆与轴中心线与密封面的偏心可以使密封圈不受阀杆影响而与阀座密封面形成良好的接触面,阀杆中心线与蝶板轴心的偏心,可防止在接近全开20%的范围内密封面之间的一直接触的,有效地减轻了开启力矩。用非对称椭圆弧密封面代替传统球形密封面,大大降低密封面摩擦力矩,减少密封面的磨损,让蝶阀启闭省力。2)重量轻、便于安装、操作方便、省力、维修简单、可更换填料;3)采用短系列结构,阀门重量轻,便于安装。4)密封可靠,密封圈耐温、抗老化、耐磨性能好;更换维修方便。5)双向密封,安装无方向要求。6)阀门蜗轮机构设有开度指示盘,可就地观察阀门开关位置。5、使用标准如下材料铸钢 WCB/球墨铸铁 QT450-10铸钢 WCB/球墨铸铁 QT450-10不锈钢 2Cr13X:丁腈橡胶; H:不锈钢石墨整体钢制管法兰法兰连接金属阀门结构长度通用阀门压力试验通用阀门供货要求通用阀门法兰和对夹连接蝶阀阀门铸钢件外观质量要求通用阀门材料通用阀门碳素钢铸件技术条件金属密封蝶阀部分回转阀门驱动装置的连接通用阀门铜合金铸件技术条件通用阀门碳素钢锻件技术条件通用阀门碳素钢铸件技术条件6、外形及连接尺寸GB/T 9113GB/T 12221GB/T 13927JB/T 7928GB/T 12238JB/T 7927JB/T 5300GB/T 12229JB/T 8527GB/T 12223GB/T 12225GB/T 12228GB/T 12229D41J 外形结构尺寸公称通径DN毫米(mm)506580100125150结构长度L108112114127140140外形尺寸(参考值)H8292100110125143H0238258278293309336A270270270270310310B656565656565连接尺寸(标准值)DD1n-d参考重量kg8.59.5111521241651254-181851458-182001608-182201808-182502108-182852408-22D341X 型结构及尺寸表PN=1.0MPaDN(mm)40506580100125150200250300350400450500600700800900100012001400160018002000L106108112114127140140152165178190216222229267292318330410470530600670760H5063708310511513716420623...

1、当您付费下载文档后,您只拥有了使用权限,并不意味着购买了版权,文档只能用于自身使用,不得用于其他商业用途(如 [转卖]进行直接盈利或[编辑后售卖]进行间接盈利)。
2、本站所有内容均由合作方或网友上传,本站不对文档的完整性、权威性及其观点立场正确性做任何保证或承诺!文档内容仅供研究参考,付费前请自行鉴别。
3、如文档内容存在违规,或者侵犯商业秘密、侵犯著作权等,请点击“违规举报”。

碎片内容

D341、D941、D641型蝶阀技术说明

确认删除?
VIP
微信客服
  • 扫码咨询
会员Q群
  • 会员专属群点击这里加入QQ群
客服邮箱
回到顶部