电脑桌面
添加小米粒文库到电脑桌面
安装后可以在桌面快捷访问

泥浆制备技术交底

泥浆制备技术交底_第1页
1/6
泥浆制备技术交底_第2页
2/6
泥浆制备技术交底_第3页
3/6
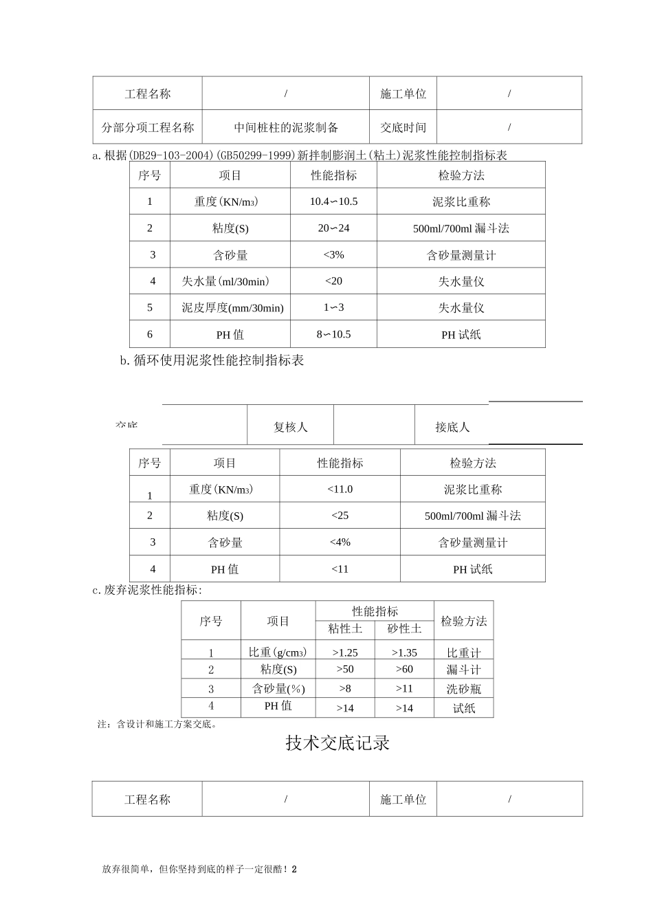
复核人接底人放弃很简单,但你坚持到底的样子一定很酷!1技术交底记录工程名称/施工单位/分部分项工程名称中间桩柱的泥浆制备交底时间/交底内容:一、泥浆配合比设计根据在地层、地下水状态及施工条件和天津地区施工经验进行泥浆配合比设计,采用优良的膨润土、纯碱、高纯度的 CMC 和自来水作原料,通过清浆冲拌和混合搅拌二次拌合而成。泥浆配合比及质量指标控制:基坑开挖前,首先制备足够的优质泥浆待用。泥浆配合比根据所选用的原料先行试配,再检测各项指标,按检测的情况适当增加外加剂,改善泥浆性能,使之符合要求。粘土使用在工厂已加入纯碱的土粉来制浆,将 CMC 事先与水搅拌成液体,加入浆液。泥浆在循环使用过程中,配备专人检查和管理泥浆,保证泥浆质量,使各项指标达到规范要求:新制泥浆配合比(lm3 浆液)膨润土品名材料用量(kg)水膨润土CMC(M)Na2CO3其它外加剂钙土(II 级)100080〜1000〜0.62.5〜4适量二、泥浆的制备方法将水加至搅拌筒 1/3 后,启动制浆机。在定量水箱不断加水的同时,加入膨润土粉、碱粉等外加剂,搅拌 2min 后,加入 CMC 液继续搅拌 lmin 即可停止搅拌放入新浆池中,待静置膨化24h 后使用。三、泥浆性能指标检验标准及测定频率护壁泥浆对下列表中的有关指标进行测试,检查新浆、循环泥浆和废弃泥浆的质量。注:含设计和施工方案交底。技术交底记录交底复核人接底人放弃很简单,但你坚持到底的样子一定很酷!2工程名称/施工单位/分部分项工程名称中间桩柱的泥浆制备交底时间/a.根据(DB29-103-2004)(GB50299-1999)新拌制膨润土(粘土)泥浆性能控制指标表序号项目性能指标检验方法1重度(KN/m3)10.4〜10.5泥浆比重称2粘度(S)20〜24500ml/700ml 漏斗法3含砂量<3%含砂量测量计4失水量(ml/30min)<20失水量仪5泥皮厚度(mm/30min)1〜3失水量仪6PH 值8〜10.5PH 试纸b.循环使用泥浆性能控制指标表序号项目性能指标检验方法1重度(KN/m3)<11.0泥浆比重称2粘度(S)<25500ml/700ml 漏斗法3含砂量<4%含砂量测量计4PH 值<11PH 试纸c.废弃泥浆性能指标:序号项目性能指标检验方法粘性土砂性土1比重(g/cm3)>1.25>1.35比重计2粘度(S)>50>60漏斗计3含砂量(%)>8>11洗砂瓶4PH 值>14>14试纸注:含设计和施工方案交底。技术交底记录工程名称/施工单位/交底放弃很简单,但你坚持到底的样子一定很酷!3分部分项工程名称中间桩柱的泥浆制备交底时间/d.泥浆质量控制表编号泥浆取样时间和次数取样位置试验项目备注1新...

1、当您付费下载文档后,您只拥有了使用权限,并不意味着购买了版权,文档只能用于自身使用,不得用于其他商业用途(如 [转卖]进行直接盈利或[编辑后售卖]进行间接盈利)。
2、本站所有内容均由合作方或网友上传,本站不对文档的完整性、权威性及其观点立场正确性做任何保证或承诺!文档内容仅供研究参考,付费前请自行鉴别。
3、如文档内容存在违规,或者侵犯商业秘密、侵犯著作权等,请点击“违规举报”。

碎片内容

泥浆制备技术交底

您可能关注的文档

确认删除?
VIP
微信客服
  • 扫码咨询
会员Q群
  • 会员专属群点击这里加入QQ群
客服邮箱
回到顶部