电脑桌面
添加小米粒文库到电脑桌面
安装后可以在桌面快捷访问

中级汽车修理工操作技能考核试卷

中级汽车修理工操作技能考核试卷_第1页
1/7
中级汽车修理工操作技能考核试卷_第2页
2/7
中级汽车修理工操作技能考核试卷_第3页
3/7
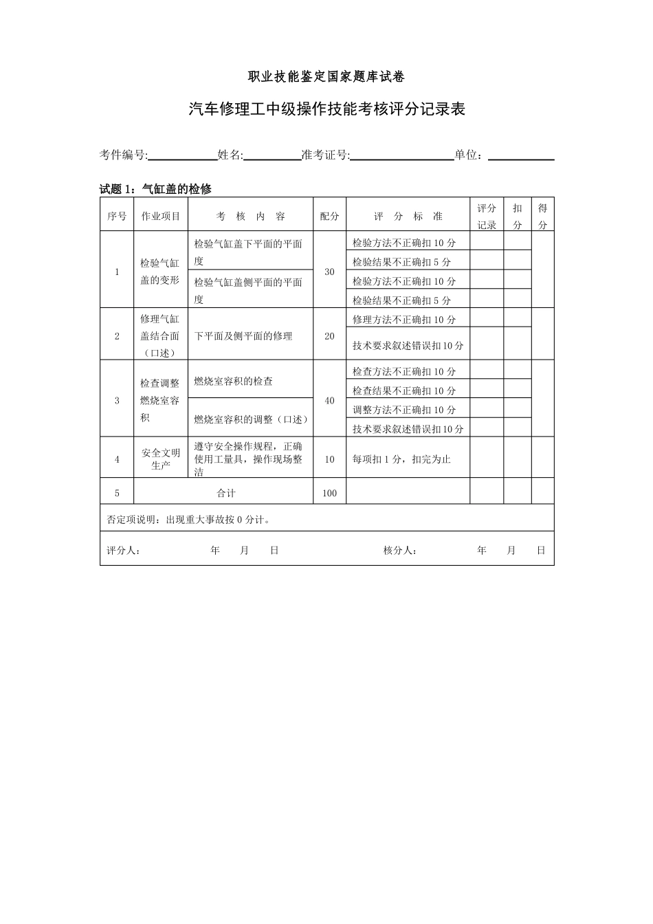
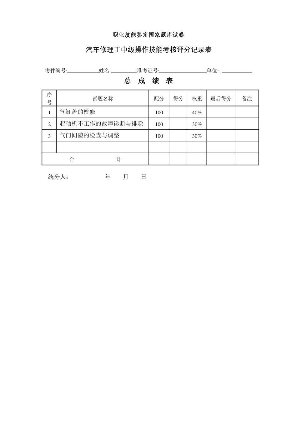
职业技能鉴定国家题库试卷汽车修理工中级操作技能考核试卷考件编号:注意事项一、本试卷依据 2005 年颁布的《汽车修理工》国家职业标准命制。二、请根据试题考核要求,完成考试内容。三、请服从考评人员指挥,保证考核安全顺利进行。试题 1:气缸盖的检修(1)本题分值:100 分。(2)考核时间:30min。(3)考核形式:实操。(4)具体考核要求: a)检查缸盖各平面平面度、燃烧室容积; b)口述各平面和燃烧室修理的方法及技术标准。试题 2:起动机不工作的故障诊断与排除(1)本题分值:100 分。(2)考核时间:50min。(3)考核形式:实操。(4)具体考核要求:a)根据起动机不工作的故障现象找出故障部位。 b)排除起动机不工作的故障。试题 3:气门间隙的检查与调整(1)本题分值:100 分。(2)考核时间:40min。(3)考核形式:实操。(4)具体考核要求:a)按正确的操作规程检查气门间隙。 b)正确的调整气门间隙,使之符合技术标准。职业技能鉴定国家题库试卷汽车修理工中级操作技能考核评分记录表考件编号:姓名:准考证号:单位:总成绩表序号123试题名称配分100100100合计得分权重40%30%30%最后得分备注气缸盖的检修起动机不工作的故障诊断与排除气门间隙的检查与调整统分人:年月日职业技能鉴定国家题库试卷汽车修理工中级操作技能考核评分记录表考件编号:姓名:准考证号:单位:试题 1:气缸盖的检修序号作业项目考核内容检验气缸盖下平面的平面1检验气缸度30配分评分标准检验方法不正确扣 10 分检验结果不正确扣 5 分检验方法不正确扣 10 分检验结果不正确扣 5 分修理方法不正确扣 10 分下平面及侧平面的修理20评分记录扣分得分盖的变形检验气缸盖侧平面的平面度修理气缸2盖结合面(口述)检查调整技术要求叙述错误扣10 分检查方法不正确扣 10 分燃烧室容积的检查40燃烧室容积的调整(口述)遵守安全操作规程,正确使用工量具,操作现场整洁合计3燃烧室容积检查结果不正确扣 10 分调整方法不正确扣 10 分技术要求叙述错误扣10 分10100每项扣 1 分,扣完为止45安全文明生产否定项说明:出现重大事故按 0 分计。评分人:年月日核分人:年月日职业技能鉴定国家题库试卷汽车修理工中级操作技能考核评分记录表考件编号:姓名:准考证号:单位:试题 2:起动机不工作的故障诊断与排除序号作业项目工、量具正确使用分析故障原因明确故障部位考核内容配分评分标准使用错误扣 10 分使用不当酌情扣分检查方法错...

1、当您付费下载文档后,您只拥有了使用权限,并不意味着购买了版权,文档只能用于自身使用,不得用于其他商业用途(如 [转卖]进行直接盈利或[编辑后售卖]进行间接盈利)。
2、本站所有内容均由合作方或网友上传,本站不对文档的完整性、权威性及其观点立场正确性做任何保证或承诺!文档内容仅供研究参考,付费前请自行鉴别。
3、如文档内容存在违规,或者侵犯商业秘密、侵犯著作权等,请点击“违规举报”。

碎片内容

中级汽车修理工操作技能考核试卷

您可能关注的文档

确认删除?
VIP
微信客服
  • 扫码咨询
会员Q群
  • 会员专属群点击这里加入QQ群
客服邮箱
回到顶部