电脑桌面
添加小米粒文库到电脑桌面
安装后可以在桌面快捷访问

人工挖孔桩隐蔽验收记录

人工挖孔桩隐蔽验收记录_第1页
1/37
人工挖孔桩隐蔽验收记录_第2页
2/37
人工挖孔桩隐蔽验收记录_第3页
3/37
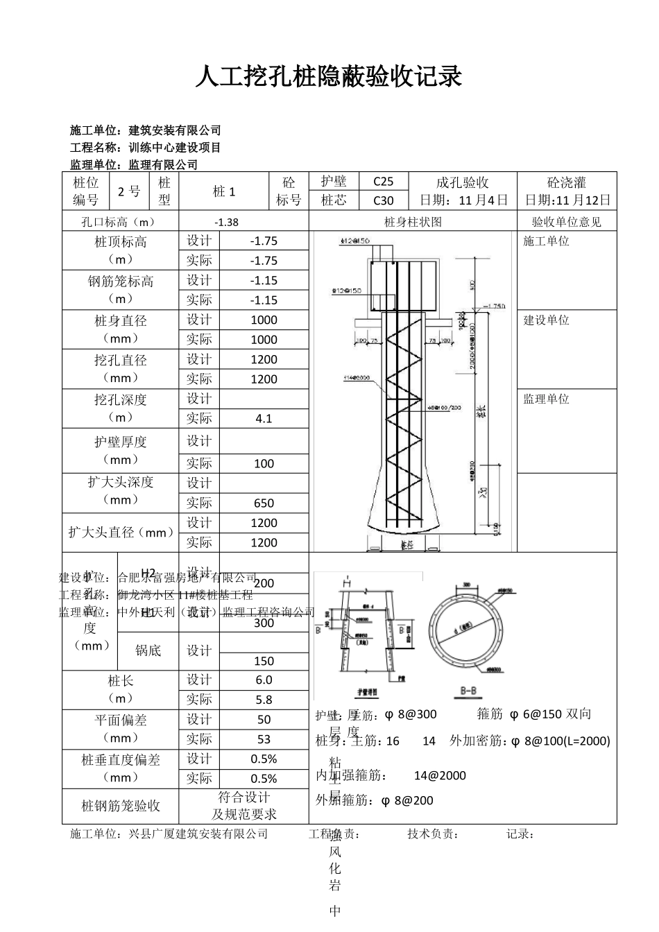
人工挖孔桩隐蔽验收记录施工单位:建筑安装有限公司工程名称:训练中心建设项目监理单位:监理有限公司桩位编号1 号桩型桩 1-1.32砼标号-1.75-1.75-1.15-1.1510001000120012003.810065012001200护壁桩芯C25C30成孔验收日期:11 月4日砼浇灌日期:11 月12日验收单位意见施工单位孔口标高(m)桩身柱状图桩顶标高(m)钢筋笼标高(m)桩身直径(mm)挖孔直径(mm)挖孔深度(m)护壁厚度(mm)设计实际设计实际设计实际设计实际设计实际设计建设单位监理单位实际扩大头深度设计(mm)实际设计扩大头直径(mm) 实际H2设计建设单位:合肥乐富强房地产有限公司扩200工程名称:御龙湾小区 11#楼桩基工程孔监理单位:中外建天利(北京)监理工程咨询公司高H1设计度(mm)锅底桩长(m)平面偏差(mm)桩垂直度偏差(mm)桩钢筋笼验收300设计1506.0设计5.7实际50设计53实际0.5%设计0.5%实际符合设计及规范要求护壁:主筋:厚φ 8@300箍筋 φ 6@150 双向土层 度桩身:主筋:1614外加密筋:φ 8@100(L=2000)粘内加强箍筋:14@2000土层外加箍筋:φ 8@200施工单位:兴县广厦建筑安装有限公司工程负责:技术负责:记录:强风化岩中人工挖孔桩隐蔽验收记录施工单位:建筑安装有限公司工程名称:训练中心建设项目监理单位:监理有限公司桩位编号2 号桩型桩 1-1.38砼标号-1.75-1.75-1.15-1.1510001000120012004.110065012001200护壁桩芯C25C30成孔验收日期:11 月4日砼浇灌日期:11 月12日验收单位意见施工单位孔口标高(m)桩身柱状图桩顶标高(m)钢筋笼标高(m)桩身直径(mm)挖孔直径(mm)挖孔深度(m)护壁厚度(mm)设计实际设计实际设计实际设计实际设计实际设计建设单位监理单位实际扩大头深度设计(mm)实际设计扩大头直径(mm) 实际H2设计建设单位:合肥乐富强房地产有限公司扩200工程名称:御龙湾小区 11#楼桩基工程孔监理单位:中外建天利(北京)监理工程咨询公司高H1设计度(mm)锅底桩长(m)平面偏差(mm)桩垂直度偏差(mm)桩钢筋笼验收300设计1506.0设计5.8实际50设计53实际0.5%设计0.5%实际符合设计及规范要求护壁:主筋:厚φ 8@300箍筋 φ 6@150 双向土层 度桩身:主筋:1614外加密筋:φ 8@100(L=2000)粘内加强箍筋:14@2000土层外加箍筋:φ 8@200施工单位:兴县广厦建筑安装有限公司工程负责:技术负责:记录:强风化岩中人工挖孔桩隐蔽验收记录施工单位:建筑安装有限公司工程名称:训练中心建设项目监理...

1、当您付费下载文档后,您只拥有了使用权限,并不意味着购买了版权,文档只能用于自身使用,不得用于其他商业用途(如 [转卖]进行直接盈利或[编辑后售卖]进行间接盈利)。
2、本站所有内容均由合作方或网友上传,本站不对文档的完整性、权威性及其观点立场正确性做任何保证或承诺!文档内容仅供研究参考,付费前请自行鉴别。
3、如文档内容存在违规,或者侵犯商业秘密、侵犯著作权等,请点击“违规举报”。

碎片内容

人工挖孔桩隐蔽验收记录

确认删除?
VIP
微信客服
  • 扫码咨询
会员Q群
  • 会员专属群点击这里加入QQ群
客服邮箱
回到顶部