电脑桌面
添加小米粒文库到电脑桌面
安装后可以在桌面快捷访问

保温材料热工性能指标

保温材料热工性能指标_第1页
1/17
保温材料热工性能指标_第2页
2/17
保温材料热工性能指标_第3页
3/17
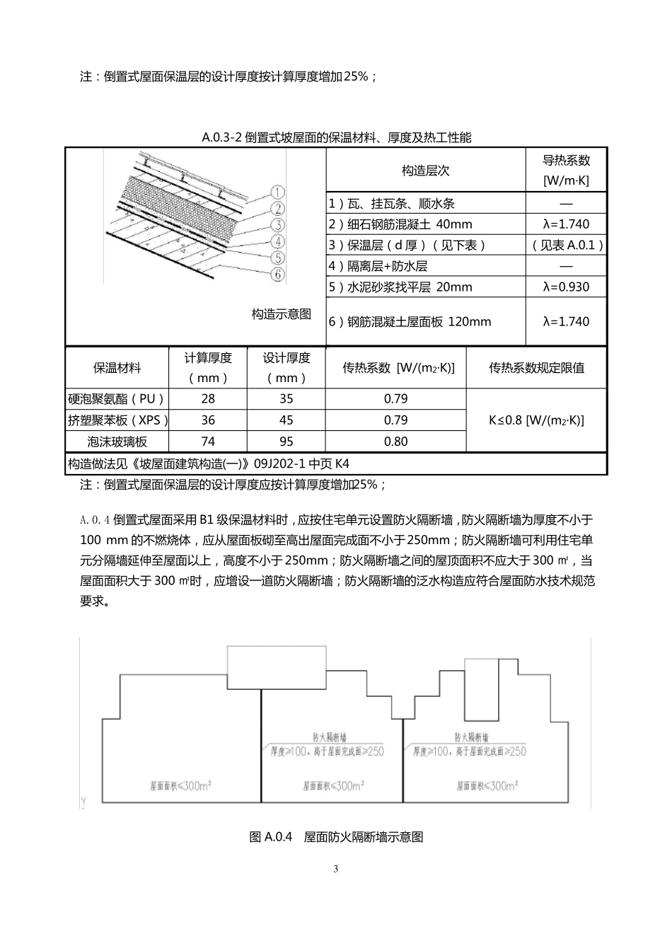
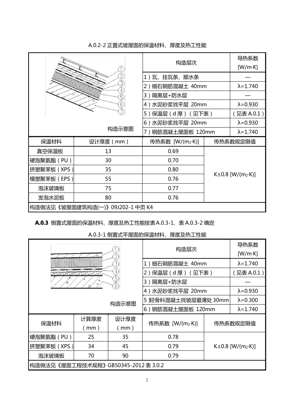
实用标准文档附录 围护结构保温材料选用及热工性能指标附录 A 屋面保温材料选用及热工性能参数A.0.1屋面保温材料主要性能指标应符合表 A.0.1 的要求表 A.0.1 屋面保温材料的主要性能指标表观密度或材料名称真空保温板硬泡聚氨酯(PU)挤塑聚苯板(XPS)模塑聚苯板(EPS)泡沫玻璃板发泡水泥板干密度(kg/m3)≤450≥35≥32≥20≥150≤250体积吸水率(v/v,%)≤3.0≤3.0≤1.5≤4.0≤0.5≤10.0导热系数标准值λ[W/(m·K)]0.0080.0240.0300.0410.0620.065修正系数а1.41.11.21.31.21.2导热系数计算值λc [W/(m·K)]0.0110.0260.0360.0530.0740.078注:本表中挤塑聚苯板、模塑聚苯板等性能参数取自国家标准《屋面工程技术规范》GB50345-2012 附录 B 表 B.2.1A.0.2 正置式屋面的保温材料、厚度及热工性能按表 A.0.2-1、表 A.0.2-2 确定表 A.0.2-1 正置式平屋面的保温材料、厚度及热工性能构造层次1)细石钢筋混凝土 40mm2)隔离层+防水层3)水泥砂浆找平层 20mm4)保温层(d 厚)(见下表)5)水泥砂浆找平层 20mm6)轻骨料混凝土找坡层最薄处 30mm7)钢筋混凝土屋面板 120mm保温材料真空保温板硬泡聚氨酯(PU)挤塑聚苯板(XPS)模塑聚苯板(EPS)泡沫玻璃板发泡水泥板设计厚度(mm)132535507075传热系数 [W/(m2·K)]0.660.770.760.780.770.76K≤0.8 [W/(m2·K)]导热系数[W/m·K]λ=1.740—λ=0.930(见表 A.0.1)λ=0.930λ=0.300λ=1.740构造示意图传热系数规定限值构造做法见《屋面工程技术规程》GB50345-2012 表 3.0.2文案大全A.0.2-2 正置式坡屋面的保温材料、厚度及热工性能构造层次1)瓦、挂瓦条、顺水条2)细石钢筋混凝土 40mm3)隔离层+防水层4)水泥砂浆找平层 20mm构造示意图保温材料真空保温板硬泡聚氨酯(PU)挤塑聚苯板(XPS)模塑聚苯板(EPS)泡沫玻璃板发泡水泥板设计厚度(mm)1330355575805)保温层(d 厚)(见下表)6)水泥砂浆找平层 20mm7)钢筋混凝土屋面板 120mm传热系数 [W/(m2·K)]0.690.700.800.760.770.76K≤0.8 [W/(m2·K)]导热系数[W/m·K]—λ=1.740—λ=0.930(见表 A.0.1)λ=0.930λ=1.740传热系数规定限值构造做法见《坡屋面建筑构造(一)》09J202-1 中页 K4A.0.3 倒置式屋面的保温材料、厚度及热工性能按表 A.0.3-1、表 A.0.3-2 确定A.0.3-1 倒置式平屋面的保温材料、厚度及热工性能构造层次1)细石钢筋混凝土 40mm2)保温层(d 厚)(见下表)构造示意图保温材料硬...

1、当您付费下载文档后,您只拥有了使用权限,并不意味着购买了版权,文档只能用于自身使用,不得用于其他商业用途(如 [转卖]进行直接盈利或[编辑后售卖]进行间接盈利)。
2、本站所有内容均由合作方或网友上传,本站不对文档的完整性、权威性及其观点立场正确性做任何保证或承诺!文档内容仅供研究参考,付费前请自行鉴别。
3、如文档内容存在违规,或者侵犯商业秘密、侵犯著作权等,请点击“违规举报”。

碎片内容

保温材料热工性能指标

您可能关注的文档

确认删除?
VIP
微信客服
  • 扫码咨询
会员Q群
  • 会员专属群点击这里加入QQ群
客服邮箱
回到顶部